СИСТЕМА ECD (для моделей с DPF) ОПИСАНИЕ СИСТЕМЫ


  1. СИСТЕМА УПРАВЛЕНИЯ ДВИГАТЕЛЕМ

    A01BEFFE01
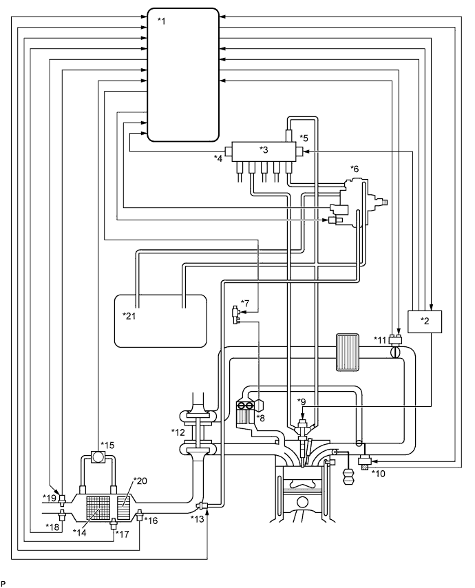
    Обозначения на рисунке
    *1 ECM *2 Нагнетающий топливный насос в сборе
    *3 Клапан регулирования всасывания *4 Датчик температуры топлива
    *5 Топливная система Common Rail *6 Датчик давления топлива
    *7 Клапан сброса давления *8 Электронный блок привода форсунок
    *9 Реле EDU *10 Форсунка в сборе
    *11 Корпус дроссельной заслонки дизельного двигателя в сборе *12 Датчик абсолютного давления в коллекторе
    *13 Электрический клапан управления РОГ в сборе *14 Контроллер свечей накаливания
    *15 Свеча накаливания *16 Датчик температуры охлаждающей жидкости двигателя
    *17 Датчик температуры воздуха на впуске (турбонагнетателя) *18 Промежуточный охладитель
    *19 Датчик положения распредвала *20 Датчик положения коленчатого вала
    *21 Датчик массового расхода воздуха *22 Датчик температуры воздуха на впуске (встроен в датчик массового расхода воздуха)
    *23 Турбонагнетатель в сборе *24 Электродвигатель постоянного тока, датчик положения сопловых лопаток
    *25 Дифференциальный датчик давления в сборе *26 Датчик температуры отработавших газов (B1S1)
    *27 Датчик температуры отработавших газов № 2 (B1S2) *28 Датчик температуры отработавших газов № 3 (B1S3)
    *29 Датчик состава топливовоздушной смеси *30 Дополнительная форсунка подачи топлива в выпускную трубу в сборе
    *31 VSV для перепускного клапана РОГ *32 Охладитель РОГ
    *33 VSV для клапана регулирования всасывания № 1 *34 VSV для клапана регулирования всасывания № 2
    *35 Датчик давления масла в сборе *36 Клапан-переключатель давления масла в сборе
    *37 Реле 2ST OIL PRESS *38 Датчик положения педали акселератора
  2. ОПИСАНИЕ СИСТЕМЫ САЖЕВОЙ ФИЛЬТРАЦИИ


    1. Система сажевой фильтрации осуществляет комплексное регулирование работы двигателя (включает в себя систему каталитической очистки и систему впрыска топлива), которое обеспечивает очистку отработавших газов дизельного двигателя от твердых частиц (РМ). Система каталитической очистки удаляет углеводороды (CН) и моноксиды углерода (CO), а также снижает содержание РМ посредством каталитического нейтрализатора с сажевым фильтром (DPF). Система впрыска топлива подает топливо в выпускной канал посредством дополнительной форсунки подачи топлива в выпускную трубу, чтобы обеспечить поддержание температуры, необходимой для принудительной регенерации в отношении твердых частиц.

      A01BESVE01
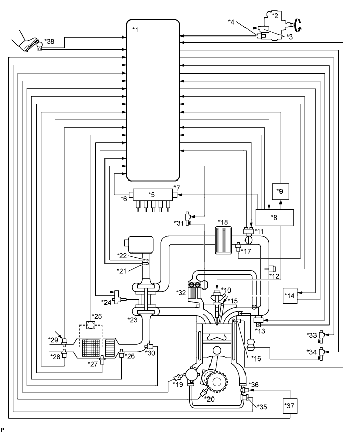
      Обозначения на рисунке
      *1 ECM *2 Электронный блок привода форсунок
      *3 Топливная система Common Rail в сборе *4 Датчик давления топлива
      *5 Клапан сброса давления *6 Нагнетающий топливный насос в сборе
      *7 VSV для перепускного клапана РОГ *8 Охладитель РОГ
      *9 Форсунка в сборе *10 Электрический клапан управления РОГ в сборе
      *11 Корпус дроссельной заслонки дизельного двигателя в сборе *12 Турбонагнетатель в сборе
      *13 Дополнительная форсунка подачи топлива в выпускную трубу в сборе *14 Каталитический нейтрализатор DPF
      *15 Дифференциальный датчик давления в сборе *16 Датчик температуры отработавших газов (B1S1)
      *17 Датчик температуры отработавших газов № 2 (B1S2) *18 Датчик температуры отработавших газов № 3 (B1S3)
      *19 Датчик состава топливовоздушной смеси *20 Каталитический нейтрализатор отработавших газов окислительного типа
      *21 Топливный бак - -
    2. Компоненты DPF:

      Устройство Описание
      Каталитический нейтрализатор DPF Уменьшает содержание твердых частиц в отработавших газах.
      Каталитический нейтрализатор окислительного типа Уменьшает содержание HC и CO в отработавших газах.
      Дополнительная форсунка подачи топлива в выпускную трубу в сборе Подает топливо в выпускной канал, чтобы повысить температуру каталитического нейтрализатора для принудительной регенерации в отношении твердых частиц.
      Датчик температуры отработавших газов Используется для оценивания температуры каталитического нейтрализатора DPF и регулирования объема дополнительного впрыска топлива ECM в ходе принудительной регенерации в отношении твердых частиц. Кроме того, определяет температуру каталитического нейтрализатора DPF, чтобы предотвратить перегрев каталитического нейтрализатора.
      Дифференциальный датчик давления в сборе Определяет объем отложений РМ и позволяет выявить неправильное подключение вакуумных шлангов к каталитическому нейтрализатору DPF.
      Датчик состава топливовоздушной смеси Применяется для регулирования соотношения воздух-топливо. Регулирование соотношения воздух-топливо позволяет надлежащим образом осуществлять регулирование процесса сгорания и принудительную регенерацию в отношении твердых частиц.
    3. Таблица диагностических кодов неисправностей (DTC) для DPF:

      Tech Tips

      В таблице приведены типичные сочетания кодов DTC для каждого случая возникновения неисправности.

      Неисправный участок Неисправность № DTC
      Каталитический нейтрализатор DPF Износ или засорение P062F, P2002, P200C*, P244A*, P244B*, P244C*, P2463*
      Дополнительная форсунка подачи топлива в выпускную трубу в сборе Заедание в открытом положении P20CF
      Заедание в закрытом положении P244A*, P244C
      Недостаточный объем дополнительного впрыска топлива P244A*, P244B*, P244C*, P2463
      Обрыв в цепи дополнительной форсунки подачи топлива в выпускную трубу P20CB, P244A*, P244C
      Короткое замыкание в цепи дополнительной форсунки подачи топлива в выпускную трубу P20CF, P20CB, P244A*, P244C
      Обрыв или короткое замыкание в цепи дополнительной форсунки подачи топлива в выпускную трубу P200C*, P20CF*, P20CB, P244A*, P244C*
      Датчик температуры отработавших газов Обрыв в цепи датчика температуры отработавших газов P0545, P0546, P200C*, P2032, P2033, P2084, P242B, P242C, P242D, P244A*, P244C*
      Короткое замыкание в цепи датчика температуры отработавших газов P0545, P0546, P200C*, P2002*, P2032, P2033, P2084, P242B, P242C, P242D, P244A*, P244C*
      Датчик температуры отработавших газов P0545, P0546, P200C*, P2032, P2033, P2084, P242B, P242C, P242D, P244A*, P244C*
      Дифференциальный датчик давления в сборе Обрыв в цепи дифференциального датчика давления P244A*, P244C* P2454, P2455, P2463*
      Короткое замыкание в цепи дифференциального датчика давления P244A*, P244C*, P2454, P2455, P2463*
      дифференциальный датчик давления P244A*, P244C*, P2454, P2455, P2463*
      Засорение дифференциального датчика давления P244A*, P244C*, P2453, P2463*
      Неверное подсоединение вакуумных шлангов к дифференциальному датчику давления P244A*, P244C*, P2453, P2463*
      Датчик состава топливовоздушной смеси Обрыв или короткое замыкание в цепи подогревателя или датчика состава топливовоздушной смеси P0031, P0032, P2238, P2239, P2252, P2253, P244B*, P2463*
      Датчик состава топливовоздушной смеси P0031, P0032, P2195, P2238, P2239, P2252, P2253, P244B*, P2463*
      Утечки отработавших газов Утечки отработавших газов P244A*, P244C*
      Утечки топлива Утечки топлива через дополнительную форсунку подачи топлива в выпускную трубу P2002*, P200C*, P20CF*, P244A*, P244B*, P244C*, P2463*
      Нагнетающий топливный насос в сборе Необходимое давление не нагнетается в дополнительной форсунке подачи топлива в выпускную трубу P244A*, P244B*, P244C*, P2463*

      *: В зависимости от условий возникновения неисправности код DTC может не выводиться.

    4. Описание диагностических кодов неисправностей для DPF:

      № DTC Описание
      P0031 Обрыв в цепи управления подогревателем датчика состава топливовоздушной смеси (низкий уровень сигнала на выходе)
      P0032 Короткое замыкание в цепи подогревателя или датчика состава топливовоздушной смеси (высокий уровень сигнала на выходе)
      P0545 Обрыв или короткое замыкание в цепи датчика температуры отработавших газов (B1S1) (низкий уровень сигнала на выходе)
      P0546 Обрыв или короткое замыкание в цепи датчика температуры отработавших газов (B1S1) (высокий уровень сигнала на выходе)
      P2002 Термическое разрушение каталитического нейтрализатора DPF
      P200C Чрезмерно высокая температура отработавших газов в каталитическом нейтрализаторе DPF
      P2032 Обрыв или короткое замыкание в цепи датчика температуры отработавших газов (B1S2) (низкий уровень сигнала на выходе)
      P2033 Обрыв или короткое замыкание в цепи датчика температуры отработавших газов (B1S2) (высокий уровень сигнала на выходе)
      P2084 Диапазон/характеристики цепи датчика температуры отработавших газов (B1S2)
      P20CB Обрыв в цепи дополнительной форсунки подачи топлива в выпускную трубу
      P20CF Заедание дополнительной форсунки подачи топлива в выпускную трубу в открытом положении
      P2195 Фиксация показания датчика состава топливовоздушной смеси, соответствующего обедненному состоянию
      P2238 Обрыв или короткое замыкание в цепи подогревателя или датчика состава топливовоздушной смеси (низкий уровень сигнала на выходе)
      P2239 Обрыв или короткое замыкание в цепи подогревателя или датчика состава топливовоздушной смеси (высокий уровень сигнала на выходе)
      P2252 Обрыв или короткое замыкание в цепи подогревателя или датчика состава топливовоздушной смеси (низкий уровень сигнала на выходе)
      P2253 Обрыв или короткое замыкание в цепи подогревателя или датчика состава топливовоздушной смеси (высокий уровень сигнала на выходе)
      P242B Диапазон/характеристики цепи датчика температуры отработавших газов (B1S3)
      P242C Обрыв или короткое замыкание в цепи датчика температуры отработавших газов (B1S3) (низкий уровень сигнала на выходе)
      P242D Обрыв или короткое замыкание в цепи датчика температуры отработавших газов (B1S3) (высокий уровень сигнала на выходе)
      P244A Чрезмерный перепад давления на каталитическом нейтрализаторе DPF (низкий уровень сигнала на входе)
      P244B Чрезмерный перепад давления на каталитическом нейтрализаторе DPF (высокий уровень сигнала на входе)
      P244C Недостаточное повышение температуры каталитического нейтрализатора DPF
      P2453 Дифференциальный датчик давления засорен или неверное подсоединение вакуумных шлангов к датчику
      P2454 Обрыв или короткое замыкание в цепи дифференциального датчика давления (низкий уровень сигнала на выходе)
      P2455 Обрыв или короткое замыкание в цепи дифференциального датчика давления (высокий уровень сигнала на выходе)
      P2463 Нагар в каталитическом нейтрализаторе DPF
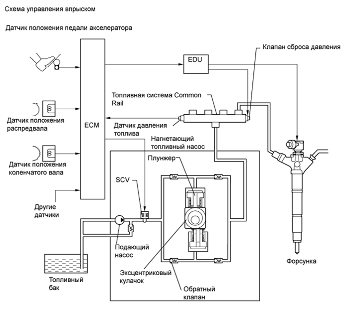
  3. ОПИСАНИЕ ТОПЛИВНОЙ СИСТЕМЫ COMMON RAIL


    1. Топливная система Common Rail:

      В топливной системе Common Rail используется топливо под высоким давлением, что позволяет снизить расход топлива. Система обеспечивает высокую мощность двигателя при низком уровне шума и вибрации.

      Топливо, которое под давлением подается нагнетающим топливным насосом, накапливается в топливной системе Common Rail. Благодаря этому топливная система Common Rail обеспечивает стабильное давление впрыска топлива, независимо от частоты вращения коленчатого вала двигателя или нагрузки на двигатель.

      ЕСМ посредством электронного блока привода форсунок подает электрический ток в пьезоактюатор каждой форсунки, тем самым регулируя опережение и объем впрыска топлива. ЕСМ также контролирует давление в топливной системе Common Rail с помощью датчика давления в топливной системе. ЕСМ управляет работой нагнетающего насоса, чтобы обеспечить необходимое давление в топливной системе.

      Кроме того, в каждой форсунке имеется пьезоэлектрический привод, открывающий и перекрывающий топливные каналы. Благодаря этому ЕСМ с высокой точностью регулирует момент и объем впрыска топлива.

      Топливная система Common Rail обеспечивает впрыск топлива в два этапа. Для уменьшения ударного воздействия при сгорании топлива данная система производит "предварительный впрыск топлива" перед основным впрыском. Это способствует снижению вибрации и шума при работе двигателя.

      A01BI1ZE01

      Tech Tips

      Если работа обратного топливопровода нарушена, а именно в определенных обстоятельствах невозможно надлежащим образом удалить воздух из топливной системы, например, после замены топливной форсунки и т. п., пусковая характеристика двигателя может быть ухудшена.

    2. Узлы и детали топливной системы Common Rail:

      Устройство Описание
      Топливная система Common Rail в сборе Накапливает и поддерживает топливо под высоким давлением, создаваемым нагнетающим насосом
      Нагнетающий топливный насос в сборе
      • Приводится в движение коленчатым валом через зубчатое колесо.

      • Подает топливо под высоким давлением в топливную систему Common Rail

      Форсунка в сборе На основании сигналов от ЕСМ впрыскивает топливо в камеру сгорания
      Датчик давления в топливной системе Измеряет давление в топливной системе Common Rail и посылает сигналы в ЕСМ
      Клапан сброса давления Открывается, исходя из сигналов от ЕСМ, при резком замедлении или выключении зажигания для предотвращения чрезмерного повышения давления в топливной системе.
      Клапан регулирования всасывания На основании сигналов от ЕСМ регулирует объем топлива, подаваемого в топливную систему Common Rail, и давление в топливной системе
      Обратный клапан Поддерживает неизменным давление на выходе форсунок
    3. Таблица диагностических кодов неисправностей (DTC) для топливной системы Common Rail:

      Tech Tips

      В таблице приведены типичные сочетания кодов DTC для каждого случая возникновения неисправности.

      Неисправный участок Неисправность № DTC
      Форсунка в сборе Обрыв или короткое замыкание в цепи форсунки P0093*, P0201, P0202, P0203, P0204, P062D
      Заедание в открытом положении P0093
      Заедание в закрытом положении P0301, P0302, P0303, P0304
      Датчик давления в топливной системе Обрыв или короткое замыкание в цепи датчика давления в топливной системе или показания датчика давления не изменяются P0087, P0190, P0191, P0192, P0193
      Клапан сброса давления Обрыв или короткое замыкание в цепи клапана сброса давления P0088*, P0093*, P1229*, P1271, P1272
      Заедание в открытом положении P0093
      Заедание в закрытом положении P0088*, P1272
      Клапан регулирования всасывания Обрыв или короткое замыкание в цепи клапана регулирования всасывания P0627, P1229, P0088*
      Заедание в открытом положении P0088*, P1229
      Электронный блок привода форсунок Неисправность электронного блока привода форсунок P0093*, P0201*, P0202*, P0203*, P0204*, P062D*, P1271*, P1272*
      Система Common Rail (топливная система) Утечки топлива в участках системы с высоким давлением P0093

      *: В зависимости от условий возникновения неисправности код DTC может не выводиться.

    4. Описание диагностических кодов неисправностей для топливной системы Common Rail:

      № DTC Описание
      P0087 Выходные сигналы датчика давления в топливной системе не изменяются
      P0088

      Чрезмерное давление в топливной системе (220000 кПа (2243 кгс/см2, 31900 фунтов на кв. дюйм) или более)

      P0093 Утечки топлива на участках системы с высоким давлением
      P0190 Обрыв или короткое замыкание в цепи датчика давления в топливной системе (чрезмерно высокое или низкое напряжение на выходе датчика)
      P0192 Обрыв или короткое замыкание в цепи датчика давления в топливной системе (чрезмерно низкое напряжение на выходе датчика)
      P0193 Обрыв или короткое замыкание в цепи датчика давления в топливной системе (чрезмерно высокое напряжение на выходе датчика)
      P0201 Обрыв или короткое замыкание в цепи форсунки № 1
      P0202 Обрыв или короткое замыкание в цепи форсунки № 2
      P0203 Обрыв или короткое замыкание в цепи форсунки № 3
      P0204 Обрыв или короткое замыкание в цепи форсунки № 4
      P0301 Обнаружение пропуска зажигания в цилиндре 1
      P0302 Обнаружение пропуска зажигания в цилиндре 2
      P0303 Обнаружение пропуска зажигания в цилиндре 3
      P0304 Обнаружение пропуска зажигания в цилиндре 4
      P0627 Обрыв или короткое замыкание в цепи клапана регулирования всасывания
      P062D Обрыв или короткое замыкание в цепи электронного блока привода форсунок или форсунки
      P1229 Избыточная подача топлива
      P1271 Обрыв или короткое замыкание в цепи клапана сброса давления
      P1272 Заедание клапана сброса давления в закрытом положении
  4. ОПИСАНИЕ СИСТЕМЫ УПРАВЛЕНИЯ ВПРЫСКОМ ТОПЛИВА

    ЕСМ управляет системой впрыска топлива посредством электронного блока привода форсунок, форсунок и нагнетающего топливного насоса.

    ЕСМ определяет объем и момент впрыска топлива на основании сигналов от датчика положения педали акселератора, датчика положения коленчатого вала и датчика положения распредвала. Электронный блок привода форсунок управляет форсунками на основании сигналов от ЕСМ. Кроме того, электронный блок привода форсунок управляет клапаном регулирования всасывания, установленным на нагнетающий топливный насос в сборе, помогая регулировать давление в топливной системе.

    Пьезоэлектрические форсунки, используемые в двигателе 1KD-FTV, производят характерный шум в режиме холостого хода двигателя, поскольку они работают с высокой скоростью. По этой причине, чтобы обеспечить снижение уровня шума, в зависимости от сигналов ЕСМ электронный блок привода форсунок управляет форсунками так, чтобы они работали при низкой частоте вращения коленчатого вала двигателя во время работы двигателя на холостом ходу.

    Подающий насос используется для подачи топлива из бака в нагнетающий насос.

    A01BASZE01
  5. ОПИСАНИЕ РАБОТЫ НАГНЕТАЮЩЕГО ТОПЛИВНОГО НАСОСА

    Под действием вращающегося эксцентрика в нагнетающем топливом насосе в сборе кулачковая шайба насоса перемещает плунжер A вверх, как показано на рисунке. Плунжер B (расположенный напротив плунжера A) под действием упругой силы также перемещается вверх. В результате плунжер B втягивает топливо, а плунжер A в это же время выталкивает топливо.

    A01BFU4E06
  6. ОПИСАНИЕ РАБОТЫ КЛАПАНА РЕГУЛИРОВАНИЯ ВСАСЫВАНИЯ

    Tech Tips

    ECM управляет клапаном регулирования всасывания, чтобы обеспечить регулирование объема топлива, нагнетаемого в топливной системе Common Rail нагнетающим топливным насосом. Данное регулирование выполняется для обеспечения постоянного заданного давления в топливной системе Common Rail.


    1. Незначительное открывание клапана регулирования всасывания:


      1. Если клапан регулирования всасывания открыт незначительно, происходит подача незначительного объема топлива.

      2. Объем нагнетаемого топлива становится незначительным вследствие узкого пропускного канала, несмотря на то, что плунжер совершает полный ход. В результате разницы между геометрическим объемом камеры и объемом всасываемого топлива создается разрежение.

      3. Нагнетание топлива начинается, когда давление на выходе из насоса (А) превышает давление в топливной системе Common Rail (В).

        A01BC31E01
    2. Значительное открывание клапана регулирования всасывания:


      1. Если клапан регулирования всасывания открыт значительно, объем подаваемого топлива велик.

      2. Если плунжер совершает полный ход, объем нагнетаемого топлива увеличивается вследствие широкого пропускного канала.

      3. Нагнетание топлива начинается, когда давление на выходе из насоса (А) превышает давление в топливной системе Common Rail (В).

        A01BCF2E01