СИСТЕМА ECD (для моделей без DPF), Diagnostic DTC:P0617

Код DTC Наименование DTC
P0617 Высокий уровень сигнала в цепи реле стартера

ОПИСАНИЕ

При прокручивании коленчатого вала двигателя стартером на контакт STA блока ECM подается положительное напряжение аккумуляторной батареи.

Если ECM обнаруживает сигнал управления стартером (STA) во время движения автомобиля, регистрируется неисправность в цепи управления стартера. ЕСМ включает контрольную лампу MIL и регистрирует код DTC.

Данная функция контроля работает при движении автомобиля со скоростью более 20 км/час (12,5 мили в час) в течение более 20 с.

P0617
Режим поездки при обнаружении DTC Условие обнаружения DTC Неисправный участок
Совершите на автомобиле поездку в течение не менее 25 с со скоростью не менее 20 км/час (12,5 мили в час) при частоте вращения коленчатого вала двигателя 1000 об/мин или более

Условия (a), (b) и (c) сохраняются в течение 20 с (логика диагностирования за 1 поездку):

(а) Скорость автомобиля превышает 20 км/час (12,5 мили в час).

(b) Частота вращения коленчатого вала двигателя превышает 1000 об/мин.

(c) Сигнал STA во включенном состоянии.


  • Цепь реле стартера

  • Зажигание

  • Датчик положения паркинга/нейтрали в сборе*

  • ECM

*: для моделей с автоматической трансмиссией

Сопутствующие параметры Data List
№ DTC Параметры из Data List
P0617 Starter Signal

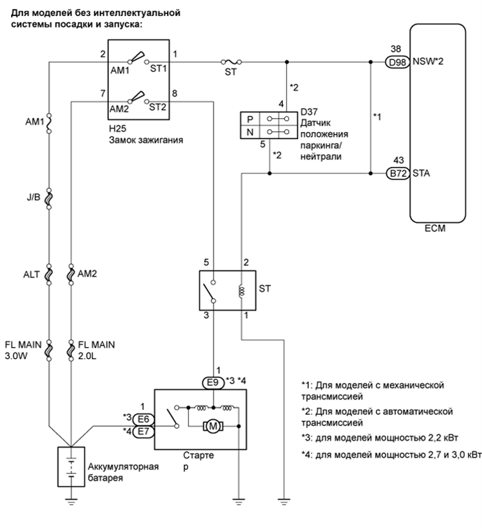
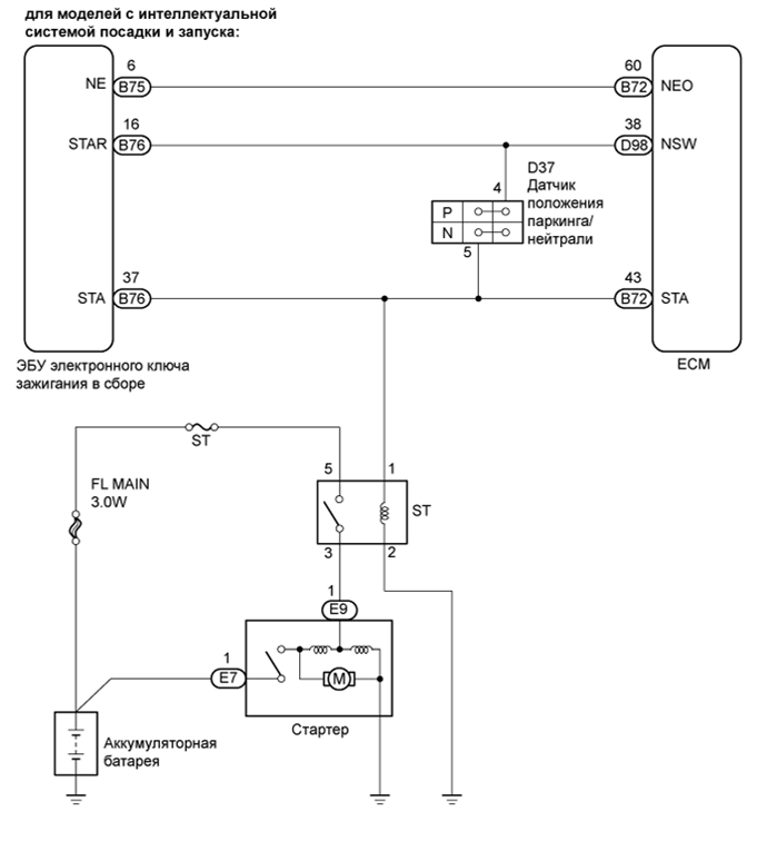
СХЕМА ЭЛЕКТРИЧЕСКИХ СОЕДИНЕНИЙ

A01BHASE01
A01BD46E04

ПОСЛЕДОВАТЕЛЬНОСТЬ ПРОВЕРКИ

Note


  • Перед выполнением следующей процедуры проверки проверьте предохранители цепей, относящихся к данной системе.

  • После замены новый ЕСМ необходимо зарегистрировать (см. стр. Click here) и инициализировать (см. стр. Click here).

  • После замены нагнетающего топливного насоса в сборе необходимо выполнить инициализацию ЕСМ (см. стр. Click here).

  • После замены форсунки необходимо выполнить регистрацию ЕСМ (см. стр. Click here).

Tech Tips


  • Следующая процедура диагностики приведена для случаев, когда коленчатый вал двигателя нормально прокручивается стартером. Если коленчатый вал двигателя не прокручивается, обратитесь к таблице признаков неисправностей (см. стр. Click here).

  • Если выводится этот DTC, проверьте стартер.

  • С помощью GTS считайте данные фиксированного набора параметров. В этих параметрах отражается состояние двигателя на момент обнаружения неисправности. При поиске неисправностей фиксированные параметры позволяют определить, двигался ли автомобиль в момент возникновения неисправности или нет, был ли прогрет двигатель и пр.

ПОРЯДОК ВЫПОЛНЕНИЯ


  1. ПРОВЕРЬТЕ СИСТЕМУ ПОСАДКИ И ЗАПУСКА


    1. Проверьте наличие системы посадки и запуска.

      Результат
      Результат Перейти К
      Для моделей без системы посадки и запуска А
      Для моделей с системой посадки и запуска B

    B
    А
  2. СНИМИТЕ ПОКАЗАНИЯ GTS (STARTER SIGNAL)


    1. Подключите GTS к DLC3.

    2. Включите зажигание и GTS.

    3. Войдите в следующие меню: Powertrain / Engine and ECT / Data List / Starter Signal.

    4. Считайте значение, отображаемое на GTS, когда зажигание включено.

      OK
      Положение замка зажигания Starter Signal
      ON (ВКЛ) OFF (ВЫКЛ)
      START ON (ВКЛ)
      Результат
      Результат Следующий шаг
      OK А
      NG (для моделей с механической трансмиссией) B
      NG (для моделей с автоматической трансмиссией) C

    А
    B
    C
  3. ПРОВЕРЬТЕ ДАТЧИК ПОЛОЖЕНИЯ ПАРКИНГА/НЕЙТРАЛИ В СБОРЕ


    1. Проверьте датчик положения паркинга/нейтрали в сборе (см. стр. Click here).


    Не разрешена к применению
    OK
  4. ПРОВЕРЬТЕ ЗАМОК ЗАЖИГАНИЯ


    1. Проверьте замок зажигания (см. стр. Click here).


    NG
    OK
  5. ПРОВЕРЬТЕ ЖГУТ ПРОВОДОВ И РАЗЪЕМ


    1. Отсоедините разъем замка зажигания.

    2. Отсоедините разъем ЭБУ.

    3. Измерьте сопротивление в соответствии со значениями, приведенными в таблице ниже.

      Номинальное сопротивление
      Подключение диагностического прибора Условие Заданные условия
      H25-1 (ST1) или B72-43 (STA) - масса и другие контакты Всегда 10 кОм или более
    4. Вновь подсоедините разъем замка зажигания.

    5. Подсоедините разъем ECM.


    NG
    OK
  6. ЗАМЕНИТЕ ECM


    1. Замените ECM (см. стр. Click here).


    ДАЛЕЕ
  7. ЗАМЕНИТЕ ДАТЧИК ПОЛОЖЕНИЯ ПАРКИНГА/НЕЙТРАЛИ В СБОРЕ


    1. Замените датчик положения паркинга/нейтрали в сборе (см. стр. Click here).


    ДАЛЕЕ
  8. ЗАМЕНИТЕ ЗАМОК ЗАЖИГАНИЯ


    1. Замените замок зажигания (см. стр. Click here).


    ДАЛЕЕ
  9. ОТРЕМОНТИРУЙТЕ ИЛИ ЗАМЕНИТЕ ЖГУТ ПРОВОДОВ ИЛИ РАЗЪЕМ


    1. Отремонтируйте или замените жгут проводов или разъем.


    ДАЛЕЕ
  10. ПРОВЕРЬТЕ, ВЫВОДИТСЯ ЛИ КОД DTC СНОВА


    1. Подключите GTS к DLC3.

    2. Сбросьте коды DTC (см. стр. Click here).

    3. Выключите зажигание.

    4. Установите замок зажигания в положение ON (ВКЛ).

    5. Совершите на автомобиле поездку в течение не менее 25 с со скоростью не менее 20 км/час (12,5 мили в час) при частоте вращения коленчатого вала двигателя 1000 об/мин или более.

    6. Убедитесь, что DTC не выводится снова.


    ДАЛЕЕ
  11. СНИМИТЕ ПОКАЗАНИЯ GTS (STARTER SIGNAL)


    1. Подключите GTS к DLC3.

    2. Включите зажигание и GTS.

    3. Войдите в следующие меню: Powertrain / Engine and ECT / Data List / Starter Signal.

    4. При включенном зажигании, во время прокручивании двигателя при запуске зафиксируйте значение, отображаемое на экране GTS.

      OK
      Положение замка зажигания Starter Signal
      Замок зажигания в положении ON (ВКЛ) OFF (ВЫКЛ)
      Коленчатый вал двигателя прокручивается стартером ON (ВКЛ)

    Не разрешена к применению
    Разрешена к применению
  12. ПРОВЕРЬТЕ ЖГУТ ПРОВОДОВ И РАЗЪЕМ (ДАТЧИК ПОЛОЖЕНИЯ ПАРКИНГА/НЕЙТРАЛИ В СБОРЕ – РЕЛЕ ST)


    1. Отсоедините разъем датчика положения паркинга/нейтрали в сборе.

    2. Извлеките реле ST.

    3. Измерьте сопротивление в соответствии со значениями, приведенными в таблице ниже.

      Номинальное сопротивление
      Подключение диагностического прибора Условие Заданные условия
      Контакт 1 реле ST или D37-5 - масса Всегда 10 кОм или более
    4. Подсоедините разъем датчика положения паркинга/нейтрали в сборе.

    5. Установите реле на место.


    NG
    OK
  13. ПРОВЕРЬТЕ ЖГУТ ПРОВОДОВ И РАЗЪЕМ (ДАТЧИК ПОЛОЖЕНИЯ ПАРКИНГА/НЕЙТРАЛИ В СБОРЕ – ECM)


    1. Отсоедините разъем датчика положения паркинга/нейтрали в сборе.

    2. Отсоедините разъем ЭБУ.

    3. Измерьте сопротивление в соответствии со значениями, приведенными в таблице ниже.

      Номинальное сопротивление
      Подключение диагностического прибора Условие Заданные условия
      D37-5 или B72-43 (STA) - масса Всегда 10 кОм или более
    4. Подсоедините разъем датчика положения паркинга/нейтрали в сборе.

    5. Подсоедините разъем ECM.


    Не разрешена к применению
    Разрешена к применению