POWER STEERING SYSTEM, Diagnostic DTC:C1552

DTC Code DTC Name
C1552 PIG Power Supply Voltage Malfunction

DESCRIPTION

When a problem occurs in the power steering system, the power source relay circuit is shut off to stop the power assist.

DTC No. DTC Detection Condition Trouble Area
C1552 PIG power source circuit malfunction inside ECU
  • PIG power source circuit

  • Power steering ECU

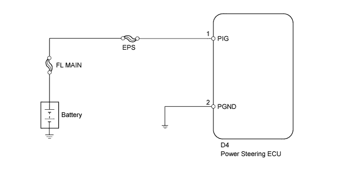
WIRING DIAGRAM

A017DI7E04

INSPECTION PROCEDURE

PROCEDURE


  1. READ VALUE USING INTELLIGENT TESTER (PIG POWER SUPPLY)


    1. Turn the ignition switch off.

    2. Connect the intelligent tester to the DLC3.

    3. Turn the ignition switch on (IG).

    4. Turn the intelligent tester on.

    5. Enter the following menus: Chassis / EMPS / Data List.

    6. Select the item "PIG Power Supply" in the Data List and read the value displayed on the intelligent tester.

      EMPS:
      Tester Display Measurement Item/Range Normal Condition Diagnostic Note
      PIG Power Supply

      PIG power supply:

      Min.: 0 V

      Max.: 20.1531 V

      11 to 14 V Power steering is in operation
      OK
      The normal condition value is displayed on the intelligent tester.

    NG
    OK
  2. CHECK HARNESS AND CONNECTOR (POWER STEERING ECU - BATTERY AND BODY GROUND)


    1. A017DM2E08

      Disconnect the connector from the power steering ECU.

    2. Measure the voltage according to the value(s) in the table below.

      Standard voltage
      Tester Connection Switch Condition Specified Condition
      D4-1 (PIG) - Body ground Ignition switch on (IG) 11 to 14 V
    3. Measure the resistance according to the value(s) in the table below.

      Standard resistance
      Tester Connection Condition Specified Condition
      D4-2 (PGND) - Body ground Always Below 1 Ω

    NG
    OK