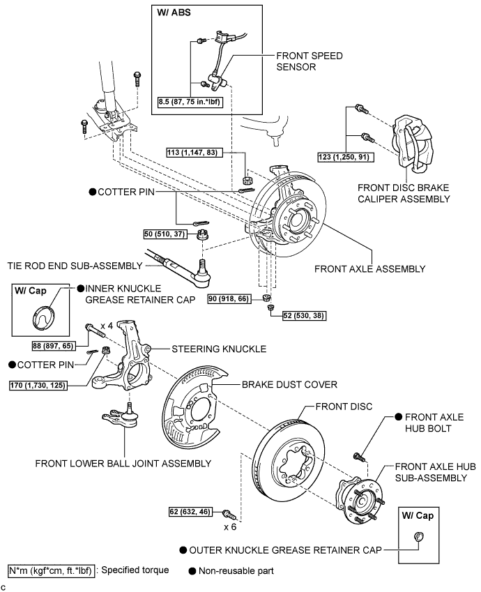
FRONT AXLE HUB BOLT COMPONENTS

ILLUSTRATION

A01BEGFE02