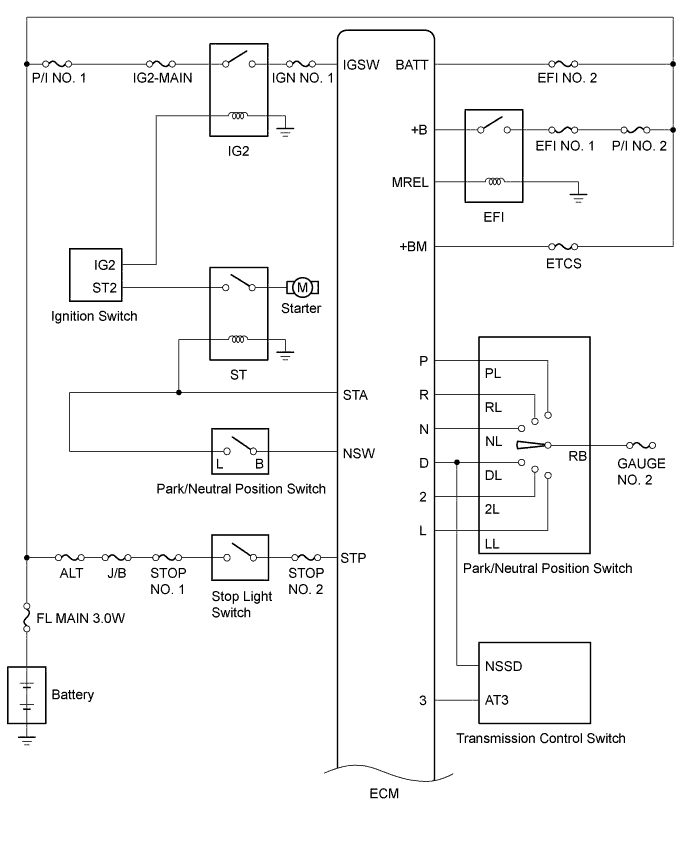
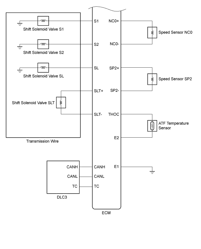
AUTOMATIC TRANSMISSION SYSTEM SYSTEM DIAGRAM

The configuration of the electronic control system for the A45DE automatic transmission is as shown in the following chart.

A01BGYUE03
A01BCPYE01