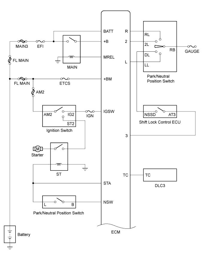
AUTOMATIC TRANSMISSION SYSTEM SYSTEM DIAGRAM

The configuration of the electronic control system for the A45DE automatic transmission is as shown in the following chart.

A01BBYEE01
A01BGY5E01