FUEL INJECTION PUMP DISASSEMBLY

Note

w/ HAC:

When re-using the governor cover assembly, to prevent oil spilling out from the bushing of the governor cover when doing steps 1 to 11, removal and installation should be done without tilting it by 45°or more from the horizontal.


  1. MOUNT PUMP ASSEMBLY TO SST (STAND)

    A01KI53E01
    SST
    09241-76022
    09245-54010
  2. REMOVE SET KEY OF INJECTION PUMP DRIVE PULLEY ON DRIVE SHAFT

  3. REMOVE THROTTLE POSITION SENSOR (w/ EGR)


    1. A01KEHAE01
      Text in Illustration
      *1 5 mm Hexagon Wrench

      Using a 5 mm hexagon wrench, remove the 3 bolts and throttle position sensor.

  4. REMOVE IDLE-UP SUB-ASSEMBLY


    1. A01KFJ5E01
      Text in Illustration
      *A w/ ACSD
      *1 5 mm Hexagon Wrench

      Using a 5 mm hexagon wrench, remove the 3 bolts and idle-up sub-assembly.

  5. REMOVE TIMER COVER SUB-ASSEMBLY (THERMO WAX) (w/ ACSD)


    1. A01KHIRE01
      Text in Illustration
      *A w/ ACSD
      *1 Metal Plate
      *a Turn

      Using a screwdriver, turn the cold starting lever by approximately. 20°counterclockwise.

    2. Put a metal plate (thickness of 8.5 to 10.0 mm (0.335 to 0.394 in.)) between the cold starting lever and thermo wax plunger.

    3. A01KEZIE01
      Text in Illustration
      *A w/ ACSD
      *1 5 mm Hexagon Wrench

      Using a 5 mm hexagon wrench, remove the 2 bolts, thermo wax and gasket.

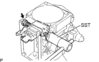
  6. REMOVE TIMING CONTROL VALVE (w/ TCV)


    1. A01KILEE01
      Text in Illustration
      *A w/ TCV

      Disconnect the dust cover from the timing control valve.

    2. Remove the nut, and disconnect the lead wire from the timing control valve.

    3. Disconnect the lead wire from the lead clamp on the distributive head.

    4. A01KFQUE01
      Text in Illustration
      *A w/ TCV
      *1 5 mm Hexagon Wrench

      Using a 5mm hexagon wrench, remove the 3 bolts, timing control valve, strainer and wave washer.

    5. Remove the 2 O-rings from the timing control valve.

  7. REMOVE ENGINE SPEED SENSOR


    1. A01KIA7E01
      Text in Illustration
      *A w/ TCV

      w/ TCV:

      Disconnect the lead wire and connector from the lead clamp on the governor cover.

    2. Remove the pickup sensor and O-ring.

    3. A01KHRWE01
      Text in Illustration
      *A w/o TCV
      *1 Lead Wire

      w/o TCV:

      Disconnect the lead wire from the lead clamp on the governor cover.

    4. w/o TCV:

      Disconnect the connector from the connector bracket on the distributive head.

    5. w/o TCV:

      Disconnect the lead wire for fuel cut solenoid from the connector.

    6. Remove the engine speed sensor and O-ring.

  8. REMOVE CONNECTOR BRACKET


    1. A01KIOHE01
      Text in Illustration
      *1 6 mm Hexagon Wrench

      Using a 6 mm hexagon wrench, remove the bolt and connector bracket.

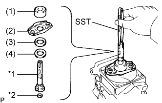
  9. REMOVE FUEL CUT SOLENOID ASSEMBLY


    1. A01KGM4

      Disconnect the dust cover from the fuel cut solenoid.

    2. Remove the nut and lead wire.

    3. A01KHZ3E01

      Remove the fuel cut solenoid, O-ring, spring (1), valve (2), strainer (3) and wave washer (4).

  10. REMOVE ADJUSTING LEVER SUB-ASSEMBLY


    1. A01KF8G

      Remove the bolt, nut, No. 1 and No. 2 adjusting levers and return spring.

  11. REMOVE GOVERNOR COVER SUB-ASSEMBLY


    1. A01KIM7E01
      Text in Illustration
      *1 5 mm Hexagon Wrench

      w/ HAC:

      Remove the idle speed adjusting screw.

    2. Using a 5 mm hexagon wrench, remove the 4 bolts.

    3. A01KIL8E01
      Text in Illustration
      *A M/T
      *B A/T
      *1 Speed Control Spring
      *2 Damper Spring
      *3 Spring Seat
      *a Disconnect

      Disconnect the adjusting lever shaft from the governor cover, and remove the governor cover and gasket.

    4. M/T:

      Remove the adjusting lever shaft, speed control spring, spring seat and damper spring from the governor link.

    5. A/T:

      Disconnect the adjusting lever shaft from the governor link, and remove the adjusting lever shaft.

    6. Remove the O-ring and plate washer from the adjusting lever shaft.

      Note

      w/ HAC:

      After removing the governor cover assembly, do not place it at an angle of 45°or more from the horizontal.

  12. REMOVE HIGH ALTITUDE COMPENSATOR (w/ HAC:)


    1. A01KEDNE01
      Text in Illustration
      *A w/ HAC
      *1 Bolt
      *2 Gasket
      *3 Lever Control Spring
      *4 Rubber Cap

      Remove lever control spring.

      Remove the bolt, gasket and lever control spring.

    2. Remove rubber cap.

    3. A01KG13E01
      Text in Illustration
      *A w/ HAC
      *1 5 mm Hexagon Wrench

      Remove the pneumatic bellows.


      1. Using a 5 mm hexagon wrench, remove the 4 bolts, pneumatic bellows cover and gasket.

      2. A01KEYXE01
        Text in Illustration
        *A w/ HAC

        Remove the pneumatic bellows and 2 rubber caps (1), push rod (2) and pneumatic bellows spring (3).

    4. Remove the control lever.


      1. A01KHBRE01
        Text in Illustration
        *A w/ HAC
        *1 4 mm Hexagon Wrench

        Using a 4 mm hexagon wrench, remove the 2 bolts and gaskets.

      2. A01KGPQE01
        Text in Illustration
        *A w/ HAC

        Using a small screwdriver, push out the support pin and remove the control lever.

      3. A01KFWPE01
        Text in Illustration
        *A w/ HAC
        *1 Tape

        Using needle nose pliers, remove the connecting pin.

        Note

        Be careful not to damage the connecting pin. Tape the tip of the pliers.

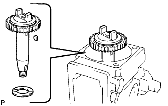
  13. REMOVE GOVERNOR SHAFT AND FLYWEIGHT HOLDER


    1. Check the flyweight holder thrust clearance Click here.

    2. A01KHH4E01
      Text in Illustration
      *a Turn

      Remove the governor shaft lock nut by turning it clockwise.

      Note

      The governor shaft and lock nut have LH threads.

    3. A01KEWRE01
      Text in Illustration
      *1 5 mm Hexagon Wrench

      Using a 5 mm hexagon wrench, remove the governor shaft clockwise, and remove the flyweight holder assembly (1), No. 1 flyweight washer (2) and governor gear adjusting washer (3).

      Note

      Be careful not to drop the 2 washers into the pump housing.

    4. Remove the O-ring from the governor shaft.

    5. A01KH3WE01

      Remove the governor sleeve (1) No. 2 flyweight washer (2) and 4 flyweights (3) from the flyweight holder.

  14. REMOVE DISTRIBUTIVE HEAD PLUG


    1. A01KEJ6E01

      Using SST, remove the distributive head plug and O-ring.

      SST
      09260-54012   ( 09262-54010 )
  15. REMOVE INJECTION PUMP DELIVERY VALVE SUB-ASSEMBLY


    1. A01KEXIE01

      Using SST, remove the 4 delivery valve holders and springs.

      SST
      09260-54012   ( 09269-54020 )
    2. Remove the 4 delivery valves and gaskets.

      Note

      Do not touch the sliding surfaces of the delivery valve by hand.

      Tech Tips

      Arrange the delivery valves, springs, and holders in order.

  16. REMOVE DISTRIBUTIVE PUMP HEAD SUB-ASSEMBLY


    1. A01KIPFE01
      Text in Illustration
      *A (w/ TCV)
      *1 5mm Hexagon Wrench
      *2 Clamp

      Using a 5 mm hexagon wrench, remove the 4 bolts and lead clamp (w/ TCV).

    2. A01KGYTE01

      Remove the distributive head and 2 lever support springs (1), 2 plunger spring guides (2), 2 plunger spring shims (3), 2 upper spring seats (4) and 2 plunger springs (5).

    3. Remove the O-ring from the distributive head.

  17. REMOVE PUMP PLUNGER


    1. A01KGKDE01
      Text in Illustration
      *1 Plunger
      *2 Shim

      Using SST, remove the pump plunger and plunger adjusting shim together with the spill ring (1), lower spring seat (2), upper plunger plate (3) and lower plunger plate (4).

      SST
      09260-54012   ( 09269-54030 )

      Note

      Do not touch the sliding surfaces of the pump plunger by hand.

  18. REMOVE GOVERNOR LINK


    1. A01KH8ME01

      Using SST, remove the 2 support bolts, 2 gaskets and governor link.

      SST
      09260-54012   ( 09269-54040 )
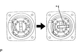
  19. REMOVE FACE CAMPLATE


    1. A01KGIRE01
      Text in Illustration
      *1 Face Camplate
      *2 Coupling
      *3 Spacer

      Remove the face camplate, coupling and spacers.

  20. REMOVE ROLLER RING AND DRIVE SHAFT


    1. A01KEPJE01
      Text in Illustration
      *1 Clip
      *2 Stopper Pin

      Remove the clip and stopper pin.

    2. A01KFFEE01
      Text in Illustration
      *1 Slide Pin

      Push the slide pin toward inside.

    3. A01KHVN

      Push the drive shaft, and remove the roller ring, 4 rollers and washers assembly.

      Note


      • Be careful not to drop the rollers.

      • Do not alter the position or assembly of the rollers.

    4. A01KFQP

      Remove the drive shaft, governor drive gear, 2 joint rubbers assembly, set key and drive shaft washer.

    5. Remove the drive gear and 2 joint rubbers from the drive shaft.

  21. REMOVE TIMER PISTON ASSEMBLY


    1. A01KG5RE01
      Text in Illustration
      *1 5 mm Hexagon Wrench

      Using a 5 mm hexagon wrench, remove the 2 LH timer cover bolts.

    2. A01KHH0E01

      Remove the LH timer cover, timer adjusting screw, nut assembly (1), gasket (2), spring washer (3), timer outer spring (4), timer inner spring (5), timer piston (6) and timer sub-piston (7).

    3. A01KH2YE01
      Text in Illustration
      *1 5 mm Hexagon Wrench

      Remove the nut from the LH timer cover.

    4. Using a 5 mm hexagon wrench, remove the timer adjusting screw.

    5. Remove the O-ring from the timer adjusting ring.

    6. A01KH6FE01
      Text in Illustration
      *1 5 mm Hexagon Wrench

      Using a 5 mm hexagon wrench, remove the 2 bolts, RH timer cover and O-ring.

  22. REMOVE FUEL FEED PUMP SUB-ASSEMBLY


    1. A01KI9O

      Remove the 2 screws.

    2. Using a piece of wire, remove the feed pump cover.

    3. Remove the feed pump rotor, 4 blades and liner.

      Note


      • Be careful not to interchange the blade positions.

      • Be careful not to damage the pump body.

  23. REMOVE REGULATOR VALVE SUB-ASSEMBLY


    1. A01KHP7E01

      Using SST, remove the regulator valve and 2 O-rings.

      SST
      09260-54012   ( 09262-54020 )
  24. REMOVE FUEL INLET HOLLOW SCREW


    1. Remove the hollow screw and gasket.

  25. REMOVE OIL SEAL


    1. A01KGLJ

      Using a wrench, pry out the oil seal.