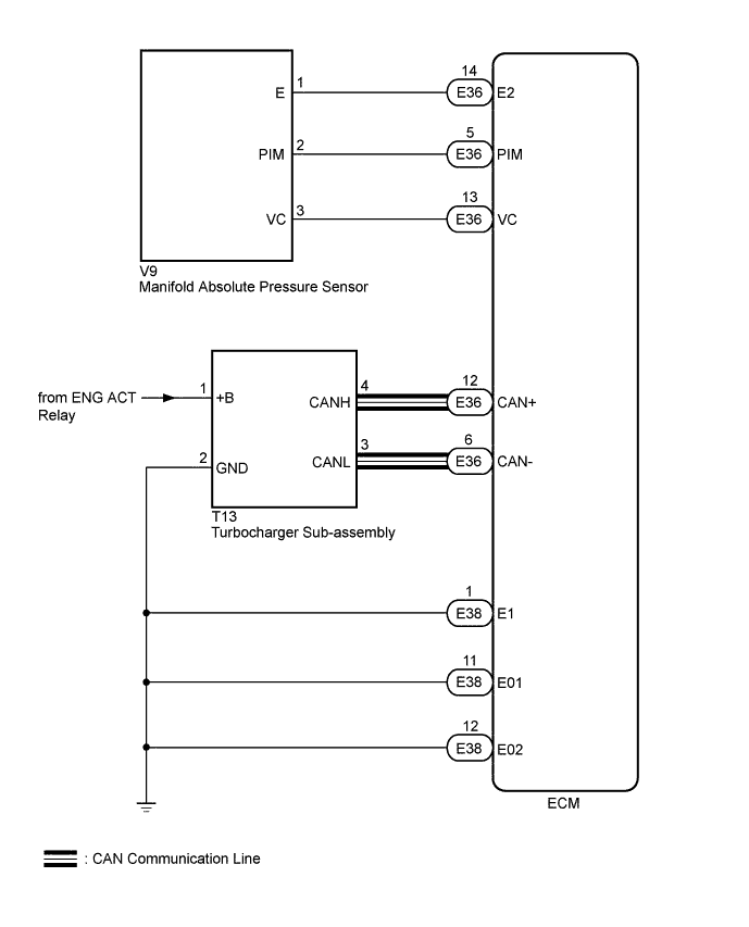
INTAKE SYSTEM SYSTEM DIAGRAM

A01CI8WE01