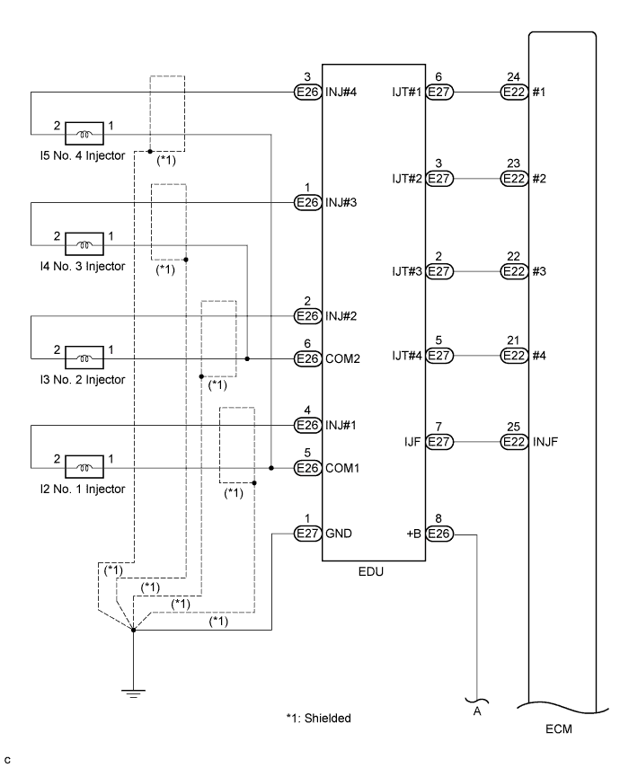
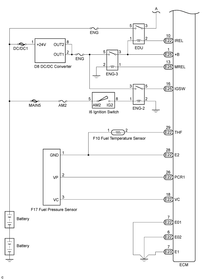
FUEL SYSTEM SYSTEM DIAGRAM


A01CGLVE04
A01CH48E05