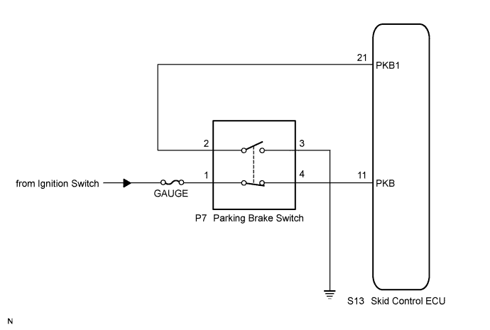
EASY AND SMOOTH START SYSTEM Parking Brake Switch Circuit

WIRING DIAGRAM

A01CHVKE01

INSPECTION PROCEDURE

PROCEDURE


  1. INSPECT PARKING BRAKE SWITCH (POWER SOURCE CIRCUIT)


    1. Disconnect the parking brake switch connector.

    2. A01CHMIE29
      Text in Illustration
      *1

      Front view of wire harness connector

      (to Parking Brake Switch)

      Turn the ignition switch to ON.

    3. Measure the voltage according to the value(s) in the table below.

      Standard Voltage
      Tester Connection Condition Specified Condition
      P7-1 - Body ground Ignition switch ON 20 to 32 V

    NG
    OK
  2. INSPECT PARKING BRAKE SWITCH


    1. Turn the ignition switch off.

    2. A01CGS6E01
      Text in Illustration
      *1

      Component without harness connected

      (Parking Brake Switch)

      Measure the resistance according to the value(s) in the table below.

      Standard Resistance
      Tester Connection Condition Specified Condition
      1 - 4

      Parking brake switch OFF

      (Switch pin pushed in)

      Below 1 Ω
      1 - 4

      Parking brake switch ON

      (Switch pin free)

      10 kΩ or higher
      2 - 3

      Parking brake switch OFF

      (Switch pin pushed in)

      10 kΩ or higher
      2 - 3

      Parking brake switch ON

      (Switch pin free)

      Below 1 Ω

    NG
    OK
  3. CHECK SKID CONTROL ECU (PKB AND PKB1 TERMINALS)


    1. Disconnect the skid control ECU connector.

    2. Measure the resistance according to the value(s) in the table below.

      Standard Resistance
      Tester Connection Condition Specified Condition
      S13-11 (PKB) - P7-4 Always Below 1 Ω
      S13-11 (PKB) - Body ground Always 10 kΩ or higher
      S13-21 (PKB1) - P7-2 Always Below 1 Ω
      S13-21 (PKB1) - Body ground Always 10 kΩ or higher
      P7-3 - Body ground Always Below 1 Ω

      Tech Tips

      If troubleshooting has been carried out according to Problem Symptoms Table, refer back to the table and proceed to the next step Click here.


    NG
    OK