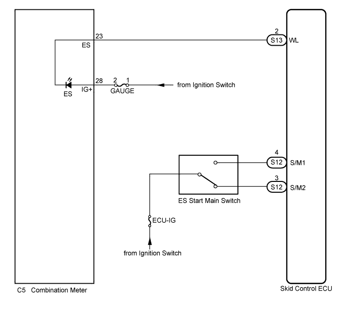
EASY AND SMOOTH START SYSTEM ES Start Indicator Light Circuit

WIRING DIAGRAM

A01CHCVE01

INSPECTION PROCEDURE

PROCEDURE


  1. CHECK DTC


    1. Check if ABS system DTC or ES start system DTC are output Click here.

      Result
      Result Proceed to
      DTC is not output A
      DTC is output (for ABS system) B
      DTC is output (for ES start system) C

    B
    C
    A
  2. CHECK IF SKID CONTROL ECU CONNECTOR IS SECURELY CONNECTED


    1. Check if the skid control ECU connector is securely connected.

      OK
      The connector is securely connected.

    NG
    OK
  3. CHECK HARNESS AND CONNECTOR (SKID CONTROL ECU - COMBINATION METER)


    1. Turn the ignition switch off.

    2. Disconnect the skid control ECU connector and combination meter connector.

    3. Measure the resistance according to the value(s) in the table below.

      Standard Resistance
      Tester Connection Condition Specified Condition
      S13-2 (WL) - C5-23 (ES) Always Below 1 Ω
      S13-2 (WL) - Body ground Always 10 KΩ or higher

    NG
    OK
  4. INSPECT COMBINATION METER


    1. A01CHPQE03
      Text in Illustration
      *1

      Rear view of wire harness connector

      (to Skid Control ECU)

      Reconnect the combination meter connector.

    2. Connect the 2 batteries in series and apply 24 V to terminal S13-2 (WL) of the wire harness connector.

    3. Check the combination meter.

      OK
      The ES start indicator light comes on.

      Tech Tips

      If troubleshooting has been carried out according to Problem Symptoms Table, refer back to the table and proceed to the next step Click here.


    NG
    OK