EASY AND SMOOTH START SYSTEM, Diagnostic DTC:P0562/5, P0563/5

DTC Code DTC Name
P0562/5 System Voltage Low
P0563/5 System Voltage High

DESCRIPTION

The electric vehicle control ECU assembly monitors for malfunctions in the battery voltage or power supply circuit, and prohibits ES system control system if a malfunction is detected.

DTC No. Detection Condition Trouble Area
P0562/5 Abnormally low power supply voltage detected (less than 16 V).
  • VCS ACT relay (driver side junction block assembly)

  • PWR1 fuse

  • ECU-B fuse

  • Battery

  • Power source circuit

  • Electric vehicle control ECU assembly

P0563/5 Abnormally high power supply voltage detected (more than 32 V).

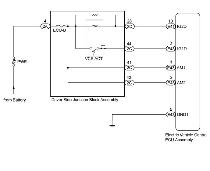
WIRING DIAGRAM

A01CHORE01

INSPECTION PROCEDURE

Note


  • After replacing the electric vehicle control ECU assembly, perform clutch pedal stroke sensor assembly release position calibration Click here.

  • Inspect the fuses for circuits related to this system before performing the following inspection procedure.

  • DTCs stored in the electric vehicle control ECU assembly are not cleared even after the system returns to a normal condition, so clear the DTCs after performing troubleshooting Click here.

PROCEDURE


  1. CHECK ELECTRIC VEHICLE CONTROL ECU ASSEMBLY (AM1, AM2 TERMINAL)


    1. Turn the ignition switch to ON.

    2. A01CHH1E03
      Text in Illustration
      *a

      Component with harness connected

      (to Electric Vehicle Control ECU Assembly)

      Measure the voltage according to the value(s) in the table below.

      Standard Voltage
      Tester Connection Condition Specified Condition
      E43-1 (AM1) - Body ground Always 20 to 28 V
      E43-2 (AM2) - Body ground Always 20 to 28 V

    NG
    OK
  2. CHECK ELECTRIC VEHICLE CONTROL ECU ASSEMBLY (GND1 TERMINAL)


    1. A01CHH1E04
      Text in Illustration
      *a

      Component with harness connected

      (to Electric Vehicle Control ECU Assembly)

      Turn the ignition switch to ON.

    2. Measure the voltage according to the value(s) in the table below.

      Standard Voltage
      Tester Connection Switch Condition Specified Condition
      E43-5 (GND1) - Body ground Ignition switch ON Below 1 V

    NG
    OK
  3. PERFORM ACTIVE TEST USING INTELLIGENT TESTER


    1. Warm up the engine.

    2. Turn the ignition switch off.

    3. Replace the normal DLC3 cable (12 V specification) for the intelligent tester with the 24 V DLC3 cable.

      Note

      Be sure to use the 24 V DLC3 cable when connecting the intelligent tester to the DLC3. Using the normal DLC3 cable (12 V specification) will cause damage to the tester.

    4. Connect the intelligent tester to the DLC3.

    5. Turn the ignition switch to ON.

    6. Turn the intelligent tester on.

    7. Enter the following menus: Powertrain / Vehicle Control / Active Test.

    8. According to the display on the intelligent tester, perform the Active Test.

      Vehicle Control
      Tester Display Test Part Control Range Diagnostic Note
      Actuator Relay VCS ACT relay Relay ON / OFF

      Test is possible when the following conditions are met:


      • Engine stopped


      • Shift lever in N


      • Ignition switch is ON

    9. Check for operating sound of the VCS ACT relay when operating it with the intelligent tester.

      OK
      Actuator relay operates correctly (relay operating sound can be heard).

    NG
    OK
  4. CHECK DRIVER SIDE JUNCTION BLOCK ASSEMBLY


    1. Turn the ignition switch off.

    2. Disconnect the driver side junction block assembly connector.

    3. A01CIXAE01
      Text in Illustration
      *a

      Component without harness connected

      (Driver Side Junction Block Assembly)

      Measure the resistance according to the value(s) in the table below.

      Standard Voltage
      Tester Connection Switch Condition Specified Condition
      2C-44 - Body ground Ignition switch ON 20 to 28 V
    4. Reconnect the driver side junction block assembly connector.


    NG
    OK
  5. CHECK HARNESS AND CONNECTOR (DRIVER SIDE JUNCTION BLOCK ASSEMBLY - ELECTRIC VEHICLE CONTROL ECU ASSEMBLY)


    1. Turn the ignition switch off.

    2. Disconnect the electric vehicle control ECU assembly connector.

    3. A01CIELE01
      Text in Illustration
      *a

      Front view of wire harness connector

      (Electric Vehicle Control ECU Assembly)

      Measure the voltage according to the value(s) in the table below.

      Standard Voltage
      Tester Connection Switch Condition Specified Condition
      E43-3 (IG1D) - Body ground Ignition switch ON 20 to 28 V
    4. Reconnect the electric vehicle control ECU assembly connector.


    NG
    OK
  6. CLEAR DTC


    1. Clear the DTCs Click here.


    NEXT
  7. CHECK FOR DTC


    1. Check for DTCs Click here.

      Result
      Result Proceed to
      DTC is not output A
      DTC is output B

    B
    A
  8. CHECK HARNESS AND CONNECTOR (ELECTRIC VEHICLE CONTROL ECU ASSEMBLY - BATTERY)

    Note

    After turning the ignition switch off, waiting time may be required before disconnecting the cable from the negative (-) auxiliary battery terminal. Therefore, make sure to read the disconnecting the cable from the negative (-) auxiliary battery terminal notices before proceeding with work Click here.


    1. Disconnect the cable from the negative (-) battery terminal.

    2. Disconnect the cable from the positive (+) battery terminal.

    3. Disconnect the E43 electric vehicle control ECU assembly connector.

    4. Measure the resistance according to the value(s) in the table below.

      Standard Resistance
      Tester Connection Condition Specified Condition
      E43-1 (AM1) - battery positive terminal Always Below 1 Ω
      E43-2 (AM2) - battery positive terminal Always Below 1 Ω
      E43-1 (AM1) or battery positive terminal - Body ground Always 10 kΩ or higher
      E43-2 (AM2) or battery positive terminal - Body ground Always 10 kΩ or higher

    NG
    OK
  9. CHECK DRIVER SIDE JUNCTION BLOCK ASSEMBLY


    1. Turn the ignition switch off.

    2. Disconnect the driver side junction block assembly connector.

    3. A01CH0JE01
      Text in Illustration
      *a

      Component without harness connected

      (Driver Side Junction Block Assembly)

      Measure the voltage according to the value(s) in the table below.

      Standard Voltage
      Tester Connection Switch Condition Specified Condition
      2D-28 - Body ground 15 seconds or more after ignition switch off 20 to 28 V
    4. Reconnect the driver side junction block assembly connector.


    NG
    OK
  10. CHECK HARNESS AND CONNECTOR (DRIVER SIDE JUNCTION BLOCK ASSEMBLY - ELECTRIC VEHICLE CONTROL ECU ASSEMBLY)


    1. Turn the ignition switch off.

    2. Disconnect the electric vehicle control ECU assembly connector.

    3. A01CIZWE01
      Text in Illustration
      *a

      Front view of wire harness connector

      (Electric Vehicle Control ECU Assembly)

      Measure the voltage according to the value(s) in the table below.

      Standard Voltage
      Tester Connection Switch Condition Specified Condition
      E41-10 (1G2D) - Body ground 15 seconds or more after ignition switch off 20 to 28 V
    4. Reconnect the electric vehicle control ECU assembly connector.


    NG
    OK
  11. CHECK ELECTRIC VEHICLE CONTROL ECU ASSEMBLY


    1. A01CIQ4E01
      Text in Illustration
      *a

      Component with harness connected

      (to Electric Vehicle Control ECU Assembly)

      Measure the voltage according to the value(s) in the table below.

      Standard Voltage
      Tester Connection Switch Condition Specified Condition
      E41-10 (IG2D) - Body ground Ignition switch ON Below 1 V

    NG
    OK
  12. CLEAR DTC


    1. Clear the DTCs Click here.


    NEXT
  13. CHECK FOR DTC


    1. Check for DTCs Click here.

      Result
      Result Proceed to
      DTC is not output A
      DTC is output B

    B
    A