POWER TAKE-OFF SYSTEM Power Take-off cannot be Sustained

DESCRIPTION

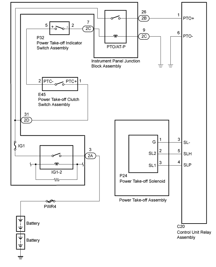
The control unit relay assembly applies power take-off activation voltage to terminals SLP and SLH when the unit receives an input signal from the power take-off indicator switch.

After the activation voltage is applied, the power take-off assembly begins operation.

Signals from terminal SLP will stop being output approximately 5 seconds after the control unit relay assembly begins operation (voltage input to terminal SL1 of the power take-off assembly is 0 V). At this time, only voltage output from terminal SLH is present, which sustains the power take-off operation.

Turning the power take-off indicator switch off will stop the output from terminal SLH (voltage input to terminal SL2 of the power take-off assembly is 0 V), and the power take-off returns to the original position due to the return spring.

WIRING DIAGRAM

A01CJDXE01

INSPECTION PROCEDURE

Note

Inspect the fuses for circuits related to this system before performing the following inspection procedure.

PROCEDURE


  1. INSPECT POWER TAKE-OFF ASSEMBLY


    1. A01CJ4QE02

      Disconnect the P24 power take-off assembly connector.

    2. Measure the resistance according to the value(s) in the table below.

      Standard Resistance
      Tester Connection Condition Specified Condition
      2 (SL2) - 1 (G) Coil temperature at 20°C (68°F) 35 Ω
      3 (SL1) - 1 (G) Coil temperature at 20°C (68°F) 2.9 Ω
    3. Reconnect the P24 power take-off assembly connector.


    NG
    OK
  2. CHECK CONTROL UNIT RELAY ASSEMBLY (OUTPUT VOLTAGE)


    1. A01CGNLE03
      Text in Illustration
      *a

      Front view of wire harness connector

      (to Power Take-off Assembly)

      Disconnect the P24 power take-off assembly connector.

    2. Measure the voltage according to the value(s) in the table below.

      Standard Voltage
      Tester Connection Condition Specified Condition
      P24-3 (SL1) - Body ground
      • Ignition switch ON

      • Power take-off indicator switch ON

      • Power take-off clutch switch ON

      • Within 5 seconds after turning on power take-off indicator switch

      20 to 28 V
      P24-2 (SL2) - Body ground
      • Ignition switch ON

      • Power take-off indicator switch ON

      • Power take-off clutch switch ON

      20 to 28 V
    3. Reconnect the P24 power take-off assembly connector.


    NG
    OK
  3. CHECK HARNESS AND CONNECTOR (POWER TAKE-OFF ASSEMBLY - CONTROL UNIT RELAY ASSEMBLY)


    1. Disconnect the P24 power take-off assembly connector.

    2. Disconnect the C20 control unit relay assembly connector.

    3. Measure the resistance according to the value(s) in the table below.

      Standard Resistance
      Tester Connection Condition Specified Condition
      P24-1 (G) - C20-3 (SL-) Always Below 1 Ω
      P24-2 (SL2) - C20-5 (SLH) Always Below 1 Ω
      P24-3 (SL1) - C20-4 (SLP) Always Below 1 Ω
      P24-1 (G) - Body ground Always 10 kΩ or higher
      P24-2 (SL2) - Body ground Always 10 kΩ or higher
      P24-3 (SL1) - Body ground Always 10 kΩ or higher
    4. Reconnect the P24 power take-off assembly connector and C20 control unit relay assembly connector.


    NG
    OK
  4. CHECK CONTROL UNIT RELAY ASSEMBLY (POWER SOURCE CIRCUIT)

    A01CGQVE14
    Text in Illustration
    *a

    Front view of wire harness connector

    (to Control Unit Relay Assembly)


    1. Disconnect the C20 control unit relay assembly connector.

    2. Measure the voltage according to the value(s) in the table below.

      Standard Voltage
      Tester Connection Condition Specified Condition
      C20-1 (PTO+) - C20-6 (PTO-)
      • Ignition switch ON

      • Power take-off indicator switch ON

      • Power take-off clutch switch ON

      20 to 28 V

    NG
    OK
  5. CHECK HARNESS AND CONNECTOR (INSTRUMENT PANEL JUNCTION BLOCK ASSEMBLY - CONTROL UNIT RELAY ASSEMBLY)


    1. Disconnect the 2B instrument panel junction block assembly connector.

    2. Disconnect the C20 control relay assembly connector.

    3. Measure the resistance according to the value(s) in the table below.

      Standard Resistance
      Tester Connection Condition Specified Condition
      2B-26 - C20-1 (PTO+) Always Below 1 Ω

    NG
    OK
  6. CHECK INSTRUMENT PANEL JUNCTION BLOCK ASSEMBLY


    1. A01CIVSE01
      Text in Illustration
      *a

      Component with harness connected

      (Instrument Panel Junction Block Assembly)

      Remove the instrument panel junction block assembly with the connector(s) still connected.

    2. A01CJCHE01
      Text in Illustration
      *a

      Front view of wire harness connector

      (to Instrument Panel Junction Block Assembly)

      Measure the voltage according to the value(s) in the table below.

      Standard Voltage
      Tester Connection Condition Specified Condition
      2A-3 - 2B-26
      • Ignition switch ON

      • Power take-off indicator switch ON

      • Power take-off clutch switch ON

      0 V
      2A-3 - 2C-9
      • Ignition switch ON

      • Power take-off indicator switch ON

      • Power take-off clutch switch ON

      20 to 28 V
      2A-3 - Body ground Always 20 to 28 V
    3. Disconnect the 2C instrument panel junction block assembly connector.

    4. Measure the resistance according to the value(s) in the table below.

      Standard Resistance
      Tester Connection Condition Specified Condition
      2C-7 - 2C-9 Always 2.6 to 2.8 kΩ
      Result
      Result Proceed to
      OK A

      OK (2A-3 - Body ground)

      NG (2A-3 - 2B-26 or 2C-9)

      B
      NG (2A-3 - Body ground) C

    B
    C
    A