POWER TAKE-OFF SYSTEM SYSTEM DESCRIPTION


  1. General


    1. In addition to the current manual and vacuum shift type transmission power take-offs, an electric shift type transmission power take-off (20 kg-m) has been adopted. A new controller is used to control the electric shift type power take-off.

      A01CJ1ZE02
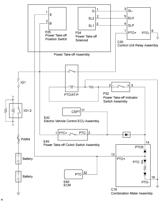
    2. The control unit relay assembly applies power take off activation voltage to terminals SLP and SLH when the unit receives an input signal from the power take-off indicator switch.

      After the activation voltage is applied, the power take-off assembly begins operation.

      Signals from terminal SLP will stop being output approximately 5 seconds after the control unit relay assembly begins operation (voltage input to terminal SL1 of the power take-off assembly is 0 V). At this time only voltage output from terminal SLH is present, which sustains the power take-off operation.

      Turning the power take-off position switch OFF will stop the output from terminal SLH (voltage input to terminal SL2 of the power take-off assembly is 0 V), and the power take-off returns to the original position due to the return spring.

      A01CIA5E02
  2. TROUBLESHOOTING PROCEDURE


    1. Measure the voltage and check the conditions.


      1. Disconnect the power take-off assembly connector.

      2. Start the engine.

      3. Depress the clutch pedal (power take-off clutch switch ON).

      4. Measure the voltage and check the symptoms in the table below.

        Tech Tips


        • If the result is OK, proceed to the next conditions.

        • If the result is NG, check the suspected area and symptom and proceed to "PROBLEM SYMPTOMS TABLE" Click here.

        Condition 1: Power take-off indicator switch ON:
        Terminal Specified Condition
        SL1 20 to 28 V
        SL2 20 to 28 V

        Symptom: Power take-off does not operate.

        Condition 2: Power take-off indicator switch ON after 5 seconds or more
        Terminal Specified Condition
        SL1 0 V
        SL2 20 to 28 V

Symptom: Power take-off cannot be sustained.

Condition 3 : Power take-off indicator switch OFF
Terminal Specified Condition
SL1 0 V
SL2 0 V

Symptom: Power take-off does not return to the original position.