POWER WINDOW CONTROL SYSTEM FAIL-SAFE CHART


  1. POWER WINDOW OPERATION IN FAIL-SAFE MODE

    Tech Tips

    If the pulse sensor built into the power window regulator motor malfunctions, the power window control system enters fail-safe mode.


    1. The power window control system prohibits the following power window operations when the pulse sensor for the jam protection function has problems and the window position or the learned value is abnormal.

      Power Window Regulator Master Switch Assembly
      Power Window Operation Condition
      Ignition switch ON

      Ignition switch off

      (Key-off operation permitted)

      Ignition switch off

      (Key-off operation prohibited)

      Manual up (Driver side door window) X X -
      Manual down (Driver side door window) X -

      Auto up (Driver side door window)

      (hold switch at auto up position)

      ○* X -
      Auto up (Driver side door window) X X -
      Auto down (Driver side door window) X X -

      Tech Tips


      • ○: Operates

      • X: Operation prohibited

      • *: Operates in manual mode without jam protection


      1. Power window switch LED control

        Tech Tips

        During normal operation (fail-safe is not operating), or during fail-safe mode when there is a pulse sensor malfunction or the window position or learned value is abnormal, the LED illuminate as shown in the illustration.

        A01VLXLE01
      2. Fail-safe deactivation condition


        • When the pulse sensor is normal, to deactivate fail-safe mode, pull up the power window switch to the auto up position and hold it for at least 1 second to fully close the window from the fully open position. As a result, the auto up/down function will return.

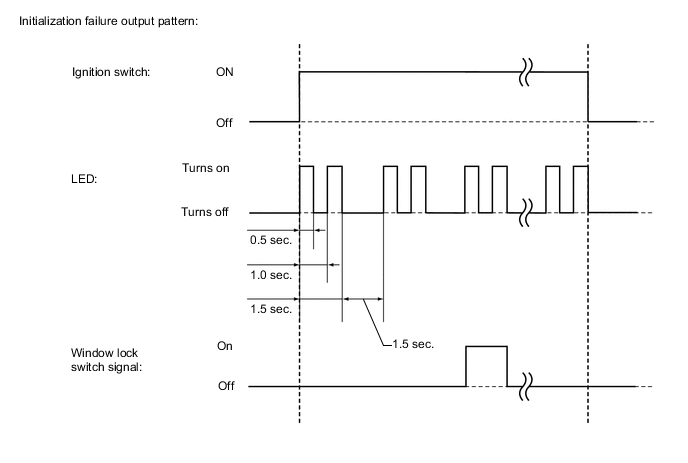
    2. Initialization failure

      Tech Tips

      During initialization of the power window regulator motor ECU, when the window position or initialization complete status cannot be properly read from the EEPROM, the power window control system prohibits the operations as follows:

      Power Window Regulator Master Switch Assembly
      Power Window Operation Condition
      Ignition switch ON

      Ignition switch off

      (Key-off operation permitted)

      Ignition switch off

      (Key-off operation prohibited)

      Manual up (Driver side door window) X X -
      Manual down (Driver side door window) X -

      Auto up (Driver side door window)

      (hold switch at auto up position)

      ○* X -
      Auto up (Driver side door window) X X -
      Auto down (Driver side door window) X X -

      Tech Tips


      • ○: Operates

      • X: Operation prohibited

      • *: Operates in manual mode without jam protection


      1. Power window switch LED control

        Tech Tips

        During initialization of the power window regulator motor ECU, when the window position or initialization complete status cannot be properly read from the EEPROM during fail-safe mode, the LED illuminates as shown in the illustration.

        A01VH99E01
    3. LIN communication failure

      Tech Tips

      If the LIN communication line malfunctions (communication stop), the power window control system prohibits the operations as follows:

      Power Window Regulator Master Switch Assembly
      Power Window Operation Condition
      Ignition switch ON
      Manual up ○*
      Manual down
      Auto up (hold switch at auto up position) ○*
      Auto up ○*
      Auto down

      Tech Tips


      • ○: Operates

      • X: Operation prohibited

      • *: Jam protection can operate.

    4. LIN communication failure and pulse sensor failure

      Tech Tips

      If the LIN communication line malfunctions (communication stop) and the pulse sensor for the jam protection function has problems, the power window control system prohibits the operations as follows:

      Power Window Regulator Master Switch Assembly
      Power Window Operation Condition
      Always
      Manual up X
      Manual down X
      Auto up (hold switch at auto up position) X
      Auto up X
      Auto down X

      Tech Tips


      • ○: Operates

      • X: Operation prohibited

    5. LIN communication failure and abnormal window position learned value or initialization failure

      Tech Tips

      If the LIN communication line malfunctions (communication stop) and the window position or the learned value is abnormal, the power window control system prohibits the operations as follows:

      Power Window Regulator Master Switch Assembly
      Power Window Operation Condition
      Always
      Manual up ○*
      Manual down
      Auto up (hold switch at auto up position) ○*
      Auto up -
      Auto down -

      Tech Tips


      • ○: Operates

      • *: Jam protection can operate and window reverses upon reaching the fully closed position.