LIGHTING SYSTEM Interior Light Auto Cut Circuit

DESCRIPTION

When battery saving control operates while the interior lights are on, the main body ECU opens the DOME CUT relay to turn off the lights.

WIRING DIAGRAM

A01VGBYE05

CAUTION / NOTICE / HINT

Note

Inspect the fuses for circuits related to this system before performing the following inspection procedure.

PROCEDURE


  1. PERFORM ACTIVE TEST USING INTELLIGENT TESTER


    1. Connect the intelligent tester to the DLC3.

    2. Turn the ignition switch to ON.

    3. Turn the intelligent tester on.

    4. Enter the following menus: Body / Main Body / Active Test.

    5. Check that the relay operates.

      Main Body
      Tester Display Test Part Control Range Diagnostic Note
      Relay for Interior Light Auto Cut Function DOME Relay OFF or ON -
      OK
      Dome relay operates.

    OK
    NG
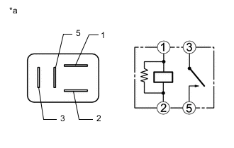
  2. INSPECT DOME RELAY


    1. Remove the DOME relay from the No. 5 relay block.

    2. A01VE37E33
      Text in Illustration
      *a

      Component without harness connected

      (DOME Relay)

      Measure the resistance according to the value(s) in the table below.

      Standard Resistance
      Tester Connection Condition Specified Condition
      3 - 5 Voltage is not applied between terminals 1 and 2 10 kΩ or higher
      3 - 5 Voltage is applied between terminals 1 and 2 Below 1 Ω

    NG
    OK
  3. CHECK HARNESS AND CONNECTOR (DOME RELAY - INSTRUMENT PANEL JUNCTION BLOCK ASSEMBLY)


    1. Disconnect the 3B instrument panel junction block assembly connector.

    2. Measure the resistance according to the value(s) in the table below.

      Standard Resistance
      Tester Connection Condition Specified Condition
      Relay terminal 1 - 3B-33 Always Below 1 Ω
      Relay terminal 1 - Body ground Always 10 kΩ or higher

    NG
    OK
  4. INSPECT INSTRUMENT PANEL JUNCTION BLOCK ASSEMBLY


    1. Remove the instrument panel junction block assembly Click here.

    2. Remove the main body ECU from the instrument panel junction block assembly Click here.

    3. Measure the resistance according to the value(s) in the table below.

      A01VGOAE01
      Text in Illustration
      *a

      Component without harness connected

      (Instrument Panel Junction Block Assembly)

      - -
      Standard Resistance
      Tester Connection Condition Specified Condition
      3B-33 - MB-26 (DOMR) Always Below 1 Ω

    OK
    NG