SPEED LIMITER SYSTEM Speed Limiter System does not Operate

DESCRIPTION

When the speed limiter main switch is turned on, the ECM illuminates the speed limiter indicator light and activates the speed limiter system. Each control of the speed limiter system can be activated by operating the cruise control switch. When the cruise control system is operating, the speed limiter system will not activate.

WIRING DIAGRAM

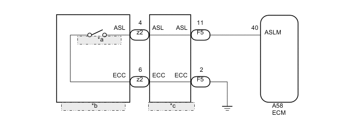
A01VK1EE13
for 1NR-FE and 1ZR-FAE
*a Speed Limiter Switch
*b Steering Pad Switch Assembly
*c Spiral Cable Sub-assembly
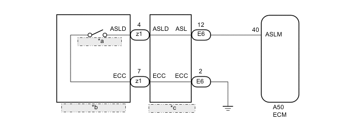
A01VK1EE14
for 1AD-FTV
*a Speed Limiter Main Switch
*b Steering Pad Switch Assembly
*c Spiral Cable Sub-assembly
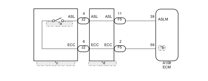
A01VIQZE01
for 1ND-TV
*a Speed Limiter Main Switch
*b ECCS
*c Steering Pad Switch Assembly
*d Spiral Cable Sub-assembly

PROCEDURE


  1. READ VALUE USING GTS (ASL MAIN SWITCH)


    1. Use the Data List to check if the speed limiter main switch is functioning properly.

      Cruise Control
      Tester Display Measurement Item/Range Normal Condition Diagnostic Note
      ASL Main Switch Speed limiter main switch signal / OFF or ON

      OFF: Speed limiter main switch off

      ON: Speed limiter main switch on

      -
      OK
      On screen, item changes between ON and OFF according to above chart.

    NG
    OK
  2. SYSTEM CHECK


    1. Check the vehicle specifications.

      Result
      Result Proceed to
      with Cruise Control System A
      without Cruise Control System B

    B
    A
  3. CHECK CRUISE CONTROL SYSTEM


    1. Turn the ignition switch to ON.

    2. Turn the cruise control switch on.

    3. for Gasoline:

      Check the operation of each function by operating the cruise control switch Click here.

    4. for Diesel:

      Check the operation of each function by operating the cruise control switch Click here.

      OK
      Each function of the cruise control system operates normally.
      Result
      Result Proceed to
      NG A
      OK (for Gasoline) B
      OK (for Diesel) C

    B
    C
    A
  4. CHECK FOR DTC (CRUISE CONTROL SYSTEM)


    1. Check for DTCs Click here.

      OK
      DTCs P0500 and P0503 are not output.
      Result
      Result Proceed to
      NG (for Gasoline) A
      NG (for Diesel) B
      OK (for 1NR-FE) C
      OK (for 1ND-TV) D

    A
    B
    C
    D
  5. INSPECT SPIRAL CABLE SUB-ASSEMBLY


    1. Inspect the spiral cable sub-assembly Click here.


    NG
    OK
  6. INSPECT STEERING PAD SWITCH ASSEMBLY (SPEED LIMITER MAIN SWITCH)


    1. Inspect the steering pad switch assembly Click here.


    NG
    OK
  7. CHECK HARNESS AND CONNECTOR (SPIRAL CABLE SUB-ASSEMBLY - ECM AND BODY GROUND)


    1. for 1NR-FE:


      1. Disconnect the F5 spiral cable sub-assembly connector.

      2. Disconnect the A58 ECM connector.

      3. Measure the resistance according to the value(s) in the table below.

        Standard Resistance
        Tester Connection Condition Specified Condition
        F5-11 (ASL) - A58-40 (ASLM) Always Below 1 Ω
        F5-2 (ECC) - Body ground
        F5-11 (ASL) - Body ground Always 10 kΩ or higher
    2. for 1KR-FE:


      1. Disconnect the F5 spiral cable sub-assembly connector.

      2. Disconnect the A93 ECM connector.

      3. Measure the resistance according to the value(s) in the table below.

        Standard Resistance
        Tester Connection Condition Specified Condition
        F5-11 (ASL) - A93-59 (ASLM) Always Below 1 Ω
        F5-2 (ECC) - Body ground
        F5-11 (ASL) - Body ground Always 10 kΩ or higher
    3. for 1ND-TV:


      1. Disconnect the F5 spiral cable sub-assembly connector.

      2. Disconnect the A108 ECM connector.

      3. Measure the resistance according to the value(s) in the table below.

        Standard Resistance
        Tester Connection Condition Specified Condition
        F5-11 (ASL) - A108-39 (ASLM) Always Below 1 Ω
        F5-2 (ECC) - A108-59 (ECCS)
        F5-11 (ASL) - Body ground Always 10 kΩ or higher
        A108-59 (ECCS) - Body ground
      Result
      Result Proceed to
      NG A
      OK (for 1NR-FE) B
      OK (for 1KR-FE) C
      OK (for 1ND-TV) D

    A
    B
    C
    D