CRUISE CONTROL SYSTEM(for Gasoline), Diagnostic DTC:P0571

DTC Code DTC Name
P0571 Stop Light Switch Circuit Malfunction

DESCRIPTION

When the brake pedal is depressed, the stop light switch sends a signal to the ECM. Upon receiving the signal, the ECM cancels cruise control. Even if there is a malfunction in the stop light signal circuit while cruise control is in operation, normal driving is maintained due to a fail-safe function.

When the brake pedal is depressed, positive voltage is applied to terminal STP of the ECM through the STOP fuse and stop light switch, and the ECM cancels cruise control.

DTC Code DTC Detection Condition Trouble Area
P0571 The voltages of terminals ST1 - and STP of the ECM are both below 1 V for 0.5 seconds or more.
  • Stop light switch circuit

  • Stop light switch assembly

  • ECM

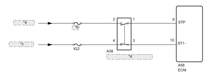
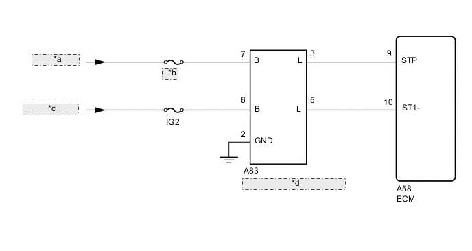
WIRING DIAGRAM

A01VJ8SE08
for LED Type Stop Light
*a from Battery
*b STOP
*c from IG2 Relay
*d Stop Light Switch Assembly
A01VJ5DE06
for Bulb Type Stop Light
*a from Battery
*b STOP
*c from IG2 Relay
*d Stop Light Switch Assembly

CAUTION / NOTICE / HINT

Note

Inspect the fuses for circuits related to this system before performing the following inspection procedure.

PROCEDURE


  1. WIRE HARNESS AND CONNECTOR (STOP LIGHT SWITCH POWER SOURCE)


    1. for LED Type Stop Light


      1. Disconnect the stop light switch assembly connector.

      2. A01VDKFE01
        Text in Illustration
        *a

        Front view of wire harness connector

        (to Stop Light Switch Assembly)

        Measure the voltage according to the value(s) in the table below.

        Standard Voltage
        Tester Connection Switch Condition Specified Condition
        A83-7 (B) - A83-2 (GND) Always 11 to 14 V
        A83-6 (B) - A83-2 (GND) Ignition switch ON 11 to 14 V
      3. Measure the resistance according to the value(s) in the table below.

        Standard Resistance
        Tester Connection Condition Specified Condition
        A83-2 (GND) - Body ground Always Below 1 Ω
    2. for Bulb Type Stop Light


      1. Disconnect the stop light switch assembly connector.

      2. A01VLZFE02
        Text in Illustration
        *a

        Front view of wire harness connector

        (to Stop Light Switch Assembly)

        Measure the voltage according to the value(s) in the table below.

        Standard Voltage
        Tester Connection Switch Condition Specified Condition
        A38-2 - Body ground Always 11 to 14 V
        A38-4 - Body ground Ignition switch ON 11 to 14 V

    NG
    OK
  2. INSPECT STOP LIGHT SWITCH ASSEMBLY


    1. for LED Type Stop Light


      1. Reconnect the stop light switch assembly connector.

      2. A01VKN5E01
        Text in Illustration
        *a

        Component with harness connected

        (Stop Light Switch Assembly)

        Measure the voltage according to the value(s) in the table below.

        Standard Voltage
        Tester Connection Switch Condition Specified Condition
        A83-3 (L) - A83-2 (GND)

        Ignition switch off,

        Brake pedal not depressed

        Below 1 V
        A83-3 (L) - A83-2 (GND)

        Ignition switch off,

        Brake pedal depressed

        11 to 14 V
        A83-5 (L) - A83-2 (GND)

        Ignition switch ON,

        Brake pedal not depressed

        11 to 14 V
        A83-5 (L) - A83-2 (GND)

        Ignition switch ON,

        Brake pedal depressed

        Below 1 V
    2. for Bulb Type Stop Light


      1. Remove the stop light switch assembly Click here.

      2. A01VIFGE01
        Text in Illustration
        *a

        Component with harness connected

        (Stop Light Switch Assembly)

        *b Not pushed
        *c Pushed

        Measure the resistance according to the value(s) in the table below.

        Standard Resistance
        Tester Connection Switch Condition Specified Condition
        1 - 2 Switch pin not pushed Below 1 Ω
        3 - 4 Switch pin not pushed 10 kΩ or higher
        1 - 2 Switch pin pushed 10 kΩ or higher
        3 - 4 Switch pin pushed Below 1 Ω

    NG
    OK
  3. CHECK HARNESS AND CONNECTOR (ECM - STOP LIGHT SWITCH ASSEMBLY)


    1. for LED Type Stop Light


      1. Disconnect the A83 stop light switch assembly connector.

      2. Measure the resistance according to the value(s) in the table below.

        Standard Resistance
        Tester Connection Condition Specified Condition
        A58-9 (STP) - A83-3 (L) Always Below 1 Ω
        A58-10 (ST1-) - A83-5 (L) Always Below 1 Ω
        A58-9 (STP) or A83-3 (L) - Body ground Always 10 kΩ or higher
        A58-10 (ST1-) or A83-5 (L) - Body ground Always 10 kΩ or higher
    2. for Bulb Type Stop Light


      1. Disconnect the A38 stop light switch assembly connector.

      2. Measure the resistance according to the value(s) in the table below.

        Standard Resistance
        Tester Connection Condition Specified Condition
        A58-10 (ST1-) - A38-3 Always Below 1 Ω
        A58-9 (STP) - A38-1 Always Below 1 Ω
        A58-10 (ST1-) or A38-3 - Body ground Always 10 kΩ or higher
        A58-9 (STP) or A38-1 - Body ground Always 10 kΩ or higher

    OK
    NG