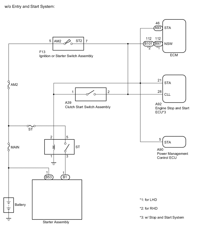
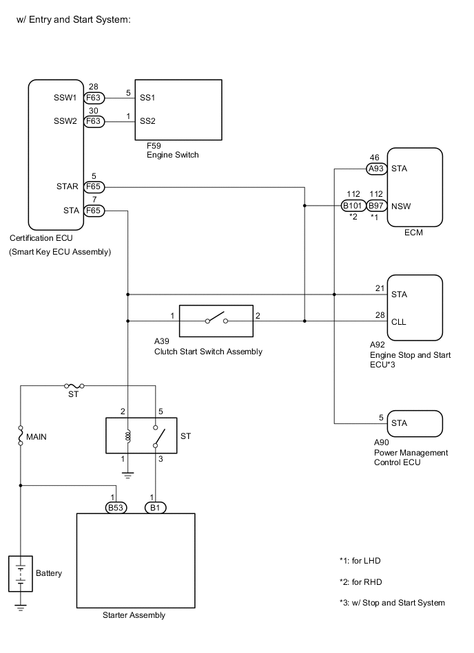
STARTING SYSTEM SYSTEM DIAGRAM

A01VI8GE01
A01VIQXE03