BRAKE ACTUATOR(for TMMF Made RHD) COMPONENTS

ILLUSTRATION

B00469AC03
*A for 1KR-FE *B for 2NR-FKE, 2ZR-FE, 1ND-TV
*1 BATTERY CLAMP *2 BATTERY
*3 BATTERY TRAY *4 BATTERY CARRIER
B00467Q N*m (kgf*cm, ft.*lbf): Specified torque - -

ILLUSTRATION

B004580E03

ILLUSTRATION

B00477CE02

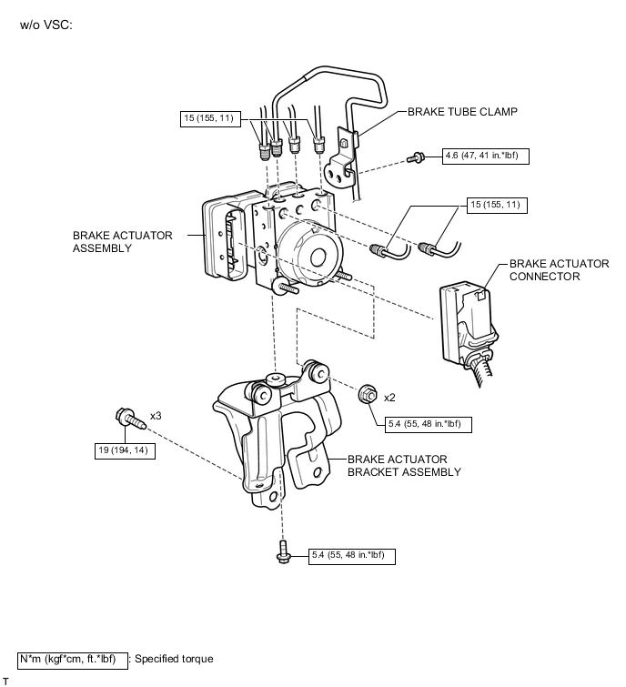
ILLUSTRATION

B0046RXE02
*1 BRAKE ACTUATOR CASE COLLAR
*2 BRAKE ACTUATOR BOLT CUSHION
*3 BRAKE ACTUATOR BRACKET ASSEMBLY