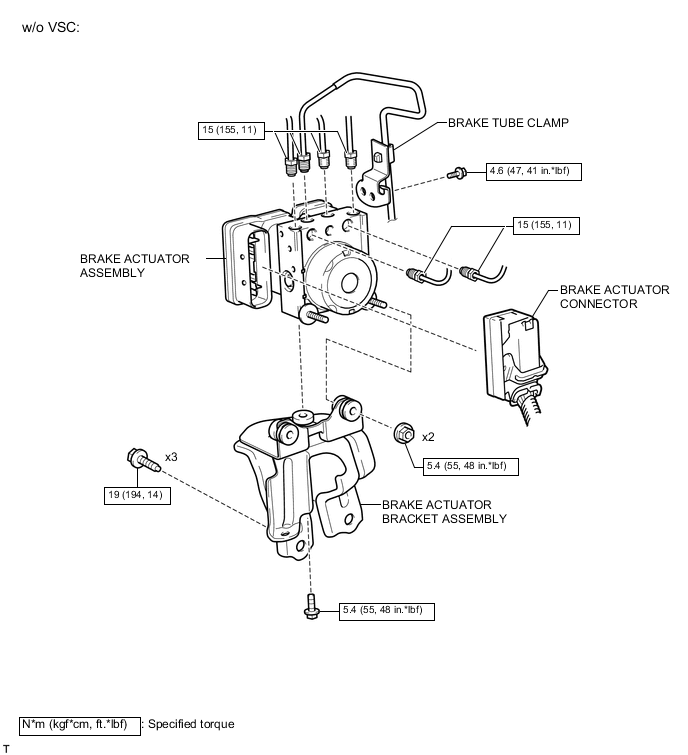
BRAKE ACTUATOR(for TMMF Made RHD) COMPONENTS

ILLUSTRATION

A004AEUC03
*A for 1KR-FE *B for 2NR-FKE, 1ND-TV
*1 BATTERY CLAMP *2 BATTERY
*3 BATTERY TRAY *4 BATTERY CARRIER
A004B37 N*m (kgf*cm, ft.*lbf): Specified torque - -

ILLUSTRATION

A004929E03

ILLUSTRATION

A0048YIE02

ILLUSTRATION

A00471ZE02
*1 BRAKE ACTUATOR CASE COLLAR
*2 BRAKE ACTUATOR BOLT CUSHION
*3 BRAKE ACTUATOR BRACKET ASSEMBLY