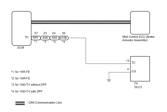
VEHICLE STABILITY CONTROL SYSTEM(for TMMF Made) TC and CG Terminal Circuit

DESCRIPTION

Connecting terminals 13 (TC) and 4 (CG) of the DLC3 causes the ECU to output the DTCs by blinking the ABS warning light and slip indicator light.

WIRING DIAGRAM

A01VIALE02

Tech Tips

When the warning lights continue to blink, a ground short in the wiring of terminal 13 (TC) of the DLC3 or an internal ground short in one or more ECUs is suspected.

CAUTION / NOTICE / HINT

Note

When replacing the brake actuator assembly, perform calibration Click here.

PROCEDURE


  1. CHECK CAN COMMUNICATION SYSTEM


    1. Check if CAN communication system DTCs are output.


      Result
      Result Proceed to
      DTC not output A
      DTC output (w/o Toyota Safety Sense) B
      DTC output (w/ Toyota Safety Sense) C

    B
    C
    A
  2. INSPECT DLC3


    1. A01VEV8E01
      Text in Illustration
      *a Front view of DLC3

      Measure the voltage according to the value(s) in the table below.

      Standard Voltage
      Tester Connection Switch Condition Specified Condition
      F4-13 (TC) - Body ground Ignition switch ON 11 to 14 V

    NG
    OK
  3. INSPECT ECM (DLC3 INPUT)

    SST
    09843-18040

    1. Turn the ignition switch off.

    2. A01VEV8E01
      Text in Illustration
      *a Front view of DLC3

      Using SST, connect terminals 13 (TC) and 4 (CG) of the DLC3.

    3. Turn the ignition switch to ON.

    4. Check that the MIL is blinking.

      Result
      Result Proceed to
      MIL is not blinking A
      MIL is blinking (for LHD) B
      MIL is blinking (for RHD) C

    B
    C
    A
  4. CHECK HARNESS AND CONNECTOR (DLC3 - ECM)


    1. Disconnect the A93*1, A58*2, A59*3 or A108*4 ECM connector.


      • *1: for 1KR-FE

      • *2: for 1NR-FE

      • *3: for 1ND-TV without DPF

      • *4: for 1ND-TV with DPF

    2. Measure the resistance according to the value(s) in the table below.

      Standard Resistance (for 1KR-FE)
      Tester Connection Condition Specified Condition
      F4-13 (TC) - A93-57 (TC) Always Below 1 Ω
      F4-13 (TC) or A93-57 (TC) - Body ground Always 10 kΩ or higher
      Standard Resistance (for 1NR-FE)
      Tester Connection Condition Specified Condition
      F4-13 (TC) - A58-23 (TC) Always Below 1 Ω
      F4-13 (TC) or A58-24 (TC) - Body ground Always 10 kΩ or higher
      Standard Resistance (for 1ND-TV without DPF)
      Tester Connection Condition Specified Condition
      F4-13 (TC) - A59-24 (TC) Always Below 1 Ω
      F4-13 (TC) or A59-24 (TC) - Body ground Always 10 kΩ or higher
      Standard Resistance (for 1ND-TV with DPF)
      Tester Connection Condition Specified Condition
      F4-13 (TC) - A108-50 (TC) Always Below 1 Ω
      F4-13 (TC) or A108-50 (TC) - Body ground Always 10 kΩ or higher

    NG
    OK
  5. CHECK HARNESS AND CONNECTOR (DLC3 - BODY GROUND)


    1. Measure the resistance according to the value(s) in the table below.

      Standard Resistance
      Tester Connection Condition Specified Condition
      F4-4 (CG) - Body ground Always Below 1 Ω
      Result
      Result Proceed to
      NG A
      OK (for 1KR-FE) B
      OK (for 1NR-FE) C
      OK (for 1ND-TV without DPF) D
      OK (for 1ND-TV with DPF) E

    A
    B
    C
    D
    E