ANTI-LOCK BRAKE SYSTEM Brake Warning Light Remains ON

DESCRIPTION

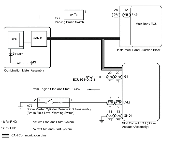
The skid control ECU (brake actuator assembly) is connected to the combination meter assembly via CAN communication.

If any of the following is detected, the brake warning light remains on:


WIRING DIAGRAM

B00470UE03

PROCEDURE


  1. CHECK CAN COMMUNICATION SYSTEM


    1. Check if CAN communication system DTCs are output.


      Result
      Result Proceed to
      DTC not output A
      DTC output (w/o Toyota Safety Sense) B
      DTC output (w/ Toyota Safety Sense) C

    B
    C
    A
  2. CHECK IF BRAKE ACTUATOR ASSEMBLY CONNECTOR IS SECURELY CONNECTED


    1. Check if the skid control ECU (brake actuator assembly) connector is securely connected.

      OK
      The connector is securely connected.

    NG
    OK
  3. CHECK HARNESS AND CONNECTOR (IG1 TERMINAL)


    1. B0047Z0C01
      *A for RHD
      *B for LHD
      *a

      Front view of wire harness connector

      (to Skid Control ECU (Brake Actuator Assembly))

      Make sure that there is no looseness in the locking part and connecting part of the connector.

    2. Disconnect the skid control ECU (brake actuator assembly) connector.

    3. Turn the ignition switch to ON.

    4. Measure the voltage according to the value(s) in the table below.

      Standard Voltage (for RHD)
      Tester Connection Switch Condition Specified Condition
      A78-20 (IG1) - Body ground Ignition switch ON 11 to 14 V
      Standard Voltage (for LHD)
      Tester Connection Switch Condition Specified Condition
      A79-20 (IG1) - Body ground Ignition switch ON 11 to 14 V
    5. Turn the ignition switch off.

      Result
      Result Proceed to
      OK A
      NG (w/o Stop and Start System) B
      NG (w/ Stop and Start System) C

    B
    C
    A
  4. CHECK HARNESS AND CONNECTOR (GND1 TERMINAL)


    1. B0045K0C01
      *A for RHD
      *B for LHD
      *a

      Front view of wire harness connector

      (to Skid Control ECU (Brake Actuator Assembly))

      Measure the resistance according to the value(s) in the table below.

      Standard Resistance (for RHD)
      Tester Connection Condition Specified Condition
      A78-13 (GND1) - Body ground Always Below 1 Ω
      Standard Resistance (for LHD)
      Tester Connection Condition Specified Condition
      A79-13 (GND1) - Body ground Always Below 1 Ω
    2. Reconnect the skid control ECU (brake actuator assembly) connector.


    NG
    OK
  5. READ VALUE USING GTS (PARKING BRAKE SW)


    1. Turn the ignition switch off.

    2. Connect the GTS to the DLC3.

    3. Turn the ignition switch to ON.

    4. Turn the GTS on.

    5. Enter the following menus: Chassis / ABS/VSC/TRC / Data List.

    6. According to the display on the GTS, read the Data List.

      ABS/VSC/TRC
      Tester Display Measurement Item/Range Normal Condition Diagnostic Note
      Parking Brake SW Parking brake switch / OFF or ON

      OFF: Parking brake released

      ON: Parking brake applied

      -
    7. Using the GTS, check the input of the switch operation when the parking brake pedal is operated.

      OK
      When the parking brake is operated, the display changes as shown above.

    NG
    OK
  6. INSPECT BRAKE MASTER CYLINDER RESERVOIR SUB-ASSEMBLY


    1. B0045D3C01
      *a

      Component without harness connected

      (Brake Fluid Level Warning Switch (Brake Master Cylinder Reservoir Sub-assembly))

      Remove the reservoir tank cap and strainer.

    2. Disconnect the A77 brake fluid level warning switch (brake master cylinder reservoir sub-assembly) connector.

    3. Measure the resistance according to the value(s) in the table below.

      Tech Tips

      A float is placed inside the reservoir. Its position can be changed by increasing or decreasing the brake fluid level.

      Standard Resistance
      Tester Connection Switch Condition Specified Condition
      1 - 2 Float up (Switch OFF) 10 kΩ or higher
      Float down (Switch ON) Below 1 Ω

      Tech Tips

      If the result is as specified, adjust the brake fluid level to the MAX level after measuring the resistance.

      Result
      Result Proceed to
      OK A
      NG (for LHD) B
      NG (for RHD) C

    B
    C
    A
  7. CHECK HARNESS AND CONNECTOR (BRAKE FLUID LEVEL WARNING SWITCH - BRAKE ACTUATOR ASSEMBLY AND BODY GROUND)


    1. Disconnect the A78*1 or A79*2 skid control ECU (brake actuator assembly) connector.


      • *1: for RHD

      • *2: for LHD

    2. Measure the resistance according to the value(s) in the table below.

      Standard Resistance (for RHD)
      Tester Connection Condition Specified Condition
      A78-7 (LVL2) - A77-1 Always Below 1 Ω
      A77-2 - Body ground Always Below 1 Ω
      A78-7 (LVL2) or A77-1 - Body ground Always 10 kΩ or higher
      Standard Resistance (for LHD)
      Tester Connection Condition Specified Condition
      A79-7 (LVL2) - A77-1 Always Below 1 Ω
      A77-2 - Body ground Always Below 1 Ω
      A79-7 (LVL2) or A77-1 - Body ground Always 10 kΩ or higher

    NG
    OK
  8. READ VALUE USING GTS (BRAKE WARNING LIGHT)


    1. Turn the ignition switch off.

    2. Connect the GTS to the DLC3.

    3. Turn the ignition switch to ON.

    4. Turn the GTS on.

    5. Enter the following menus: Chassis / ABS/VSC/TRC / Data List.

    6. According to the display on the GTS, read the Data List.

      ABS/VSC/TRC
      Tester Display Measurement Item/Range Normal Condition Diagnostic Note
      Brake Warning Light Brake warning light / OFF or ON

      OFF: warning light off

      ON: warning light on

      -
    7. When performing the Brake Warning Light Active Test, check Brake Warning Light in the Data List.

      ABS/VSC/TRC
      Tester Display Test Part Control Range Diagnostic Note
      Brake Warning Light Brake warning light Warning light ON/OFF Observe the combination meter.
      Result
      Result Proceed to
      Data List Display Data List Display when Performing Active Test ON/OFF Operation
      ON Changes between ON and OFF A
      Does not change between ON and OFF (for LHD) B
      Does not change between ON and OFF (for RHD) C
      OFF Changes between ON and OFF A
      Does not change between ON and OFF (for LHD) B
      Does not change between ON and OFF (for RHD) C

    A
    B
    C
  9. INSPECT PARKING BRAKE SWITCH


    1. Disconnect the F22 parking brake switch connector.

    2. B0046KXC06
      *a

      Component without harness connected

      (Parking Brake Switch)

      Measure the resistance according to the value(s) in the table below.

      Standard Resistance
      Tester Connection Switch Condition Specified Condition
      1 - Body ground

      Parking brake switch on

      (Switch pin not pushed in)

      Below 1 Ω

      Parking brake switch off

      (Switch pin pushed in)

      10 kΩ or higher

    NG
    OK
  10. CHECK HARNESS AND CONNECTOR (INSTRUMENT PANEL JUNCTION BLOCK - PARKING BRAKE SWITCH)


    1. Disconnect the 3A instrument panel junction block assembly connector.

    2. Disconnect the F22 parking brake switch connector.

    3. Measure the resistance according to the value(s) in the table below.

      Standard Resistance
      Tester Connection Condition Specified Condition
      3A-28 - F22-1 Always Below 1 Ω
      3A-28 or F22-1 - Body ground Always 10 kΩ or higher

    NG
    OK
  11. INSPECT INSTRUMENT PANEL JUNCTION BLOCK ASSEMBLY


    1. Remove the main body ECU (multiplex network body ECU).

      Click here

    2. Measure the resistance according to the value(s) in the table below.

      B0045THC01
      *a

      Component without harness connected

      (Instrument Panel Junction Block Assembly)

      - -
      Standard Resistance
      Tester Connection Condition Specified Condition
      3A-28 - MB-12 (PKB) Always Below 1 Ω
    3. Install the main body ECU (multiplex network body ECU).

      Click here


    OK
    NG