SUB BATTERY SYSTEM SYSTEM DESCRIPTION

The sub battery system is composed of a sub-battery module assembly and backup relay. If a malfunction occurs in the auxiliary battery, the system maintains the functions of connected vehicle electrical loads after the malfunction occurs.

The sub-battery module assembly is composed of a sub-battery, sub-battery ECU and protection relay.

B004RUPE06
Component Description
Sub-battery Module Assembly Part that is built into the sub-battery, monitors the sub-battery and includes backup control.
Sub-battery ECU Part that is built into the sub-battery module assembly, monitors the sub-battery and performs backup control.
Backup Relay
  • Relay positioned in the power circuit between the auxiliary battery and sub-battery module assembly

  • Does not supply sub-battery power for loads other than designated backup loads

Protection Relay Relay that is built into the sub-battery module assembly and outputs power from the sub-battery/stops the sub-battery
Shift Control ECU The shift control ECU requests power supply to the sub-battery ECU inside the sub-battery module assembly from the sub-battery when the auxiliary battery voltage is low.
Hybrid Vehicle Control ECU Assembly Hybrid vehicle control ECU assembly controls the voltage of inverter with converter assembly based a request from sub-battery ECU.
Terminal Description
+BAT
  • Charging and discharging terminal

  • Sub-battery charging, and discharging to vehicle electrical loads

-BAT
B (+B) Sub-battery ECU power source terminal
IG IG signal input terminal
CANH CAN communication terminal
CANL
BR (BRin) Receives backup requests from shift control ECU
RD1 (BURDIAG1) Acquires backup relay condition information
RD2 (BURDIAG2) Acquires backup relay malfunction information
RO (ROout) Sends sub-battery condition to shift control ECU
BUR Outputs backup relay ON control signal
B004YIBC03
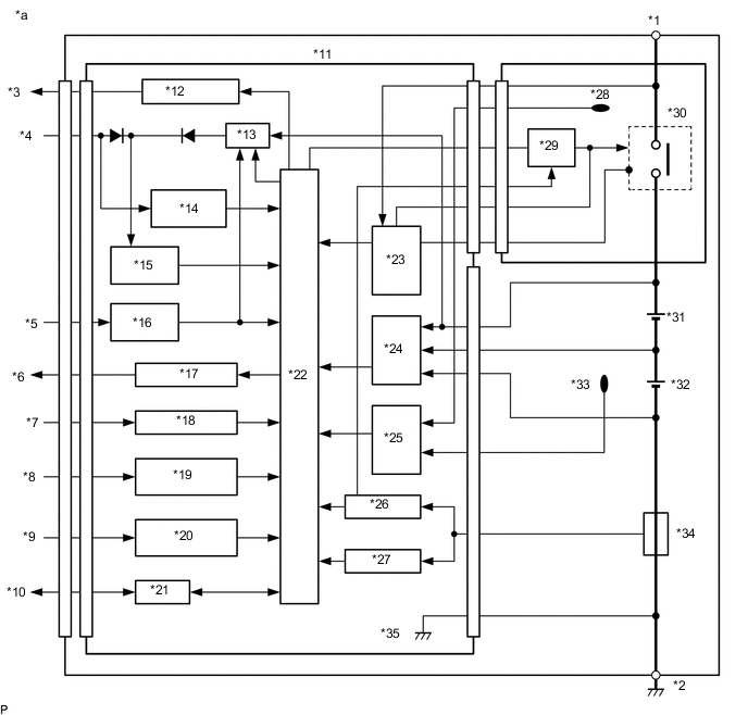
*a Sub-battery Module Assembly - -
*1 +BAT *2 -BAT
*3 BUR Output *4 B (+B) Input
*5 IG input *6 RO (ROout) Output
*7 BR (BRin) Input *8 RD1 (BURDIAG1) Input
*9 RD2 (BURDIAG2) Input *10 CAN Input and Output
*11 Sub-battery ECU *12 BUR Output Circuit
*13 +B Backup Power Source Circuit *14 Auxiliary Battery Voltage Detection Circuit
*15 Power Source Circuit *16 IGN Input Detection Circuit
*17 RO (ROout) output circuit *18 BR (BRin) Input Circuit
*19 RD1 (BURDIAG1) input circuit *20 RD2 (BURDIAG2) Input Circuit
*21 CAN *22 CPU
*23 Voltage Detection Circuit *24 Voltage Detection Circuit
*25 Temperature Detection Circuit *26 Overcurrent Protection Circuit
*27 Current Detection Circuit *28 Protection Relay Temperature Sensor
*29 Protection Relay Drive Circuit *30 Protection Relay
*31 Sub-battery (Hi) *32 Sub-battery (Low)
*33 Sub-battery Temperature Sensor *34 Sub-battery Current Sensor
*35 GND - -