AUDIO AND VISUAL SYSTEM, Diagnostic DTC:B1323, B1324, B1325, B1326

DTC Code DTC Name
B1323 Lost Communication with Haptic Device
B1324 Lost Communication with Meter
B1325 Lost Communication with HUD
B1326 Lost Communication with Clock Device (Local-CAN)

DESCRIPTION

These DTCs are stored when communication between the radio receiver assembly and remote operation controller assembly (remote touch), combination meter assembly, meter mirror sub-assembly* or clock assembly is not possible.


DTC No. Detection Item DTC Detection Condition Trouble Area
B1323 Lost Communication with Haptic Device CAN reception error
  • Local bus communication line

  • Remote operation controller assembly (remote touch) power source circuit

  • Remote operation controller assembly (remote touch)

  • Radio receiver assembly

  • Harness or connector

  • No. 4 CAN junction connector

B1324 Lost Communication with Meter CAN reception error
  • Local bus communication line

  • Combination meter assembly power source circuit

  • Combination meter assembly

  • Radio receiver assembly

  • Harness or connector

  • No. 4 CAN junction connector

B1325 Lost Communication with HUD CAN reception error
  • Local bus communication line

  • Meter mirror sub-assembly power source circuit

  • Meter mirror sub-assembly

  • Radio receiver assembly

  • Harness or connector

  • No. 4 CAN junction connector

B1326 Lost Communication with Clock Device (Local-CAN) CAN reception error
  • Local bus communication line

  • Clock assembly power source circuit

  • Clock assembly

  • Radio receiver assembly

  • Harness or connector

  • No. 4 CAN junction connector

Tech Tips

The radio receiver assembly is the master unit.

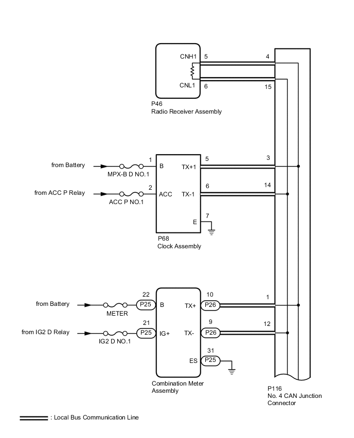
WIRING DIAGRAM

B000VCFE04
B000V50E04

CAUTION / NOTICE / HINT

Note


  • The following malfunctions may occur if a radio receiver assembly from another vehicle is installed to this vehicle. Therefore, when replacing the radio receiver assembly, be sure to replace it with new one.


    • Communication malfunction DTC is output

    • Does not operate normally

  • After turning the engine switch off, waiting time may be required before disconnecting the cable from the negative (-) battery terminal. Therefore, make sure to read the disconnecting the cable from the negative (-) battery terminal notices before proceeding with work.

    Click here

  • Inspect the fuses for circuits related to this system before performing the following procedure.

Tech Tips


  • B1323, B1324, B1325 and B1326 will not continue to output when clear DTC is performed even if the malfunction continues.

  • Depending on the parts that are replaced during vehicle inspection or maintenance, performing initialization, registration or calibration may be needed. Refer to Precaution for Audio and Visual System.

    Click here

PROCEDURE


  1. CHECK DTC


    1. Check for DTCs.

      Click here


      Body Electrical > Navigation System > Trouble Codes
      Result
      Result Proceed to
      DTCs B1323, B1324, B1325* and B1326 are output A
      DTC B1323 is output B
      DTC B1324 is output C
      DTCs B1325 is output* D
      DTC B1326 is output E
      *: w/ Headup Display

    B
    C
    D
    E
    A
  2. CHECK LOCAL BUS


    1. B000Z4FC48
      *a

      Component with harness connected

      (No. 4 CAN Junction Connector)

      Disconnect the cable from the negative (-) battery terminal.

    2. Measure the resistance according to the value(s) in the table below.

      Standard Resistance
      Tester Connection Condition Specified Condition
      P116-4 - P116-15 Cable disconnected from negative (-) battery terminal 54 to 69 Ω
      Result
      Result Proceed to
      OK A
      NG (Below 54 Ω) B
      NG (70 Ω or higher) C

    A
    B
    C
  3. CHECK HARNESS AND CONNECTOR (REMOTE OPERATION CONTROLLER ASSEMBLY [REMOTE TOUCH] - BATTERY AND BODY GROUND)


    1. B000XJEC32
      *a

      Front view of wire harness connector

      (to Remote Operation Controller Assembly [Remote Touch])

      Disconnect the remote operation controller assembly (remote touch) connector.

    2. Measure the resistance according to the value(s) in the table below.

      Standard Resistance
      Tester Connection Condition Specified Condition
      P69-10 (GND) - Body ground Always Below 1 Ω
    3. Measure the voltage according to the value(s) in the table below.

      Standard Voltage
      Tester Connection Condition Specified Condition
      P69-1 (+B) - Body ground Always 11 to 14 V
      P69-6 (ACC) - Body ground Engine switch on (ACC) 11 to 14 V
      Result
      Proceed to
      OK
      NG

    NG
    OK
  4. CHECK HARNESS AND CONNECTOR (REMOTE OPERATION CONTROLLER ASSEMBLY [REMOTE TOUCH] - NO. 4 CAN JUNCTION CONNECTOR)


    1. B000XJEC31
      *a

      Front view of wire harness connector

      (to Remote Operation Controller Assembly [Remote Touch])

      Disconnect the cable from the negative (-) battery terminal.

    2. Disconnect the remote operation controller assembly (remote touch) connector.

    3. Measure the resistance according to the value(s) in the table below.

      Standard Resistance
      Tester Connection Condition Specified Condition
      P69-9 (MO+) - P69-8 (MO-) Cable disconnected from negative (-) battery terminal 108 to 132 Ω
      Result
      Proceed to
      OK
      NG

    OK
    NG
  5. CHECK HARNESS AND CONNECTOR (NO. 4 CAN JUNCTION CONNECTOR - RADIO RECEIVER ASSEMBLY)


    1. Disconnect the No. 4 CAN junction connector.

    2. B000Z4FC48
      *a

      Rear view of wire harness connector

      (No. 4 CAN Junction Connector)

      Measure the resistance according to the value(s) in the table below.

      Standard Resistance
      Tester Connection Condition Specified Condition
      P116-4 - P116-15 Cable disconnected from negative (-) battery terminal 108 to 132 Ω
      Result
      Proceed to
      OK
      NG

    NG
    OK
  6. CHECK HARNESS AND CONNECTOR (NO. 4 CAN JUNCTION CONNECTOR - REMOTE OPERATION CONTROLLER ASSEMBLY [REMOTE TOUCH])


    1. Disconnect the No. 4 CAN junction connector.

    2. B000Z4FC48
      *a

      Rear view of wire harness connector

      (No. 4 CAN Junction Connector)

      Measure the resistance according to the value(s) in the table below.

      Standard Resistance
      Tester Connection Condition Specified Condition
      P116-5 - P116-16 Cable disconnected from negative (-) battery terminal 108 to 132 Ω
      Result
      Proceed to
      OK
      NG

    NG
    OK
  7. CHECK HARNESS AND CONNECTOR (NO. 4 CAN JUNCTION CONNECTOR - COMBINATION METER ASSEMBLY)


    1. Disconnect the No. 4 CAN junction connector.

    2. B000Z4FC48
      *a

      Rear view of wire harness connector

      (No. 4 CAN Junction Connector)

      Measure the resistance according to the value(s) in the table below.

      Standard Resistance
      Tester Connection Condition Specified Condition
      P116-1 - P116-12 Cable disconnected from negative (-) battery terminal 200 Ω or higher
      Result
      Proceed to
      OK
      NG

    NG
    OK
  8. CHECK VEHICLE TYPE


    1. Check the vehicle type.

      Result
      Result Proceed to
      w/ Headup Display A
      w/o Headup Display B

    B
    A
  9. CHECK HARNESS AND CONNECTOR (NO. 4 CAN JUNCTION CONNECTOR - METER MIRROR SUB-ASSEMBLY)


    1. Disconnect the No. 4 CAN junction connector.

    2. B000Z4FC48
      *a

      Rear view of wire harness connector

      (No. 4 CAN Junction Connector)

      Measure the resistance according to the value(s) in the table below.

      Standard Resistance
      Tester Connection Condition Specified Condition
      P116-2 - P116-13 Cable disconnected from negative (-) battery terminal 200 Ω or higher
      Result
      Proceed to
      OK
      NG

    NG
    OK
  10. CHECK HARNESS AND CONNECTOR (NO. 4 CAN JUNCTION CONNECTOR - CLOCK ASSEMBLY)


    1. B000Z4FC48
      *a

      Rear view of wire harness connector

      (No. 4 CAN Junction Connector)

      Disconnect the No. 4 CAN junction connector.

    2. Measure the resistance according to the value(s) in the table below.

      Standard Resistance
      Tester Connection Condition Specified Condition
      P116-3 - P116-14 Cable disconnected from negative (-) battery terminal 200 Ω or higher
      Result
      Proceed to
      OK
      NG

    OK
    NG
  11. CHECK HARNESS AND CONNECTOR (RADIO RECEIVER ASSEMBLY - NO. 4 CAN JUNCTION CONNECTOR)


    1. B000ZB3C05
      *a

      Front view of wire harness connector

      (to Radio Receiver Assembly)

      Disconnect the radio receiver assembly connector.

    2. Measure the resistance according to the value(s) in the table below.

      Standard Resistance
      Tester Connection Condition Specified Condition
      P46-5 (CNH1) - P46-6 (CNL1) Cable disconnected from negative (-) battery terminal 108 to 132 Ω
      Result
      Proceed to
      OK
      NG

    OK
    NG
  12. CHECK HARNESS AND CONNECTOR (REMOTE OPERATION CONTROLLER ASSEMBLY [REMOTE TOUCH] - NO. 4 CAN JUNCTION CONNECTOR)


    1. B000XJEC31
      *a

      Front view of wire harness connector

      (to Remote Operation Controller Assembly [Remote Touch])

      Disconnect the remote operation controller assembly (remote touch) connector.

    2. Measure the resistance according to the value(s) in the table below.

      Standard Resistance
      Tester Connection Condition Specified Condition
      P69-9 (MO+) - P69-8 (MO-) Cable disconnected from negative (-) battery terminal 108 to 132 Ω
      Result
      Proceed to
      OK
      NG

    OK
    NG
  13. CHECK HARNESS AND CONNECTOR (COMBINATION METER ASSEMBLY - NO. 4 CAN JUNCTION CONNECTOR)


    1. B000XL4C09
      *a

      Front view of wire harness connector

      (to Combination Meter Assembly)

      Disconnect the combination meter assembly connector.

    2. Measure the resistance according to the value(s) in the table below.

      Standard Resistance
      Tester Connection Condition Specified Condition
      P26-10 (TX+) - P26-9 (TX-) Cable disconnected from negative (-) battery terminal 54 to 69 Ω
      Result
      Proceed to
      OK
      NG

    OK
    NG
  14. CHECK HARNESS AND CONNECTOR (METER MIRROR SUB-ASSEMBLY - NO. 4 CAN JUNCTION CONNECTOR)


    1. B000U75C31
      *a

      Front view of wire harness connector

      (to Meter Mirror Sub-assembly)

      Disconnect the meter mirror sub-assembly connector.

    2. Measure the resistance according to the value(s) in the table below.

      Standard Resistance
      Tester Connection Condition Specified Condition
      P80-14 (TX+) - P80-15 (TX-) Cable disconnected from negative (-) battery terminal 54 to 69 Ω
      Result
      Proceed to
      OK
      NG

    OK
    NG
  15. CHECK HARNESS AND CONNECTOR (CLOCK ASSEMBLY - NO. 4 CAN JUNCTION CONNECTOR)


    1. B000YK6C29
      *a

      Front view of wire harness connector

      (to Clock Assembly)

      Disconnect the clock assembly connector.

    2. Measure the resistance according to the value(s) in the table below.

      Standard Resistance
      Tester Connection Condition Specified Condition
      P68-5 (TX+1) - P68-6 (TX-1) Cable disconnected from negative (-) battery terminal 54 to 69 Ω
      Result
      Proceed to
      OK
      NG

    OK
    NG
  16. CHECK HARNESS AND CONNECTOR (COMBINATION METER ASSEMBLY - BATTERY AND BODY GROUND)


    1. B000TZMC13
      *a

      Front view of wire harness connector

      (to Combination Meter Assembly)

      Disconnect the combination meter assembly connector.

    2. Measure the resistance according to the value(s) in the table below.

      Standard Resistance
      Tester Connection Condition Specified Condition
      P25-31 (ES) - Body ground Always Below 1 Ω
    3. Measure the voltage according to the value(s) in the table below.

      Standard Voltage
      Tester Connection Condition Specified Condition
      P25-22 (B) - Body ground Always 11 to 14 V
      P25-21 (IG+) - Body ground Engine switch on (IG) 11 to 14 V
      Result
      Proceed to
      OK
      NG

    NG
    OK
  17. CHECK HARNESS AND CONNECTOR (COMBINATION METER ASSEMBLY - NO. 4 CAN JUNCTION CONNECTOR)


    1. B000XL4C09
      *a

      Front view of wire harness connector

      (to Combination Meter Assembly)

      Disconnect the cable from the negative (-) battery terminal.

    2. Disconnect the combination meter assembly connector.

    3. Measure the resistance according to the value(s) in the table below.

      Standard Resistance
      Tester Connection Condition Specified Condition
      P26-10 (TX+) - P26-9 (TX-) Cable disconnected from negative (-) battery terminal 54 to 69 Ω
      Result
      Proceed to
      OK
      NG

    OK
    NG
  18. CHECK HARNESS AND CONNECTOR (NO. 4 CAN JUNCTION CONNECTOR - RADIO RECEIVER ASSEMBLY)


    1. Disconnect the cable from the negative (-) battery terminal.

    2. Disconnect the No. 4 CAN junction connector.

    3. B000Z4FC48
      *a

      Rear view of wire harness connector

      (No. 4 CAN Junction Connector)

      Measure the resistance according to the value(s) in the table below.

      Standard Resistance
      Tester Connection Condition Specified Condition
      P116-4 - P116-15 Cable disconnected from negative (-) battery terminal 108 to 132 Ω
      Result
      Proceed to
      OK
      NG

    NG
    OK
  19. CHECK HARNESS AND CONNECTOR (NO. 4 CAN JUNCTION CONNECTOR - REMOTE OPERATION CONTROLLER ASSEMBLY [REMOTE TOUCH])


    1. Disconnect the cable from the negative (-) battery terminal.

    2. Disconnect the No. 4 CAN junction connector.

    3. B000Z4FC48
      *a

      Rear view of wire harness connector

      (No. 4 CAN Junction Connector)

      Measure the resistance according to the value(s) in the table below.

      Standard Resistance
      Tester Connection Condition Specified Condition
      P116-5 - P116-16 Cable disconnected from negative (-) battery terminal 108 to 132 Ω
      Result
      Proceed to
      OK
      NG

    OK
    NG
  20. CHECK HARNESS AND CONNECTOR (RADIO RECEIVER ASSEMBLY - NO. 4 CAN JUNCTION CONNECTOR)


    1. B000ZB3C05
      *a

      Front view of wire harness connector

      (to Radio Receiver Assembly)

      Disconnect the radio receiver assembly connector.

    2. Measure the resistance according to the value(s) in the table below.

      Standard Resistance
      Tester Connection Condition Specified Condition
      P46-5 (CNH1) - P46-6 (CNL1) Cable disconnected from negative (-) battery terminal 108 to 132 Ω
      Result
      Proceed to
      OK
      NG

    OK
    NG
  21. CHECK HARNESS AND CONNECTOR (REMOTE OPERATION CONTROLLER ASSEMBLY [REMOTE TOUCH] - NO. 4 CAN JUNCTION CONNECTOR)


    1. B000XJEC31
      *a

      Front view of wire harness connector

      (to Remote Operation Controller Assembly [Remote Touch])

      Disconnect the remote operation controller assembly (remote touch) connector.

    2. Measure the resistance according to the value(s) in the table below.

      Standard Resistance
      Tester Connection Condition Specified Condition
      P69-9 (MO+) - P69-8 (MO-) Cable disconnected from negative (-) battery terminal 108 to 132 Ω
      Result
      Proceed to
      OK
      NG

    OK
    NG
  22. CHECK HARNESS AND CONNECTOR (METER MIRROR SUB-ASSEMBLY - BATTERY AND BODY GROUND)


    1. B000U75C32
      *a

      Front view of wire harness connector

      (to Meter Mirror Sub-assembly)

      Disconnect the meter mirror sub-assembly connector.

    2. Measure the resistance according to the value(s) in the table below.

      Standard Resistance
      Tester Connection Condition Specified Condition
      P80-4 (ES) - Body ground Always Below 1 Ω
    3. Measure the voltage according to the value(s) in the table below.

      Standard Voltage
      Tester Connection Condition Specified Condition
      P80-2 (B) - Body ground Always 11 to 14 V
      P80-1 (IG) - Body ground Engine switch on (IG) 11 to 14 V
      Result
      Proceed to
      OK
      NG

    NG
    OK
  23. CHECK HARNESS AND CONNECTOR (METER MIRROR SUB-ASSEMBLY - NO. 4 CAN JUNCTION CONNECTOR)


    1. B000U75C31
      *a

      Front view of wire harness connector

      (to Meter Mirror Sub-assembly)

      Disconnect the cable from the negative (-) battery terminal.

    2. Disconnect the meter mirror sub-assembly connector.

    3. Measure the resistance according to the value(s) in the table below.

      Standard Resistance
      Tester Connection Condition Specified Condition
      P80-14 (TX+) - P80-15 (TX-) Cable disconnected from negative (-) battery terminal 54 to 69 Ω
      Result
      Proceed to
      OK
      NG

    OK
    NG
  24. CHECK HARNESS AND CONNECTOR (CLOCK ASSEMBLY - BATTERY AND BODY GROUND)


    1. B000YK6C30
      *a

      Front view of wire harness connector

      (to Clock Assembly)

      Disconnect the clock assembly connector.

    2. Measure the resistance according to the value(s) in the table below.

      Standard Resistance
      Tester Connection Condition Specified Condition
      P68-7 (E) - Body ground Always Below 1 Ω
    3. Measure the voltage according to the value(s) in the table below.

      Standard Voltage
      Tester Connection Condition Specified Condition
      P68-1 (B) - Body ground Always 11 to 14 V
      P68-2 (ACC) - Body ground Engine switch on (ACC) 11 to 14 V
      Result
      Proceed to
      OK
      NG

    NG
    OK
  25. CHECK HARNESS AND CONNECTOR (CLOCK ASSEMBLY - NO. 4 CAN JUNCTION CONNECTOR)


    1. B000YK6C29
      *a

      Front view of wire harness connector

      (to Clock Assembly)

      Disconnect the cable from the negative (-) battery terminal.

    2. Disconnect the clock assembly connector.

    3. Measure the resistance according to the value(s) in the table below.

      Standard Resistance
      Tester Connection Condition Specified Condition
      P68-5 (TX+1) - P68-6 (TX-1) Cable disconnected from negative (-) battery terminal 54 to 69 Ω
      Result
      Proceed to
      OK
      NG

    OK
    NG