AUDIO AND VISUAL SYSTEM, Diagnostic DTC:C1622

DTC Code DTC Name
C1622 Back Camera Disconnected

DESCRIPTION

This DTC is stored if the radio receiver assembly judges that the signals or signal lines between the television camera assembly and the multi-display are not normal as a result of its self check.

DTC No. Detection Item DTC Detection Condition Trouble Area
C1622 Back Camera Disconnected Open or short in the television camera assembly signal circuit
  • Harness or connector

  • Television camera assembly

  • Multi-display

  • Radio receiver assembly

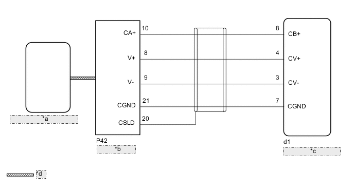
WIRING DIAGRAM

B000WBXE04
*a Radio Receiver Assembly
*b Multi-display
*c Television Camera Assembly
*d AVC-LAN Communication Line

CAUTION / NOTICE / HINT

Note


  • If the cable was disconnected from and reconnected to the negative (-) battery terminal, the estimated course lines may not be displayed on the image of the area behind the vehicle. In this case, perform "Correct the Steering Angle Neutral Point".

    Click here

  • Depending on the parts that are replaced or operations that are performed during vehicle inspection or maintenance, calibration of other systems as well as the parking assist monitor system may be needed.

    Click here

  • The following malfunctions may occur if a radio receiver assembly from another vehicle is installed to this vehicle. Therefore, when replacing the radio receiver assembly, be sure to replace it with new one.


    • Communication malfunction DTC is output

    • Does not operate normally

Tech Tips

Depending on the parts that are replaced during vehicle inspection or maintenance, performing initialization, registration or calibration may be needed. Refer to Precaution for Audio and Visual System.

Click here

PROCEDURE


  1. CHECK HARNESS AND CONNECTOR (TELEVISION CAMERA ASSEMBLY - MULTI-DISPLAY)


    1. Disconnect the d1 television camera assembly connector.

    2. Disconnect the P42 multi-display connector.

    3. Measure the resistance according to the value(s) in the table below.

      Standard Resistance
      Tester Connection Condition Specified Condition
      d1-8 (CB+) - P42-10 (CA+) Always Below 1 Ω
      d1-4 (CV+) - P42-8 (V+) Always Below 1 Ω
      d1-3 (CV-) - P42-9 (V-) Always Below 1 Ω
      d1-7 (CGND) - P42-21 (CGND) Always Below 1 Ω
      d1-8 (CB+) or P42-10 (CA+) - Body ground Always 10 kΩ or higher
      d1-4 (CV+) or P42-8 (V+) - Body ground Always 10 kΩ or higher
      d1-3 (CV-) or P42-9 (V-) - Body ground Always 10 kΩ or higher
      d1-7 (CGND) or P42-21 (CGND) - Body ground Always 10 kΩ or higher
      Result
      Proceed to
      OK
      NG

    NG
    OK
  2. CHECK MULTI-DISPLAY (CA+, CGND)


    1. B000XJZC01
      *a

      Component with harness connected

      (Multi-display)

      Remove the multi-display with the connector still connected.

      Click here

    2. Measure the voltage according to the value(s) in the table below.

      Standard Voltage
      Tester Connection Switch Condition Specified Condition
      P42-10 (CA+) - P42-21 (CGND) Engine switch on (ACC) 5.5 to 7.05 V
    3. Measure the resistance according to the value(s) in the table below.

      Standard Resistance
      Tester Connection Condition Specified Condition
      P42-21 (CGND) - Body ground Always Below 1 Ω
      Result
      Proceed to
      OK
      NG

    NG
    OK
  3. CHECK TELEVISION CAMERA ASSEMBLY

    B000Z66C02
    *a

    Component with harness connected

    (multi-display)

    *b Waveform 1
    *c Waveform 2 *d Synchronization Signal
    *e Video Waveform - -

    1. Remove the multi-display with the connector still connected.

      Click here

    2. Check the waveform of the television camera assembly using an oscilloscope.

      Item Content
      Measurement terminal P42-8 (V+) - P42-9 (V-)
      Measurement setting 200 mV/DIV., 50 μsec./DIV.
      Condition

      Waveform 1: Engine running, shift position in R, camera lens is not covered, displaying an image.

      Waveform 2: Engine running, shift position in R, camera lens is covered, blacking out the screen.

      Tech Tips


      • The video waveform changes according to the image sent by the television camera assembly.

      • The video waveform is constantly output when the engine switch is on (ACC).

      OK
      Waveform is as shown in the illustration.
      Result
      Proceed to
      OK
      NG

    NG
    OK
  4. CHECK MULTI-DISPLAY


    1. Replace the multi-display with a new or known good one.

      Click here

    2. Clear the DTCs.

      Click here


      Body Electrical > Navigation System > Clear DTCs
    3. Check for DTCs and check that no DTCs are output.

      Click here


      Body Electrical > Navigation System > Trouble Codes
      Result
      Result Proceed to
      DTC C1622 is not output A
      DTC C1622 is output B

    A
    B