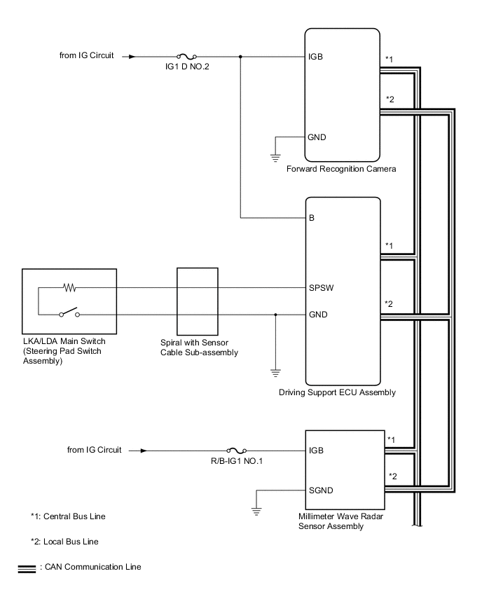
LKA/LDA SYSTEM SYSTEM DIAGRAM

B000TVVE06
B000TYSE09