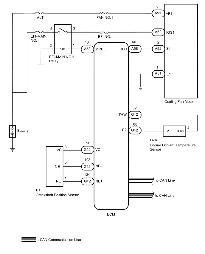
COOLING FAN SYSTEM SYSTEM DIAGRAM

B000U1SE02