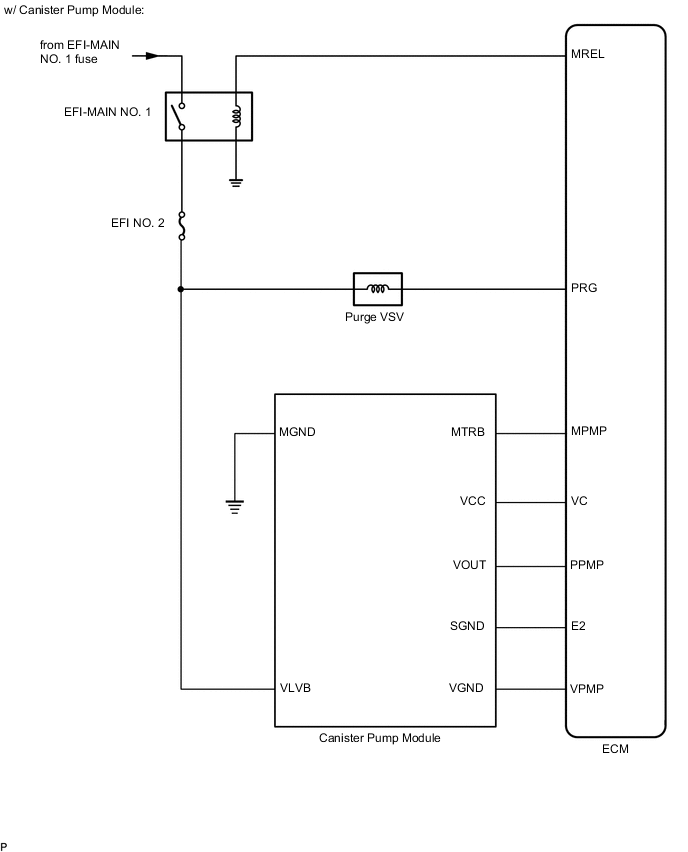
EMISSION CONTROL SYSTEM SYSTEM DIAGRAM

B000Z1YE02
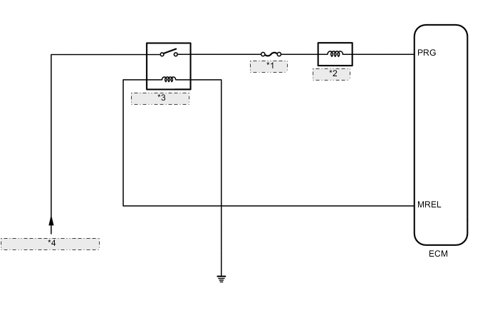
B000WKYE02
w/o Canister Pump Module
*1 EFI NO. 2
*2 Purge VSV
*3 EFI-MAIN NO. 1
*4 from EFI-MAIN NO. 1 fuse