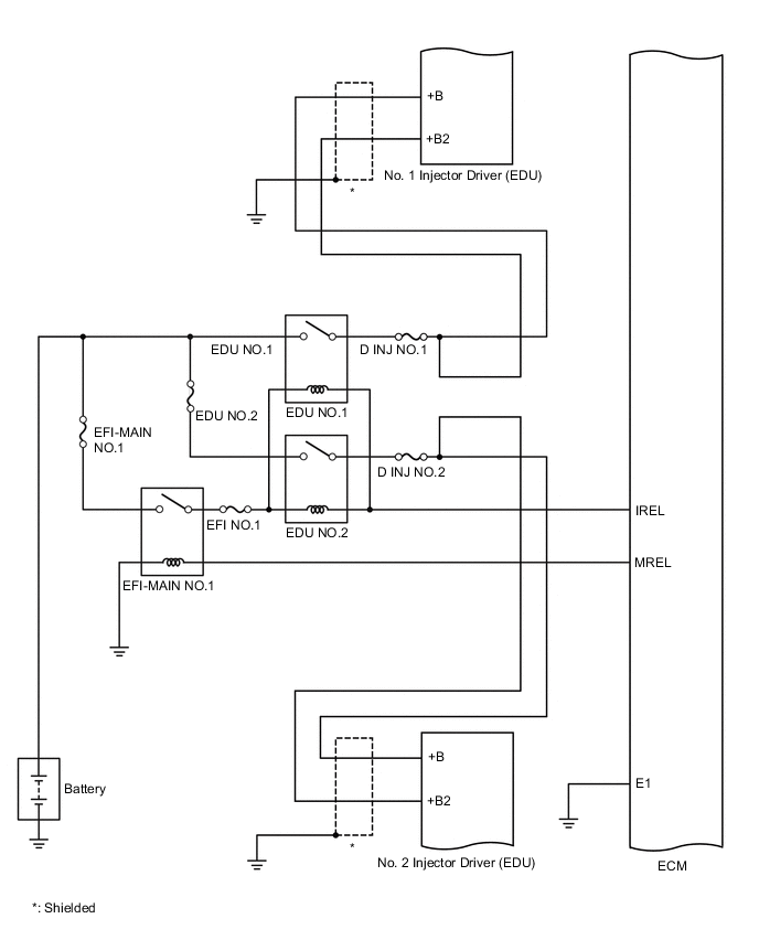
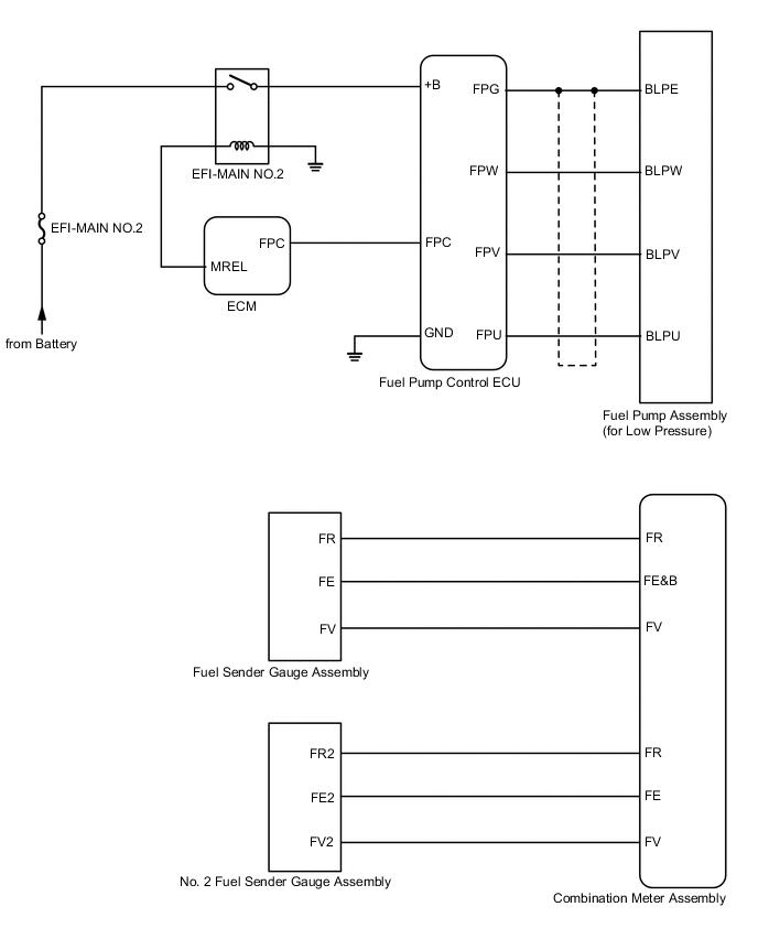
FUEL SYSTEM SYSTEM DIAGRAM


  1. HIGH PRESSURE SIDE FUEL SYSTEM WIRING DIAGRAM

    B000YVME03
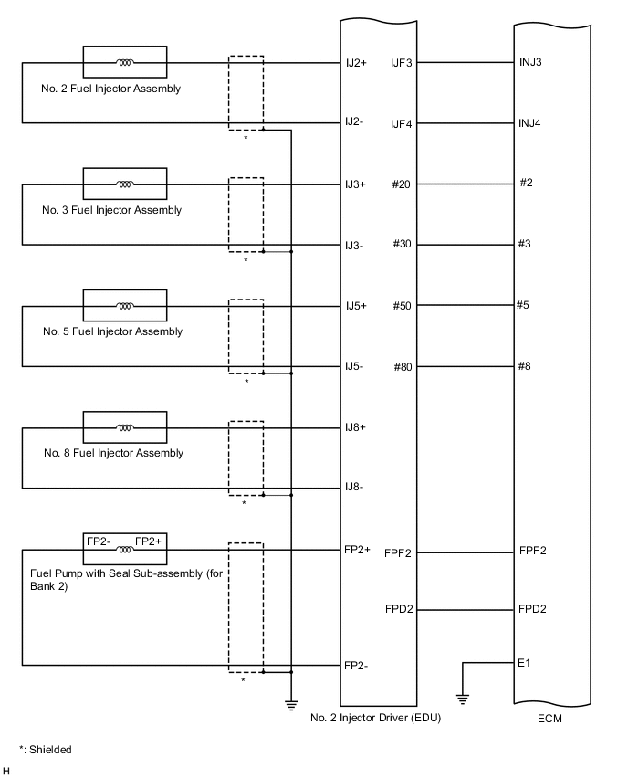
    B000XHLE03
    B000VZRE02
    B000XHZE02
    *1 Fuel Delivery Pipe LH (Fuel Pressure Sensor)
  2. LOW PRESSURE SIDE FUEL SYSTEM WIRING DIAGRAM

    B000ZCFE02
    B000Z44E02