RELAY ON-VEHICLE INSPECTION

PROCEDURE


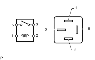
  1. INSPECT NO. 1 IGNITION RELAY (IG1)


    1. B000Z6CN05

      Measure the resistance according to the value(s) in the table below.

      Standard Resistance
      Tester Connection Condition Specified Condition
      3 - 5 Battery voltage not applied between terminals 1 and 2 10 kΩ or higher
      Battery voltage applied between terminals 1 and 2 Below 1 Ω

      If the result is not as specified, replace the NO. 1 ignition relay (IG1).

  2. INSPECT NO. 2 IGNITION RELAY (IG2)


    1. B000Z6CN05

      Measure the resistance according to the value(s) in the table below.

      Standard Resistance
      Tester Connection Condition Specified Condition
      3 - 5 Battery voltage not applied between terminals 1 and 2 10 kΩ or higher
      Battery voltage applied between terminals 1 and 2 Below 1 Ω

      If the result is not as specified, replace the NO. 2 ignition relay (IG2).

  3. INSPECT NO. 1 ELECTRONIC FUEL INJECTION MAIN RELAY (EFI MAIN NO. 1)


    1. B000Z6CN05

      Measure the resistance according to the value(s) in the table below.

      Standard Resistance
      Tester Connection Condition Specified Condition
      3 - 5 Battery voltage not applied between terminals 1 and 2 10 kΩ or higher
      Battery voltage applied between terminals 1 and 2 Below 1 Ω

      If the result is not as specified, replace the NO. 1 electronic fuel injection main relay (EFI MAIN NO. 1)

  4. INSPECT NO. 2 ELECTRONIC FUEL INJECTION MAIN RELAY (EFI MAIN NO. 2)


    1. B000Z6CN05

      Measure the resistance according to the value(s) in the table below.

      Standard Resistance
      Tester Connection Condition Specified Condition
      3 - 5 Battery voltage not applied between terminals 1 and 2 10 kΩ or higher
      Battery voltage applied between terminals 1 and 2 Below 1 Ω

      If the result is not as specified, replace the NO. 2 electronic fuel injection main relay (EFI MAIN NO. 2)

  5. INSPECT NO. 5 ELECTRONIC FUEL INJECTION MAIN RELAY (EFI MAIN NO. 5)


    1. B000Z6CN05

      Measure the resistance according to the value(s) in the table below.

      Standard Resistance
      Tester Connection Condition Specified Condition
      3 - 5 Battery voltage not applied between terminals 1 and 2 10 kΩ or higher
      Battery voltage applied between terminals 1 and 2 Below 1 Ω

      If the result is not as specified, replace the NO. 5 electronic fuel injection main relay (EFI MAIN NO. 5)

  6. INSPECT AIR FUEL RATIO SENSOR HEATER RELAY (A/F HTR)


    1. B000Z6CN05

      Measure the resistance according to the value(s) in the table below.

      Standard Resistance
      Tester Connection Condition Specified Condition
      3 - 5 Battery voltage not applied between terminals 1 and 2 10 kΩ or higher
      Battery voltage applied between terminals 1 and 2 Below 1 Ω

      If the result is not as specified, replace the air fuel ratio sensor heater relay (A/F HTR)

  7. INSPECT NO. 1 ELECTRONIC DRIVER UNIT RELAY (EDU NO. 1)


    1. B000UFTC06

      Measure the resistance according to the value(s) in the table below.

      Standard Resistance
      Tester Connection Condition Specified Condition
      3 - 5 Battery voltage not applied between terminals 1 and 2 10 kΩ or higher
      Battery voltage applied between terminals 1 and 2 Below 1 Ω

      If the result is not as specified, replace the NO. 1 electronic driver unit relay (EDU NO. 1)

  8. INSPECT NO. 2 ELECTRONIC DRIVER UNIT RELAY (EDU NO. 2)


    1. B000UFTC06

      Measure the resistance according to the value(s) in the table below.

      Standard Resistance
      Tester Connection Condition Specified Condition
      3 - 5 Battery voltage not applied between terminals 1 and 2 10 kΩ or higher
      Battery voltage applied between terminals 1 and 2 Below 1 Ω

      If the result is not as specified, replace the NO. 2 electronic driver unit relay (EDU NO. 2)