BLIND SPOT MONITOR SYSTEM, Diagnostic DTC:U0232

DTC Code DTC Name
U0232 Lost Communication with Blind Spot Monitor Slave Module

DESCRIPTION

This DTC is stored when the blind spot monitor sensor RH judges that there is a communication problem with the blind spot monitor sensor LH.

DTC No. Detection Item DTC Detection Condition Trouble Area
U0232 Lost Communication with Blind Spot Monitor Slave Module The blind spot monitor sensor (master) cannot receive signals from the blind spot monitor sensor (slave)
  • Open or short in CAN bus main wire or connector

  • Blind spot monitor sensor LH

  • Power source circuit of blind spot monitor sensor LH

  • Blind spot monitor sensor LH ground circuit

  • Blind spot monitor sensor RH

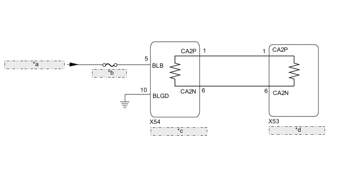
WIRING DIAGRAM

B000U8AE20
*a from LUG-IG1 NO.2 Relay
*b LUG-IG1 NO.4
*c Blind Spot Monitor Sensor LH
*d Blind Spot Monitor Sensor RH

CAUTION / NOTICE / HINT

Note


  • When checking for DTCs, make sure that the blind spot monitor system is turned on.

  • Inspect the fuses for circuits related to this system before performing the following procedure.

  • Before measuring the resistance of the CAN bus, turn the engine switch off and leave the vehicle for 1 minute or more without operating the key or any switches, or opening or closing the doors. After that, disconnect the cable from the negative (-) battery terminal and leave the vehicle for 1 minute or more before measuring the resistance.

  • After turning the engine switch off, waiting time may be required before disconnecting the cable from the negative (-) battery terminal. Therefore, make sure to read the disconnecting the cable from the negative (-) battery terminal notices before proceeding with work.

    Click here

Tech Tips


  • Operating the engine switch, any other switches or a door triggers related ECU and sensor communication on the CAN. This communication will cause the resistance value to change.

  • Even after DTCs are cleared, if a DTC is stored again after driving the vehicle for a while, the malfunction may be occurring due to vibration of the vehicle. In such a case, wiggling the ECUs or wire harness while performing the inspection below may help determine the cause of the malfunction.

PROCEDURE


  1. CHECK CAN BUS MAIN WIRE


    1. B000UKRC01
      *a

      Component with harness connected

      (Blind spot monitor sensor RH)

      *b DLC3

      Disconnect the cable from the negative (-) battery terminal.

    2. Measure the resistance according to the value(s) in the table below.

      Standard Resistance
      Tester Connection Condition Specified Condition Result
      X53-1 (CA2P) -X53-6 (CA2N) Cable disconnected from negative (-) battery terminal 54 to 69 Ω Below 54 Ω: Short circuit between bus lines
      70 Ω or more: Open circuit in main bus lines
      X53-1(CA2P) - P12-4(CG) Cable disconnected from negative (-) battery terminal 200 Ω or higher Below 200 Ω: CA2P short to ground
      X53-6(CA2N) - P12-4(CG) Cable disconnected from negative (-) battery terminal 200 Ω or higher Below 200 Ω: CA2N short to ground
      X53-1(CA2P) - P12-16(BAT) Cable disconnected from negative (-) battery terminal 6 kΩ or higher Below 6 kΩ: CA2P +B short
      X53-6(CA2N) - P12-16(BAT) Cable disconnected from negative (-) battery terminal 6 kΩ or higher Below 6 kΩ: CA2N +B short
      Result
      Result Proceed to
      OK A
      Open circuit in CAN main bus lines B
      Short circuit between bus lines C

      • Short to ground

      • +B short

      D

    B
    C
    D
    A
  2. CHECK HARNESS AND CONNECTOR (BLIND SPOT MONITOR SENSOR LH - BODY GROUND)


    1. B000XDSC85
      *a

      Front view of wire harness connector

      (to Blind Spot Monitor Sensor LH)

      Disconnect the blind spot monitor sensor LH connector.

    2. Measure the resistance according to the value(s) in the table below.

      Standard Resistance
      Tester Connection Condition Specified Condition
      X54-10 (BLGD) - Body ground Always Below 1 Ω
      Result
      Proceed to
      OK
      NG

    NG
    OK
  3. CHECK HARNESS AND CONNECTOR (BLIND SPOT MONITOR SENSOR LH POWER SOURCE)


    1. B000XDSC86
      *a

      Front view of wire harness connector

      (to Blind Spot Monitor Sensor LH)

      Disconnect the blind spot monitor sensor LH connector.

    2. Measure the voltage according to the value(s) in the table below.

      Standard Voltage
      Tester Connection Switch Condition Specified Condition
      X54-5 (BLB) - Body ground Engine switch on (IG) 11 to 14 V
      X54-5 (BLB) - Body ground Engine switch off Below 1 V
      Result
      Proceed to
      OK
      NG

    NG
    OK
  4. CHECK DTC


    1. Turn the engine switch off.

    2. Turn the engine switch on (IG).

    3. Check for DTCs.

      Click here


      Body Electrical > Blind Spot Monitor Master > Trouble Codes
      OK
      No DTCs are output.
      Result
      Proceed to
      OK
      NG

    OK
    NG
  5. REPLACE BLIND SPOT MONITOR SENSOR LH


    1. Replace the blind spot monitor sensor LH.

      Click here

    2. Clear the DTCs.

      Click here


      Body Electrical > Blind Spot Monitor Master > Clear DTCs
    3. Recheck for DTCs and check if the same DTC is output again.

      Click here


      Body Electrical > Blind Spot Monitor Master > Trouble Codes
      OK
      No DTCs are output.
      Result
      Proceed to
      OK
      NG

    OK
    NG
  6. CHECK FOR OPEN IN CAN BUS MAIN WIRE (BLIND SPOT MONITOR SENSOR LH)


    1. B000VHNC06
      *a

      Front view of wire harness connector

      (to blind spot monitor sensor LH)

      Disconnect the cable from the negative (-) battery terminal.

    2. Disconnect the blind spot monitor sensor LH connector.

    3. Measure the resistance according to the value(s) in the table below.

      Standard Resistance
      Tester Connection Condition Specified Condition
      X54-1 (CA2P) - X54-6 (CA2N) Cable disconnected from negative (-) battery terminal 108 to 132 Ω
      Result
      Proceed to
      OK
      NG

    OK
    NG
  7. CHECK FOR OPEN IN CAN BUS MAIN WIRE (BLIND SPOT MONITOR SENSOR RH)


    1. B000VHNC05
      *a

      Front view of wire harness connector

      (to blind spot monitor sensor RH)

      Disconnect the cable from the negative (-) battery terminal.

    2. Disconnect the blind spot monitor sensor RH connector.

    3. Measure the resistance according to the value(s) in the table below.

      Standard Resistance
      Tester Connection Condition Specified Condition
      X53-1 (CA2P) -X53-6 (CA2N) Cable disconnected from negative (-) battery terminal 108 to 132 Ω
      Result
      Proceed to
      OK
      NG

    OK
    NG
  8. CHECK FOR SHORT IN CAN BUS WIRES (BLIND SPOT MONITOR SENSOR LH)


    1. B000VHNC06
      *a

      Front view of wire harness connector

      (to blind spot monitor sensor LH)

      Disconnect the cable from the negative (-) battery terminal.

    2. Disconnect the blind spot monitor sensor LH connector.

    3. Measure the resistance according to the value(s) in the table below.

      Standard Resistance
      Tester Connection Condition Specified Condition
      X54-1 (CA2P) - X54-6 (CA2N) Cable disconnected from negative (-) battery terminal 108 to 132 Ω
      Result
      Proceed to
      OK
      NG

    OK
    NG
  9. CHECK FOR SHORT IN CAN BUS WIRES (BLIND SPOT MONITOR SENSOR RH)


    1. B000VHNC05
      *a

      Front view of wire harness connector

      (to blind spot monitor sensor RH)

      Disconnect the cable from the negative (-) battery terminal.

    2. Disconnect the blind spot monitor sensor RH connector.

    3. Measure the resistance according to the value(s) in the table below.

      Standard Resistance
      Tester Connection Condition Specified Condition
      X53-1 (CA2P) -X53-6 (CA2N) Cable disconnected from negative (-) battery terminal 108 to 132 Ω
      Result
      Proceed to
      OK
      NG

    OK
    NG
  10. CHECK FOR SHORT IN CAN BUS WIRES (BLIND SPOT MONITOR SENSOR LH)


    1. B000UOCC23
      *a

      Front view of wire harness connector

      (to blind spot monitor sensor LH)

      *b DLC3

      Disconnect the cable from the negative (-) battery terminal.

    2. Disconnect the blind spot monitor sensor LH connector.

    3. Measure the resistance according to the value(s) in the table below.

      Standard Resistance
      Tester Connection Condition Specified Condition
      X54-1 (CA2P) - P12-4 (CG) Cable disconnected from negative (-) battery terminal 200 Ω or higher
      X54-6 (CA2N) - P12-4 (CG) Cable disconnected from negative (-) battery terminal 200 Ω or higher
      X54-1 (CA2P) - P12-16 (BAT) Cable disconnected from negative (-) battery terminal 6 kΩ or higher
      X54-6 (CA2N) - P12-16 (BAT) Cable disconnected from negative (-) battery terminal 6 kΩ or higher
      Result
      Proceed to
      OK
      NG

    OK
    NG
  11. CHECK FOR SHORT IN CAN BUS WIRES (BLIND SPOT MONITOR SENSOR RH)


    1. B000UOCC24
      *a

      Front view of wire harness connector

      (to blind spot monitor sensor RH)

      *b DLC3

      Disconnect the cable from the negative (-) battery terminal.

    2. Disconnect the blind spot monitor sensor RH connector.

    3. Measure the resistance according to the value(s) in the table below.

      Standard Resistance
      Tester Connection Condition Specified Condition
      X53-1 (CA2P) - P12-4 (CG) Cable disconnected from negative (-) battery terminal 200 Ω or higher
      X53-6 (CA2N) - P12-4 (CG) Cable disconnected from negative (-) battery terminal 200 Ω or higher
      X53-1 (CA2P) - P12-16 (BAT) Cable disconnected from negative (-) battery terminal 6 kΩ or higher
      X53-6 (CA2N) - P12-16 (BAT) Cable disconnected from negative (-) battery terminal 6 kΩ or higher
      Result
      Proceed to
      OK
      NG

    OK
    NG