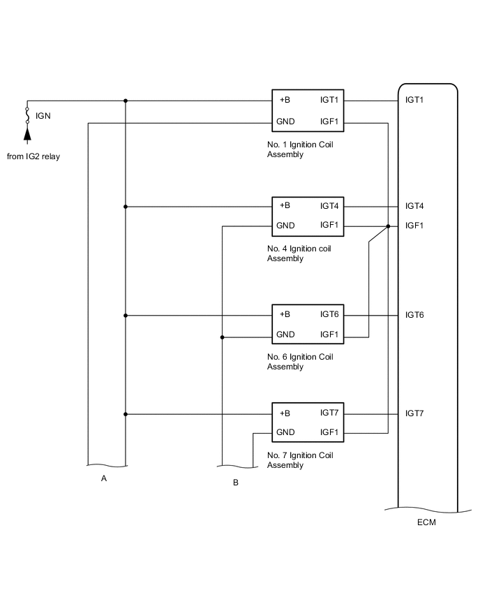
IGNITION SYSTEM SYSTEM DIAGRAM

B000Y0VE01
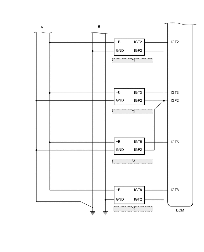
B000X1ME01
*1 No. 2 Ignition Coil Assembly
*2 No. 3 Ignition Coil Assembly
*3 No. 5 Ignition Coil Assembly
*4 No. 8 Ignition Coil Assembly