RELAY ON-VEHICLE INSPECTION

PROCEDURE


  1. INSPECT HORN RELAY

    B004NIBN09

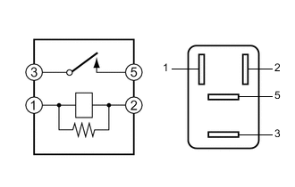
    1. Measure the resistance according to the value(s) in the table below.

      Standard Resistance
      Tester Connection Condition Specified Condition
      3 - 5 Battery voltage not applied between terminals 1 and 2 10 kΩ or higher
      3 - 5 Battery voltage applied between terminals 1 and 2 Below 1 Ω

      If the result is not as specified, replace the HORN relay.