POWER WINDOW CONTROL SYSTEM, Diagnostic DTC:B2312

DTC Code DTC Name
B2312 Power Window Switch Malfunction

DESCRIPTION

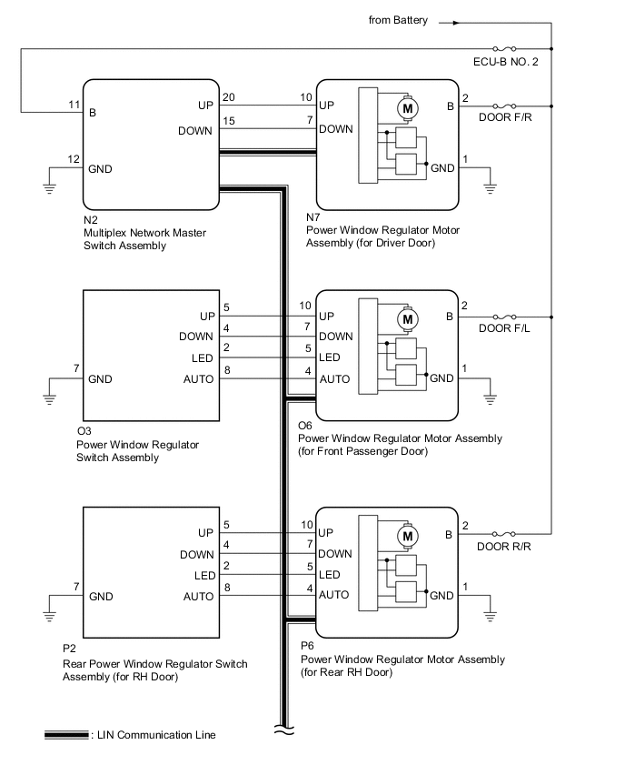
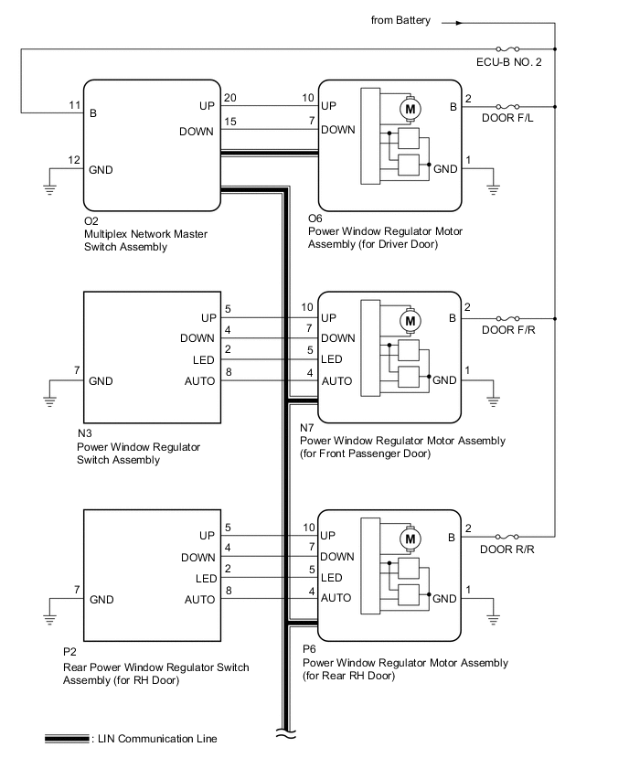
The power window regulator motor assemblies are operated by the multiplex network master switch assembly, power window regulator switch assembly or rear power window regulator switch assemblies. Each power window regulator motor assemblies have motor, regulator and ECU functions.

This DTC is stored when the ECU built into a power window regulator motor assembly and multiplex network master switch assembly determine that the multiplex network master switch assembly, power window regulator switch assembly or rear power window regulator switch assembly is stuck.

Master Switch
DTC No. Detection Item DTC Detection Condition Trouble Area
B2312 Power Window Switch Malfunction
  • Multiplex network master switch assembly stuck

  • Multiplex network master switch assembly held in same position for more than 20 seconds

  • Multiplex network master switch assembly operated for 20 seconds or more

Multiplex network master switch assembly
D-Door Motor
DTC No. Detection Item DTC Detection Condition Trouble Area
B2312 Power Window Switch Malfunction
  • Multiplex network master switch assembly stuck

  • Multiplex network master switch assembly held in same position for more than 20 seconds


  • Multiplex network master switch assembly

  • Power window regulator motor assembly (for driver door)

  • Wire harness or connector

P-Door Motor
DTC No. Detection Item DTC Detection Condition Trouble Area
B2312 Power Window Switch Malfunction
  • Power window regulator switch assembly stuck

  • Power window regulator switch assembly held in same position for more than 20 seconds


  • Power window regulator switch assembly

  • Power window regulator motor assembly (for front passenger door)

  • Wire harness or connector

RL-Door Motor
DTC No. Detection Item DTC Detection Condition Trouble Area
B2312 Power Window Switch Malfunction
  • Rear power window regulator switch assembly (for LH door) stuck

  • Rear power window regulator switch assembly (for LH door) held in same position for more than 20 seconds


  • Rear power window regulator switch assembly (for LH door)

  • Power window regulator motor assembly (for rear LH door)

  • Wire harness or connector

RR-Door Motor
DTC No. Detection Item DTC Detection Condition Trouble Area
B2312 Power Window Switch Malfunction
  • Rear power window regulator switch assembly (for RH door) stuck

  • Rear power window regulator switch assembly (for RH door) held in same position for more than 20 seconds


  • Rear power window regulator switch assembly (for RH door)

  • Power window regulator motor assembly (for rear RH door)

  • Wire harness or connector

WIRING DIAGRAM


  1. for LHD

    B006ZCBE58
    B006Y79E36
  2. for RHD

    B006ZCBE59
    B006Y79E36

CAUTION / NOTICE / HINT

Note


  • DTC B2312 is stored in the multiplex network master switch assembly and in each power window regulator motor assembly.

  • If a power window regulator motor assembly has been replaced with a new one, initialize the power window control system.

    Click here

  • Inspect the fuses for circuits related to this system before performing the following procedure.

  • The power window control system uses the LIN communication system. Inspect the communication function by following How to Proceed with Troubleshooting. Troubleshoot the power window control system after confirming that the communication system is functioning properly.

    Click here

Tech Tips

If DTC B2312 is not output again after the DTC has been cleared, the DTC was stored due to the switch being held in the same position continuously.

PROCEDURE


  1. CHECK FOR DTC


    1. Clear the DTCs.


      Body Electrical > Master Switch > Clear DTCs
      Body Electrical > D-Door Motor > Clear DTCs
      Body Electrical > P-Door Motor > Clear DTCs
      Body Electrical > RL-Door Motor > Clear DTCs
      Body Electrical > RR-Door Motor > Clear DTCs
    2. Check for DTCs.


      Body Electrical > Master Switch > Trouble Codes
      Body Electrical > D-Door Motor > Trouble Codes
      Body Electrical > P-Door Motor > Trouble Codes
      Body Electrical > RL-Door Motor > Trouble Codes
      Body Electrical > RR-Door Motor > Trouble Codes
      OK
      DTC B2312 is not output.
      Result
      Proceed to
      OK
      NG

    OK
    NG
  2. CHECK DTC OUTPUT


    1. Check the parts from which this DTC has been output.

      Result
      Result Proceed to
      DTC output from multiplex network master switch assembly A
      DTC output from power window regulator motor assembly (for driver door) B
      DTC output from power window regulator motor assembly (for front passenger door) C
      DTC output from power window regulator motor assembly (for rear LH door) D
      DTC output from power window regulator motor assembly (for rear RH door) E

    A
    C
    D
    E
    B
  3. READ VALUE USING GTS (D-DOOR MOTOR)


    1. Connect the GTS to the DLC3.

    2. Turn the ignition switch to ON.

    3. Turn the GTS on.

    4. Enter the following menus: Body Electrical / D-Door Motor / Data List.

    5. Read the Data List according to the display on the GTS.


      Body Electrical > D-Door Motor > Data List
      Tester Display Measurement Item Range Normal Condition Diagnostic Note
      D Door P/W Up SW Driver door power window manual up switch signal OFF or ON

      OFF: Driver door power window manual up switch not being operated

      ON: Driver door power window manual up switch being operated

      -
      D Door P/W Down SW Driver door power window manual down switch signal OFF or ON

      OFF: Driver door power window manual down switch not being operated

      ON: Driver door power window manual down switch being operated

      -

      Body Electrical > D-Door Motor > Data List
      Tester Display
      D Door P/W Up SW
      D Door P/W Down SW
      OK
      On the GTS screen, ON or OFF is displayed accordingly.
      Result
      Proceed to
      OK
      NG

    OK
    NG
  4. CHECK MULTIPLEX NETWORK MASTER SWITCH ASSEMBLY


    1. B006YNBC13
      *A for LHD
      *B for RHD
      *a

      Front view of wire harness connector

      (to Power Window Regulator Motor Assembly (for Driver Door))

      Disconnect the O6*1 or N7*2 power window regulator motor assembly (for driver door) connector.


      • *1: for LHD

      • *2: for RHD

    2. Measure the voltage according to the value(s) in the table below.

      Standard Voltage
      for LHD
      Tester Connection Condition Specified Condition
      O6-10 (UP) - Body ground Ignition switch ON 11 to 14 V
      O6-7 (DOWN) - Body ground Ignition switch ON 11 to 14 V
      for RHD
      Tester Connection Condition Specified Condition
      N7-10 (UP) - Body ground Ignition switch ON 11 to 14 V
      N7-7 (DOWN) - Body ground Ignition switch ON 11 to 14 V
      Result
      Proceed to
      OK
      NG

    OK
    NG
  5. CHECK HARNESS AND CONNECTOR (MULTIPLEX NETWORK MASTER SWITCH ASSEMBLY - POWER WINDOW REGULATOR MOTOR ASSEMBLY (for Driver Door))


    1. Disconnect the O2*1 or N2*2 multiplex network master switch assembly connector.


      • *1: for LHD

      • *2: for RHD

    2. Measure the resistance according to the value(s) in the table below.

      Standard Resistance
      for LHD
      Tester Connection Condition Specified Condition
      O2-20 (UP) or O6-10 (UP) - Body ground Always 10 kΩ or higher
      O2-15 (DOWN) or O6-7 (DOWN) - Body ground Always 10 kΩ or higher
      for RHD
      Tester Connection Condition Specified Condition
      N2-20 (UP) or N7-10 (UP) - Body ground Always 10 kΩ or higher
      N2-15 (DOWN) or N7-7 (DOWN) - Body ground Always 10 kΩ or higher
      Result
      Proceed to
      OK
      NG

    OK
    NG
  6. READ VALUE USING GTS (P-DOOR MOTOR)


    1. Connect the GTS to the DLC3.

    2. Turn the ignition switch to ON.

    3. Turn the GTS on.

    4. Enter the following menus: Body Electrical / P-Door Motor / Data List.

    5. Read the Data List according to the display on the GTS.


      Body Electrical > P-Door Motor > Data List
      Tester Display Measurement Item Range Normal Condition Diagnostic Note
      P Door P/W Auto SW Front passenger door power window auto switch signal OFF or ON

      OFF: Front passenger door power window auto up or auto down switch not being operated

      ON: Front passenger door power window auto up or auto down switch being operated

      -
      P Door P/W Up SW Front passenger door power window manual up switch signal OFF or ON

      OFF: Front passenger door power window manual up switch not being operated

      ON: Front passenger door power window manual up switch being operated

      -
      P Door P/W Down SW Front passenger door power window manual down switch signal OFF or ON

      OFF: Front passenger door power window manual down switch not being operated

      ON: Front passenger door power window manual down switch being operated

      -

      Body Electrical > P-Door Motor > Data List
      Tester Display
      P Door P/W Auto SW
      P Door P/W Up SW
      P Door P/W Down SW
      OK
      On the GTS screen, ON or OFF is displayed accordingly.
      Result
      Proceed to
      OK
      NG

    OK
    NG
  7. INSPECT POWER WINDOW REGULATOR SWITCH ASSEMBLY


    1. Remove the power window regulator switch assembly.

      Click here

    2. Inspect the power window regulator switch assembly.

      Click here

      Result
      Proceed to
      OK
      NG

    NG
    OK
  8. CHECK HARNESS AND CONNECTOR (POWER WINDOW REGULATOR SWITCH ASSEMBLY - POWER WINDOW REGULATOR MOTOR ASSEMBLY (for Front Passenger Door))


    1. Disconnect the N7*1 or O6*2 power window regulator motor assembly (for front passenger door) connector.


      • *1: for LHD

      • *2: for RHD

    2. Measure the resistance according to the value(s) in the table below.

      Standard Resistance
      for LHD
      Tester Connection Condition Specified Condition
      N3-5 (UP) or N7-10 (UP) - Body ground Always 10 kΩ or higher
      N3-8 (AUTO) or N7-4 (AUTO) - Body ground Always 10 kΩ or higher
      N3-4 (DOWN) or N7-7 (DOWN) - Body ground Always 10 kΩ or higher
      for RHD
      Tester Connection Condition Specified Condition
      O3-5 (UP) or O6-10 (UP) - Body ground Always 10 kΩ or higher
      O3-8 (AUTO) or O6-4 (AUTO) - Body ground Always 10 kΩ or higher
      O3-4 (DOWN) or O6-7 (DOWN) - Body ground Always 10 kΩ or higher
      Result
      Proceed to
      OK
      NG

    OK
    NG
  9. READ VALUE USING GTS (RL-DOOR MOTOR)


    1. Connect the GTS to the DLC3.

    2. Turn the ignition switch to ON.

    3. Turn the GTS on.

    4. Enter the following menus: Body Electrical / RL-Door Motor / Data List.

    5. Read the Data List according to the display on the GTS.


      Body Electrical > RL-Door Motor > Data List
      Tester Display Measurement Item Range Normal Condition Diagnostic Note
      RL Door P/W Auto SW Rear LH door power window auto switch signal OFF or ON

      OFF: Rear LH door power window auto up or auto down switch not being operated

      ON: Rear LH door power window auto up or auto down switch being operated

      -
      RL Door P/W Up SW Rear LH door power window manual up switch signal OFF or ON

      OFF: Rear LH door power window manual up switch not being operated

      ON: Rear LH door power window manual up switch being operated

      -
      RL Door P/W Down SW Rear LH door power window manual down switch signal OFF or ON

      OFF: Rear LH door power window manual down switch not being operated

      ON: Rear LH door power window manual down switch being operated

      -

      Body Electrical > RL-Door Motor > Data List
      Tester Display
      RL Door P/W Auto SW
      RL Door P/W Up SW
      RL Door P/W Down SW
      OK
      On the GTS screen, ON or OFF is displayed accordingly.
      Result
      Proceed to
      OK
      NG

    OK
    NG
  10. INSPECT REAR POWER WINDOW REGULATOR SWITCH ASSEMBLY (for LH Door)


    1. Remove the rear power window regulator switch assembly (for LH door).

      Click here

    2. Inspect the rear power window regulator switch assembly (for LH door).

      Click here

      Result
      Proceed to
      OK
      NG

    NG
    OK
  11. CHECK HARNESS AND CONNECTOR (REAR POWER WINDOW REGULATOR SWITCH ASSEMBLY (for LH Door) - POWER WINDOW REGULATOR MOTOR ASSEMBLY (for Rear LH Door))


    1. Disconnect the Q6 power window regulator motor assembly (for rear LH door) connector.

    2. Measure the resistance according to the value(s) in the table below.

      Standard Resistance
      Tester Connection Condition Specified Condition
      Q2-5 (UP) or Q6-10 (UP) - Body ground Always 10 kΩ or higher
      Q2-4 (DOWN) or Q6-7 (DOWN) - Body ground Always 10 kΩ or higher
      Q2-8 (AUTO) or Q6-4 (AUTO) - Body ground Always 10 kΩ or higher
      Result
      Proceed to
      OK
      NG

    OK
    NG
  12. READ VALUE USING GTS (RR-DOOR MOTOR)


    1. Connect the GTS to the DLC3.

    2. Turn the ignition switch to ON.

    3. Turn the GTS on.

    4. Enter the following menus: Body Electrical / RR-Door Motor / Data List.

    5. Read the Data List according to the display on the GTS.


      Body Electrical > RR-Door Motor > Data List
      Tester Display Measurement Item Range Normal Condition Diagnostic Note
      RR Door P/W Auto SW Rear RH door power window auto switch signal OFF or ON

      OFF: Rear RH door power window auto up or auto down switch not being operated

      ON: Rear RH door power window auto up or auto down switch being operated

      -
      RR Door P/W Up SW Rear RH door power window manual up switch signal OFF or ON

      OFF: Rear RH door power window manual up switch not being operated

      ON: Rear RH door power window manual up switch being operated

      -
      RR Door P/W Down SW Rear RH door power window manual down switch signal OFF or ON

      OFF: Rear RH door power window manual down switch not being operated

      ON: Rear RH door power window manual down switch being operated

      -

      Body Electrical > RR-Door Motor > Data List
      Tester Display
      RR Door P/W Auto SW
      RR Door P/W Up SW
      RR Door P/W Down SW
      OK
      On the GTS screen, ON or OFF is displayed accordingly.
      Result
      Proceed to
      OK
      NG

    OK
    NG
  13. INSPECT REAR POWER WINDOW REGULATOR SWITCH ASSEMBLY (for RH Door)


    1. Remove the rear power window regulator switch assembly (for RH door).

      Click here

    2. Inspect the rear power window regulator switch assembly (for RH door).

      Click here

      Result
      Proceed to
      OK
      NG

    NG
    OK
  14. CHECK HARNESS AND CONNECTOR (REAR POWER WINDOW REGULATOR SWITCH ASSEMBLY (for RH Door) - POWER WINDOW REGULATOR MOTOR ASSEMBLY (for Rear RH Door))


    1. Disconnect the P6 power window regulator motor assembly (for rear RH door) connector.

    2. Measure the resistance according to the value(s) in the table below.

      Standard Resistance
      Tester Connection Condition Specified Condition
      P2-5 (UP) or P6-10 (UP) - Body ground Always 10 kΩ or higher
      P2-4 (DOWN) or P6-7 (DOWN) - Body ground Always 10 kΩ or higher
      P2-8 (AUTO) or P6-4 (AUTO) - Body ground Always 10 kΩ or higher
      Result
      Proceed to
      OK
      NG

    OK
    NG