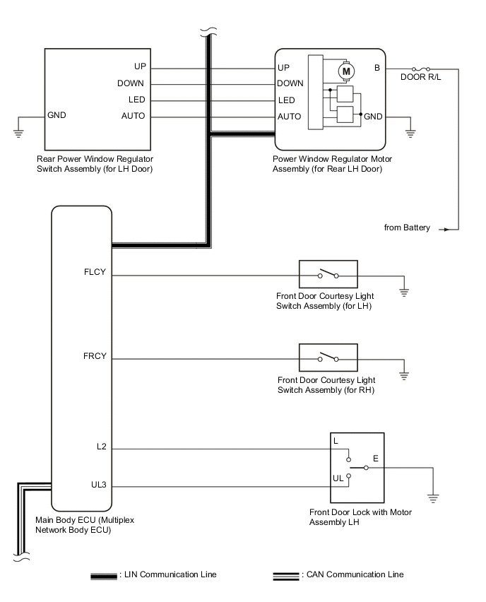
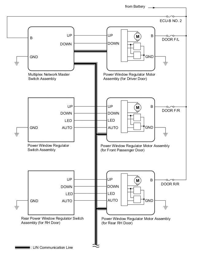
POWER WINDOW CONTROL SYSTEM SYSTEM DIAGRAM

B006ZCBE37
B004IQ4E22
B004M7ZE32
Communication Table
Transmitting ECU Receiving ECU Signal Communication Method
Multiplex Network Master Switch Assembly Power Window Regulator Motor Assembly (for Driver Door) Power window auto up and down signal LIN

  • Power Window Regulator Motor Assembly (for Front Passenger Door)

  • Power Window Regulator Motor Assembly (for Rear LH Door)

  • Power Window Regulator Motor Assembly (for Rear RH Door)

Power window remote up and down signal LIN
Main Body ECU (Multiplex Network Body ECU)
  • Power Window Regulator Motor Assembly (for Driver Door)

  • Power Window Regulator Motor Assembly (for Front Passenger Door)

  • Power Window Regulator Motor Assembly (for Rear LH Door)

  • Power Window Regulator Motor Assembly (for Rear RH Door)

Power window operation permission signal LIN
Certification ECU (Smart Key ECU Assembly)* Main Body ECU (Multiplex Network Body ECU) Wireless power window operation signal CAN
Main Body ECU (Multiplex Network Body ECU) Combination Meter Assembly Window open warning request signal CAN