PRE-COLLISION SYSTEM SYSTEM DIAGRAM

B006Y9XE01
B006Z2SE01
*1 CAXH
*2 CAXL
*3 Central Gateway ECU (Network Gateway ECU)
*4 CAN Communication Line
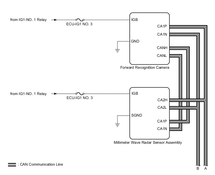
B006YSVE04
Communication Table
Sender Receiver Signal Line
Millimeter Wave Radar Sensor Assembly Forward Recognition Camera
  • Pre-collision alarm signal

  • Pre-collision braking operation signal

CAN
Skid Control ECU (Brake Actuator Assembly)
  • Brake assist standby signal

  • Pre-collision braking operation signal

ECM
  • Throttle valve close signal

Combination Meter Assembly
  • Pre-collision system malfunction signal

  • Pre-collision system warning distance signal

  • Warning signal

  • Pre-collision system cancel signal

Forward Recognition Camera Millimeter Wave Radar Sensor Assembly
  • Front obstacle recognition signal

  • Distance signal

Skid Control ECU (Brake Actuator Assembly) Millimeter Wave Radar Sensor Assembly
  • Vehicle speed signal

  • Stop light switch signal

  • Pre-collision brake control signal

  • Vehicle stability control system operation signal

  • Vehicle stability control system malfunction signal

  • VSC OFF indicator light signal

  • Vehicle yaw rate sensor signal

Forward Recognition Camera
  • Vehicle speed signal

  • Vehicle yaw rate sensor signal

Combination Meter Assembly
  • Vehicle speed signal

Yaw Rate Sensor (Airbag Sensor Assembly) Millimeter Wave Radar Sensor Assembly
  • Vehicle yaw rate sensor signal

Forward Recognition Camera
Main Body ECU (Multiplex Network Body ECU) Millimeter Wave Radar Sensor Assembly
  • Vehicle specification information (destination)

Forward Recognition Camera
Steering Sensor Millimeter Wave Radar Sensor Assembly
  • Steering angle sensor signal

  • Steering angle sensor malfunction signal

Forward Recognition Camera
ECM Millimeter Wave Radar Sensor Assembly
  • Shift position signal

  • Engine type information signal

  • Accelerator opening angle percentage signal

Millimeter Wave Radar Sensor Assembly Headup Display (Meter Mirror Sub-assembly)*
  • Warning signal

*: w/ Headup Display System