BLIND SPOT MONITOR SYSTEM, Diagnostic DTC:C1AB1

DTC Code DTC Name
C1AB1 Short to +B in Outer Mirror Indicator(Slave)

DESCRIPTION

This DTC is stored when the blind spot monitor sensor LH detects a short to +B in the outer rear view mirror indicator LH.

DTC No. Detection Item DTC Detection Condition Trouble Area
C1AB1 Short to +B in Outer Mirror Indicator(Slave)

    Both of the following conditions are met:

  • The blind spot monitor system is on


  • The blind spot monitor sensor is not sending voltage to the indicator but the indicator receives voltage above a specified level for a specified period of time


  • Outer mirror LH

  • Outer rear view mirror assembly with cover LH

  • Wire harness or connector

  • Blind spot monitor sensor LH

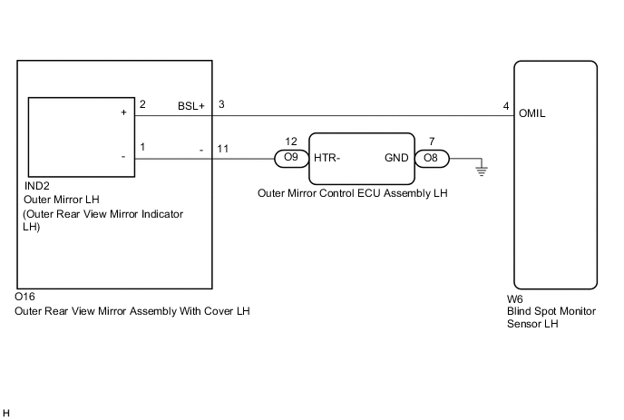
WIRING DIAGRAM


  1. B006YFDE04

CAUTION / NOTICE / HINT

Note

When checking for DTCs, make sure that the blind spot monitor system is turned on.

PROCEDURE


  1. CHECK DTC


    1. Turn the engine switch off.

    2. Turn the engine switch on (IG).

    3. Recheck for DTCs and check if the same DTC is output again.


      Body Electrical > Blind Spot Monitor Slave > Trouble Codes
      OK
      No DTCs are output.
      Result
      Proceed to
      OK
      NG

    OK
    NG
  2. CHECK HARNESS AND CONNECTOR (OUTER REAR VIEW MIRROR INDICATOR CIRCUIT)


    1. Disconnect the W6 blind spot monitor sensor LH connector.

    2. Measure the voltage according to the value(s) in the table below.

      Standard Voltage
      Tester Connection Condition Specified Condition
      W6-4 (OMIL) - Body ground Engine Switch on (IG) Below 1 V
      Result
      Proceed to
      OK
      NG

    OK
    NG
  3. CHECK HARNESS AND CONNECTOR (OUTER REAR VIEW MIRROR INDICATOR CIRCUIT)


    1. Disconnect the IND2 outer mirror LH connector.

    2. Measure the voltage according to the value(s) in the table below.

      Standard Voltage
      Tester Connection Condition Specified Condition
      W6-4 (OMIL) - Body ground Engine Switch on (IG) Below 1 V
      Result
      Proceed to
      OK
      NG

    OK
    NG
  4. CHECK HARNESS AND CONNECTOR (OUTER REAR VIEW MIRROR INDICATOR CIRCUIT)


    1. Disconnect the O16 outer rear view mirror assembly with cover LH connector.

    2. Measure the voltage according to the value(s) in the table below.

      Standard Voltage
      Tester Connection Condition Specified Condition
      W6-4 (OMIL) - Body ground Engine Switch on (IG) Below 1 V
      Result
      Proceed to
      OK
      NG

    OK
    NG