BLIND SPOT MONITOR SYSTEM, Diagnostic DTC:C1AB5

DTC Code DTC Name
C1AB5 Open in Outer Mirror Indicator(Slave)

DESCRIPTION

This DTC is stored when the blind spot monitor sensor LH detects an open in the outer rear view mirror indicator LH.

DTC No. Detection Item DTC Detection Condition Trouble Area
C1AB5 Open in Outer Mirror Indicator(Slave)

    Both of the following conditions are met:

  • The blind spot monitor system is on


  • The current flowing to the indicator is below a specified value when indicator operation voltage is being sent to the indicator


  • Outer mirror LH

  • Outer rear view mirror assembly with cover LH

  • Wire harness or connector

  • Blind spot monitor sensor LH

  • Outer mirror control ECU assembly LH

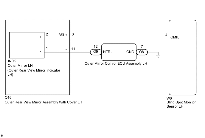
WIRING DIAGRAM


  1. B006YFDE08

CAUTION / NOTICE / HINT

Note

When checking for DTCs, make sure that the blind spot monitor system is turned on.

PROCEDURE


  1. CHECK DTC


    1. Turn the engine switch off.

    2. Turn the engine switch on (IG).

    3. Recheck for DTCs and check if the same DTC is output again.


      Body Electrical > Blind Spot Monitor Slave > Trouble Codes
      OK
      No DTCs are output.
      Result
      Proceed to
      OK
      NG

    OK
    NG
  2. CHECK HARNESS AND CONNECTOR (OUTER REAR VIEW MIRROR ASSEMBLY WITH COVER LH - BLIND SPOT MONITOR SENSOR LH)


    1. Disconnect the W6 blind spot monitor sensor LH connector.

    2. Disconnect the O16 outer rear view mirror assembly with cover LH connector.

    3. Measure the resistance according to the value(s) in the table below.

      Standard Resistance
      Tester Connection Condition Specified Condition
      W6-4 (OMIL) - O16-3 (BSL+) Always Below 1 Ω
      Result
      Proceed to
      OK
      NG

    NG
    OK
  3. CHECK HARNESS AND CONNECTOR (OUTER REAR VIEW MIRROR ASSEMBLY WITH COVER LH - OUTER MIRROR CONTROL ECU ASSEMBLY LH AND BODY GROUND)


    1. Disconnect the O16 outer rear view mirror assembly with cover LH connector.

    2. Disconnect the O8 and O9 outer mirror control ECU assembly LH connectors.

    3. Measure the resistance according to the value(s) in the table below.

      Standard Resistance
      Tester Connection Condition Specified Condition
      O16-11 (-) - O9-12 (HTR-) Always Below 1 Ω
      O8-7 (GND) - Body ground Always Below 1 Ω
      Result
      Proceed to
      OK
      NG

    NG
    OK
  4. INSPECT OUTER MIRROR CONTROL ECU ASSEMBLY LH


    1. Disconnect the O8 and O9 outer mirror control ECU assembly LH connectors.

    2. B006YIHC02
      *a

      Component without harness connected

      (Outer Mirror Control ECU Assembly LH)

      Measure the resistance according to the value(s) in the table below.

      Standard Resistance
      Tester Connection Condition Specified Condition
      O8-7 (GND) - O9-12 (HTR-) Always Below 1 Ω
      Result
      Proceed to
      OK
      NG

    NG
    OK
  5. INSPECT OUTER REAR VIEW MIRROR ASSEMBLY WITH COVER LH


    1. Disconnect the IND2 outer mirror LH connector.

    2. Measure the resistance according to the value(s) in the table below.

      Standard Resistance
      Tester Connection Condition Specified Condition
      O16-3 (BSL+) - IND2-2 (+) Always Below 1 Ω
      O16-11 (-) - IND2-1 (-) Always Below 1 Ω
      Result
      Proceed to
      OK
      NG

    NG
    OK
  6. INSPECT OUTER MIRROR LH


    1. Remove the outer mirror LH.

      Click here

    2. Inspect the outer rear view mirror indicator LH on the outer mirror LH.

      Click here

      Result
      Proceed to
      OK
      NG

    OK
    NG