PARKING ASSIST MONITOR SYSTEM Image from Camera for Parking Assist Monitor is Abnormal

DESCRIPTION

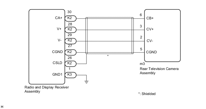
The video signal from the rear television camera assembly is transmitted to the radio and display receiver assembly.

WIRING DIAGRAM

B006ZOJE04

CAUTION / NOTICE / HINT

Note

Depending on the parts that are replaced or operations that are performed during vehicle inspection or maintenance, calibration of other systems as well as the parking assist monitor system may be needed.

Click here

Tech Tips

Images may be unclear even in normal conditions if:


  • Electrical devices are used in the cabin (noise may occur in the image).

  • Accessories that generate radio waves have been installed (noise may occur in the image).

  • The outer mirror switch assembly is operated (noise may occur in the image).

  • The multi-display is cold (the image immediately after turning the engine switch on (IG) may be blurred or darker than normal).

  • The camera lens is dirty with snow, mud, etc.

  • A strong beam of light, such as a sunbeam or headlight, hits the camera.

  • It is too dark around the camera (at night etc.).

  • The ambient temperature around the camera is either too high or too low.

  • The vehicle is tilted at a steep angle.

  • The rear television camera assembly lens is scratched.

  • The rear television camera assembly lens has drops of water on it or the humidity is high.

  • When the camera is used under fluorescent lights, sodium lights, or mercury lights etc., the lights and the illuminated area may appear to flicker.

PROCEDURE


  1. CHECK HARNESS AND CONNECTOR (RADIO AND DISPLAY RECEIVER ASSEMBLY - REAR TELEVISION CAMERA ASSEMBLY)

    Result
    Proceed to
    OK
    NG

    1. Disconnect the K2 radio and display receiver assembly connector.

    2. Disconnect the m3 rear television camera assembly connector.

    3. Measure the resistance according to the value(s) in the table below.

      Standard Resistance
      Tester Connection Condition Specified Condition
      K2-30 (CA+) - m3-6 (CB+) Always Below 1 Ω
      K2-28 (V+) - m3-3 (CV+) Always Below 1 Ω
      K2-29 (V-) - m3-2 (CV-) Always Below 1 Ω
      K2-27 (CGND) - m3-5 (CGND) Always Below 1 Ω
      K2-26 (CSLD) - Body ground Always 10 kΩ or higher
      K2-30 (CA+) or m3-6 (CB+) - Body ground Always 10 kΩ or higher
      K2-28 (V+) or m3-3 (CV+) - Body ground Always 10 kΩ or higher
      K2-29 (V-) or m3-2 (CV-) - Body ground Always 10 kΩ or higher
      K2-27 (CGND) or m3-5 (CGND) - Body ground Always 10 kΩ or higher
      Result
      Proceed to
      OK
      NG

    NG
    OK
  2. REPLACE REAR TELEVISION CAMERA ASSEMBLY


    1. Replace the rear television camera assembly with a new or known good one.

      Click here

    2. Check that the parking assist monitor system operates normally.

      OK
      Parking assist monitor system operates normally.
      Result
      Proceed to
      OK
      NG

    OK
    NG