PARKING ASSIST MONITOR SYSTEM, Diagnostic DTC:C1622

DTC Code DTC Name
C1622 Back Camera Disconnected

DESCRIPTION

This DTC is stored if the radio and display receiver assembly judges that the signals or signal lines between the rear television camera assembly, and the radio and display receiver assembly are not normal as a result of its self check.

DTC No. Detection Item DTC Detection Condition Trouble Area
C1622 Back Camera Disconnected Open or short in the rear television camera assembly signal circuit
  • Harness or connector

  • Rear television camera assembly

  • Radio and display receiver assembly

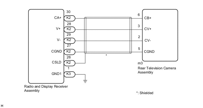
WIRING DIAGRAM

B006ZOJE02

CAUTION / NOTICE / HINT

Note

Depending on the parts that are replaced or operations that are performed during vehicle inspection or maintenance, calibration of other systems as well as the parking assist monitor system may be needed.

Click here

PROCEDURE


  1. CHECK HARNESS AND CONNECTOR (RADIO AND DISPLAY RECEIVER ASSEMBLY - REAR TELEVISION CAMERA ASSEMBLY)


    1. Disconnect the K2 radio and display receiver assembly connector.

    2. Disconnect the m3 rear television camera assembly connector.

    3. Measure the resistance according to the value(s) in the table below.

      Standard Resistance
      Tester Connection Condition Specified Condition
      K2-30 (CA+) - m3-6 (CB+) Always Below 1 Ω
      K2-28 (V+) - m3-3 (CV+) Always Below 1 Ω
      K2-29 (V-) - m3-2 (CV-) Always Below 1 Ω
      K2-27 (CGND) - m3-5 (CGND) Always Below 1 Ω
      K2-26 (CSLD) - Body ground Always 10 kΩ or higher
      K2-30 (CA+) or m3-6 (CB+) - Body ground Always 10 kΩ or higher
      K2-28 (V+) or m3-3 (CV+) - Body ground Always 10 kΩ or higher
      K2-29 (V-) or m3-2 (CV-) - Body ground Always 10 kΩ or higher
      K2-27 (CGND) or m3-5 (CGND) - Body ground Always 10 kΩ or higher
      Result
      Proceed to
      OK
      NG

    NG
    OK
  2. INSPECT RADIO AND DISPLAY RECEIVER ASSEMBLY


    1. Reconnect the K2 radio and display receiver assembly connector.

    2. B006YV5C06
      *a

      Component with harness connected

      (Radio and Display Receiver Assembly)

      Measure the resistance according to the value(s) in the table below.

      Standard Resistance
      Tester Connection Condition Specified Condition
      K2-29 (V-) - Body ground Always Below 1 Ω
      K2-27 (CGND) - Body ground Always Below 1 Ω
    3. Measure the voltage according to the value(s) in the table below.

      Standard Voltage
      Tester Connection Condition Specified Condition
      K2-30 (CA+) - K2-27 (CGND) Engine switch on (ACC) 5.5 to 7.05 V
      Result
      Proceed to
      OK
      NG

    NG
    OK
  3. INSPECT RADIO AND DISPLAY RECEIVER ASSEMBLY (V+, GND1)


    1. Reconnect the m3 rear television camera assembly connector.

    2. B0070FVC01
      *a

      Component with harness connected

      (Radio and Display Receiver Assembly)

      B0071BBC05
      *a Waveform 1 (camera lens is not covered, displaying an image)
      *b Waveform 2 (camera lens is covered, blacking out the screen)
      *c Synchronization Signal
      *d Video Waveform

      Using an oscilloscope, check the waveform of the rear television camera assembly.

      Tech Tips

      A waterproof connector is used for the rear television camera assembly. Therefore, inspect the waveform at the radio and display receiver assembly with the connector connected.

      OK
      Waveform is similar to that shown in the illustration.
      Item Content
      Measurement terminal K2-28 (V+) - K3-1 (GND1)
      Measurement setting 200 mV/DIV., 50 μs./DIV.
      Condition Engine switch on (IG), shift lever in R

      Tech Tips


      • The video waveform changes according to the image sent by the rear television camera assembly.

      • The video waveform is constantly output when the engine switch is on (ACC).

      Result
      Proceed to
      OK
      NG

    OK
    NG