TOYOTA PARKING ASSIST-SENSOR SYSTEM, Diagnostic DTC:C1AED

DTC Code DTC Name
C1AED Rear Sensor Communication Malfunction

DESCRIPTION

This DTC is stored when there is an open or short circuit in the communication line between the rear sensors and the ECU, or when there is a malfunction in a rear sensor.

DTC No. Detection Item DTC Detection Condition Trouble Area
C1AED Rear Sensor Communication Malfunction An open or short circuit in the communication line between the rear sensors and ECU or a malfunction in a rear sensor during initialization mode after the engine switch is turned on (IG).
  • Rear ultrasonic sensor circuit

  • Harness or connector

  • Clearance warning ECU assembly

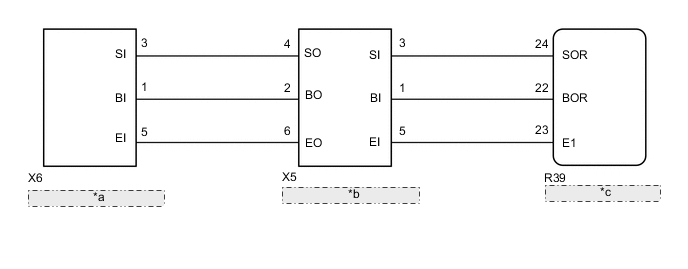
WIRING DIAGRAM

B006XGNE89
*a Rear Corner Ultrasonic Sensor LH
*b Rear Corner Ultrasonic Sensor RH
*c Clearance Warning ECU Assembly

PROCEDURE


  1. CLEARANCE SONAR SYSTEM REGISTRATION


    1. Perform clearance sonar system registration.

      Click here

      Result
      Proceed to
      NEXT

    NEXT
  2. CHECK DTC OUTPUT (C1AED)


    1. Check for DTCs.


      Body Electrical > IPA/ICS/Clearance Sonar > Trouble Codes
    2. Clear the DTCs.


      Body Electrical > IPA/ICS/Clearance Sonar > Clear DTCs
    3. Recheck for DTCs.


      Body Electrical > IPA/ICS/Clearance Sonar > Trouble Codes
      Result
      Result Proceed to
      DTC C1AED is output A
      No DTCs are output B

    B
    A
  3. CHECK HARNESS AND CONNECTOR (CLEARANCE WARNING ECU ASSEMBLY - REAR CORNER ULTRASONIC SENSOR RH)


    1. Disconnect the R39 clearance warning ECU assembly connector.

    2. Disconnect the X5 rear corner ultrasonic sensor RH connector.

    3. Measure the resistance according to the value(s) in the table below.

      Standard Resistance
      Tester Connection Condition Specified Condition
      R39-22 (BOR) - X5-1 (BI) Always Below 1 Ω
      R39-24 (SOR) - X5-3 (SI) Always Below 1 Ω
      R39-23 (E1) - X5-5 (EI) Always Below 1 Ω
      R39-22 (BOR) or X5-1 (BI) - Body ground Always 10 kΩ or higher
      R39-24 (SOR) or X5-3 (SI) - Body ground Always 10 kΩ or higher
      R39-23 (E1) or X5-5 (EI) - Body ground Always 10 kΩ or higher
      Result
      Proceed to
      OK
      NG

    NG
    OK
  4. CHECK HARNESS AND CONNECTOR (REAR CORNER ULTRASONIC SENSOR RH - REAR CORNER ULTRASONIC SENSOR LH)


    1. Disconnect the X6 rear corner ultrasonic sensor LH connector.

    2. Measure the resistance according to the value(s) in the table below.

      Standard Resistance
      Tester Connection Condition Specified Condition
      X5-2 (BO) - X6-1 (BI) Always Below 1 Ω
      X5-4 (SO) - X6-3 (SI) Always Below 1 Ω
      X5-6 (EO) - X6-5 (EI) Always Below 1 Ω
      X5-2 (BO) or X6-1 (BI) - Body ground Always 10 kΩ or higher
      X5-4 (SO) or X6-3 (SI) - Body ground Always 10 kΩ or higher
      X5-6 (EO) or X6-5 (EI) - Body ground Always 10 kΩ or higher
      Result
      Proceed to
      OK
      NG

    NG
    OK
  5. INSPECT REAR CORNER ULTRASONIC SENSOR RH


    1. B006Z2AC01
      *a

      Component without harness connected

      (Rear Corner Ultrasonic Sensor RH)

      Measure the resistance according to the value(s) in the table below.

      Standard Resistance
      Tester Connection Condition Specified Condition
      1 (BI) - 5 (EI) Always 10 kΩ or higher
      1 (BI) - 2 (BO) Always Below 1 Ω
      3 (SI) - 4 (SO) Always Below 30 Ω
      5 (EI) - 6 (EO) Always Below 1 Ω
      Result
      Proceed to
      OK
      NG

    NG
    OK
  6. INSPECT REAR CORNER ULTRASONIC SENSOR LH


    1. B006Z2AC05
      *a

      Component without harness connected

      (Rear Corner Ultrasonic Sensor LH)

      Measure the resistance according to the value(s) in the table below.

      Standard Resistance
      Tester Connection Condition Specified Condition
      1 (BI) - 5 (EI) Always 10 kΩ or higher
      1 (BI) - 1 (BO) Always Below 1 Ω
      3 (SI) - 2 Always Below 30 Ω
      5 (EI) - 3 (EO) Always Below 1 Ω
      Result
      Proceed to
      OK
      NG

    NG
    OK
  7. REPLACE REAR CORNER ULTRASONIC SENSOR LH

    Result
    Proceed to
    NEXT

    1. Replace the rear corner ultrasonic sensor LH with a known good one.

      Click here

      Tech Tips

      All of the sensors are interchangeable. To confirm whether a sensor is functioning normally, switch it with a known good sensor from the other end of the vehicle.

      Result
      Proceed to
      NEXT

    NEXT
  8. CHECK DTC OUTPUT (C1AED)


    1. Clear the DTCs.


      Body Electrical > IPA/ICS/Clearance Sonar > Clear DTCs
    2. Check for DTCs.


      Body Electrical > IPA/ICS/Clearance Sonar > Trouble Codes
      Result
      Result Proceed to
      DTC C1AEC is output A
      No DTCs are output B

    B
    A
  9. REPLACE REAR CORNER ULTRASONIC SENSOR RH

    Result
    Proceed to
    NEXT

    1. Replace the rear corner ultrasonic sensor RH with a known good one.

      Click here

      Tech Tips

      All of the sensors are interchangeable. To confirm whether a sensor is functioning normally, switch it with a known good sensor from the other end of the vehicle.

      Result
      Proceed to
      NEXT

    NEXT
  10. CHECK DTC OUTPUT (C1AED)


    1. Clear the DTCs.


      Body Electrical > IPA/ICS/Clearance Sonar > Clear DTCs
    2. Check for DTCs.


      Body Electrical > IPA/ICS/Clearance Sonar > Trouble Codes
      Result
      Result Proceed to
      DTC C1AED is output A
      No DTCs are output B

    A
    B