NAVIGATION SYSTEM, Diagnostic DTC:B15C3

DTC Code DTC Name
B15C3 Speaker Output Short

DESCRIPTION

This DTC is stored when a malfunction occurs in the speakers.

DTC No. Detection Item DTC Detection Condition Trouble Area
B15C3 Speaker Output Short A short is detected in the speaker output circuit
  • Harness or connector

  • Speaker

  • Radio and display receiver assembly*1

  • Stereo Component Amplifier*2


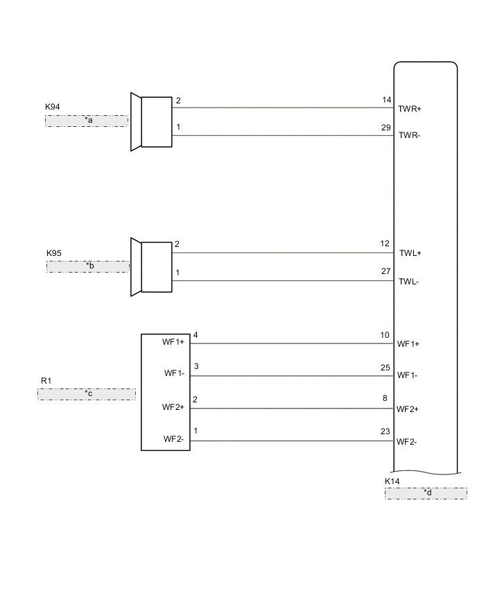
WIRING DIAGRAM

Figure 1. for 6 Speakers

B0071LNE01

Figure 2. for 9 Speakers

B006ZICE05
*a Front No. 2 Speaker Assembly RH
*b Front No. 2 Speaker Assembly LH
*c Rear Stereo Component Speaker Assembly
*d Stereo Component Amplifier Assembly
B006Y17E04

CAUTION / NOTICE / HINT

Note


  • Depending on the parts that are replaced during vehicle inspection or maintenance, performing initialization, registration or calibration may be needed. Refer to Precaution for Navigation System.

    Click here

  • When replacing the radio and display receiver assembly, always replace it with a new one. If a radio and display receiver assembly which was installed to another vehicle is used, the following may occur:


    • A communication malfunction DTC may be stored.

    • The radio and display receiver assembly may not operate normally.

PROCEDURE


  1. CHECK MODEL


    1. Choose the model to be inspected.

      Result
      Result Proceed to
      for 6 Speakers A
      for 9 Speakers B

    B
    A
  2. CHECK HARNESS AND CONNECTOR (RADIO AND DISPLAY RECEIVER ASSEMBLY OR SPEAKERS - BODY GROUND)


    1. Disconnect the K4 radio and display receiver assembly connector.

    2. Disconnect the K7 and K8 front No. 2 speaker assembly connectors.

    3. Disconnect the Q1 and P1 rear speaker assembly connectors.

    4. Measure the resistance according to the value(s) in the table below.

      Standard Resistance
      Tester Connection Condition Specified Condition
      K4-1 (FR+) or K7-4 (TWR+) - Body ground Always 10 kΩ or higher
      K4-6 (FR-) or K7-2 (TWR-) - Body ground Always 10 kΩ or higher
      K4-2 (FL+) or K8-4 (TWL+) - Body ground Always 10 kΩ or higher
      K4-7 (FL-) or K8-2 (TWL-) - Body ground Always 10 kΩ or higher
      K4-4 (RR+) or P1-1 - Body ground Always 10 kΩ or higher
      K4-9 (RR-) or P1-2 - Body ground Always 10 kΩ or higher
      K4-3 (RL+) or Q1-1 - Body ground Always 10 kΩ or higher
      K4-8 (RL-) or Q1-2 - Body ground Always 10 kΩ or higher
      Result
      Proceed to
      OK
      NG

    NG
    OK
  3. CHECK HARNESS AND CONNECTOR (FRONT NO. 1 SPEAKER ASSEMBLY OR FRONT NO. 2 SPEAKER ASSEMBLY - BODY GROUND)


    1. Disconnect the N1 and O1 front No. 1 speaker assembly connectors.

    2. Disconnect the K7 and K8 front No. 2 speaker assembly connectors.

    3. Measure the resistance according to the value(s) in the table below.

      Standard Resistance
      Tester Connection Condition Specified Condition
      N1-2 or K7-3 (+) - Body ground Always 10 kΩ or higher
      N1-1 or K7-1 (-) - Body ground Always 10 kΩ or higher
      O1-2 or K8-3 (+) - Body ground Always 10 kΩ or higher
      O1-1 or K8-1 (-) - Body ground Always 10 kΩ or higher
      Result
      Proceed to
      OK
      NG

    NG
    OK
  4. INSPECT FRONT NO. 1 SPEAKER ASSEMBLY


    1. Remove the front No. 1 speaker assembly.

      Click here

    2. Inspect the front No. 1 speaker assembly.

      Click here

      Result
      Proceed to
      OK
      NG

    NG
    OK
  5. INSPECT REAR SPEAKER ASSEMBLY


    1. Remove the rear speaker assembly.

      Click here

    2. Inspect the rear speaker assembly.

      Click here

      Result
      Proceed to
      OK
      NG

    NG
    OK
  6. REPLACE FRONT NO. 2 SPEAKER ASSEMBLY


    1. Remove the front No. 2 speaker assembly.

      Click here

    2. Inspect the front No. 2 speaker assembly.

      Click here

    3. Clear the DTCs.


      Body Electrical > Navigation System > Clear DTCs
    4. Recheck for DTCs and check that no DTCs are output.


      Body Electrical > Navigation System > Trouble Codes
      OK
      No DTCs are output.
      Result
      Proceed to
      OK
      NG

    OK
    NG
  7. CHECK HARNESS AND CONNECTOR (STEREO COMPONENT AMPLIFIER ASSEMBLY OR SPEAKERS - BODY GROUND)


    1. Disconnect the K14 stereo component amplifier assembly connector.

    2. Disconnect the K109 and K110 front No. 3 speaker assembly connectors.

    3. Disconnect the K94 and K95 front No. 2 speaker assembly connectors.

    4. Disconnect the P1 and Q1 rear speaker assembly connectors.

    5. Disconnect the R1 rear stereo component speaker assembly connector.

    6. Measure the resistance according to the value(s) in the table below.

      Standard Resistance
      Tester Connection Condition Specified Condition
      K14-15 (FR+) or K109-4 (+TW) - Body ground Always 10 kΩ or higher
      K14-30 (FR-) or K109-2 (-TW) - Body ground Always 10 kΩ or higher
      K14-13 (FL+) or K110-4 (+TW) - Body ground Always 10 kΩ or higher
      K14-28 (FL-) or K110-2 (-TW) - Body ground Always 10 kΩ or higher
      K14-14 (TWR+) or K94-2 - Body ground Always 10 kΩ or higher
      K14-29 (TWR-) or K94-1 - Body ground Always 10 kΩ or higher
      K14-12 (TWL+) or K95-2 - Body ground Always 10 kΩ or higher
      K14-27 (TWL-) or K95-1 - Body ground Always 10 kΩ or higher
      K14-11 (RR+) or P1-1 - Body ground Always 10 kΩ or higher
      K14-26 (RR-) or P1-2 - Body ground Always 10 kΩ or higher
      K14-9 (RL+) or Q1-1 - Body ground Always 10 kΩ or higher
      K14-24 (RL-) or Q1-2 - Body ground Always 10 kΩ or higher
      K14-10 (WF1+) or R1-4 (WF1+) - Body ground Always 10 kΩ or higher
      K14-25 (WF1-) or R1-3 (WF1-) - Body ground Always 10 kΩ or higher
      K14-8 (WF2+) or R1-2 (WF2+) - Body ground Always 10 kΩ or higher
      K14-23 (WF2-) or R1-1 (WF2-) - Body ground Always 10 kΩ or higher
      Result
      Proceed to
      OK
      NG

    NG
    OK
  8. CHECK HARNESS AND CONNECTOR (FRONT NO. 1 SPEAKER ASSEMBLY OR FRONT NO. 3 SPEAKER ASSEMBLY - BODY GROUND)


    1. Disconnect the N1 and O1 front No. 1 speaker assembly connectors.

    2. Disconnect the K109 and K110 front No. 3 speaker assembly connectors.

    3. Measure the resistance according to the value(s) in the table below.

      Standard Resistance
      Tester Connection Condition Specified Condition
      N1-2 or K109-3 (+) - Body ground Always 10 kΩ or higher
      N1-1 or K109-1 (-) - Body ground Always 10 kΩ or higher
      O1-2 or K110-3 (+) - Body ground Always 10 kΩ or higher
      O1-1 or K110-1 (-) - Body ground Always 10 kΩ or higher
      Result
      Proceed to
      OK
      NG

    NG
    OK
  9. INSPECT FRONT NO. 1 SPEAKER ASSEMBLY


    1. Remove the front No. 1 speaker assembly.

      Click here

    2. Inspect the front No. 1 speaker assembly.

      Click here

      Result
      Proceed to
      OK
      NG

    NG
    OK
  10. INSPECT FRONT NO. 2 SPEAKER ASSEMBLY


    1. Remove the front No. 2 speaker assembly.

      Click here

    2. Inspect the front No. 2 speaker assembly.

      Click here

      Result
      Proceed to
      OK
      NG

    NG
    OK
  11. INSPECT REAR SPEAKER ASSEMBLY


    1. Remove the rear speaker assembly.

      Click here

    2. Inspect the rear speaker assembly.

      Click here

      Result
      Proceed to
      OK
      NG

    NG
    OK
  12. INSPECT REAR STEREO COMPONENT SPEAKER ASSEMBLY


    1. Remove the rear stereo component speaker assembly.

      Click here

    2. Inspect the rear stereo component speaker assembly.

      Click here

      Result
      Proceed to
      OK
      NG

    NG
    OK
  13. REPLACE FRONT NO. 3 SPEAKER ASSEMBLY


    1. Remove the front No. 3 speaker assembly.

      Click here

    2. Inspect the front No. 3 speaker assembly.

      Click here

    3. Clear the DTCs.


      Body Electrical > Navigation System > Clear DTCs
    4. Recheck for DTCs and check that no DTCs are output.


      Body Electrical > Navigation System > Trouble Codes
      OK
      No DTCs are output.
      Result
      Proceed to
      OK
      NG

    OK
    NG