Click here

NAVIGATION SYSTEM, Diagnostic DTC:B1579

Click here
Click here
DTC Code DTC Name
B1579 Voice Recognition Microphone Disconnected
Click here

DESCRIPTION

The radio and display receiver assembly, roof console box sub-assembly and telephone microphone assembly are connected to each other using the microphone connection detection signal lines.

This DTC is stored when a microphone connection detection signal line is disconnected.

DTC No. Detection Item DTC Detection Condition Trouble Area
B1579 Voice Recognition Microphone Disconnected Microphone signal is lost
  • Roof console box sub-assembly

  • Telephone microphone assembly

  • Radio and display receiver assembly

  • Harness or connector

Figure 2. w/o Sliding Roof B006X1AE10
Table 2.
*a Telephone Microphone Assembly
*b Roof Console Box Sub-assembly
*c Radio and Display Receiver Assembly
Figure 1. w/ Sliding Roof Table 1. *a Telephone Microphone Assembly *b Roof Console Box Sub-assembly *c Radio and Display Receiver Assembly
Click here

WIRING DIAGRAM

Click here

CAUTION / NOTICE / HINT

Note:
  • Depending on the parts that are replaced during vehicle inspection or maintenance, performing initialization, registration or calibration may be needed. Refer to Precaution for Navigation System.

    Click here

  • When replacing the radio and display receiver assembly, always replace it with a new one. If a radio and display receiver assembly which was installed to another vehicle is used, the following may occur:


    • A communication malfunction DTC may be stored.

    • The radio and display receiver assembly may not operate normally.

Click here

PROCEDURE


  1. Click here

    INSPECT RADIO AND DISPLAY RECEIVER ASSEMBLY


    1. B0071ETC04
      *a

      Component with harness connected

      (Radio and Display Receiver Assembly)

      Measure the resistance according to the value(s) in the table below.

      Standard Resistance
      Tester Connection Condition Specified Condition
      K2-22 (MIN-) - Body ground Always Below 1 Ω
      Result
      Result Proceed to
      OK (w/ Sliding Roof) A
      OK (w/o Sliding Roof) B
      NG C

  2. Click here

    CHECK HARNESS AND CONNECTOR (RADIO AND DISPLAY RECEIVER ASSEMBLY - ROOF CONSOLE BOX SUB-ASSEMBLY)


    1. Disconnect the K2 radio and display receiver assembly connector.

    2. Disconnect the V14 roof console box sub-assembly connector.

    3. Measure the resistance according to the value(s) in the table below.

      Standard Resistance
      Tester Connection Condition Specified Condition
      K2-25 (SNS2) - V14-6 (SNS2) Always Below 1 Ω
      K2-22 (MIN-) - V14-7 (MCO-) Always Below 1 Ω
      K2-25 (SNS2) or V14-6 (SNS2) - Body ground Always 10 kΩ or higher
      K2-22 (MIN-) or V14-7 (MCO-) - Body ground Always 10 kΩ or higher
      Result
      Proceed to
      OK
      NG

    • OKClick here
    • NG

      REPAIR OR REPLACE HARNESS OR CONNECTOR

  3. Click here

    INSPECT ROOF CONSOLE BOX SUB-ASSEMBLY


    1. Remove the roof console box sub-assembly.

      Click here

    2. Connect the B telephone microphone assembly connector.

    3. B006ZT0C01
      *a

      Component without harness connected

      (Roof Console Box Sub-assembly)

      Measure the resistance according to the value(s) in the table below.

      Standard Resistance
      Tester Connection Condition Specified Condition
      6 (SNS2) - 7 (MCO-) Always Below 1 Ω
      Result
      Proceed to
      OK
      NG

  4. Click here

    INSPECT ROOF CONSOLE BOX SUB-ASSEMBLY


    1. Remove the roof console box sub-assembly.

      Click here

    2. Disconnect the B telephone microphone assembly connector.

    3. B0070Y8C04
      *a

      Component without harness connected

      (Roof Console Box Sub-assembly (No. 1 Roof Wire Side))

      *b

      Component without harness connected

      (Roof Console Box Sub-assembly (Telephone Microphone Assembly Side))

      Measure the resistance according to the value(s) in the table below.

      Standard Resistance
      Tester Connection Condition Specified Condition
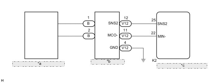
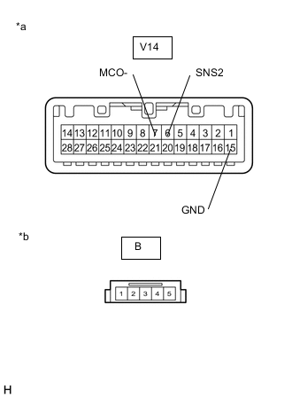
      B-1 - V14-6 (SNS2) Always Below 1 Ω
      B-2 - V14-7 (MCO-) Always Below 1 Ω
      B-1 or V14-6 (SNS2) - V14-15 (GND) Always 10 kΩ or higher
      B-2 or V14-7 (MCO-) - V14-15 (GND) Always 10 kΩ or higher
      Result
      Proceed to
      OK
      NG

    • OK

      REPLACE TELEPHONE MICROPHONE ASSEMBLYClick here

    • NG

      REPLACE ROOF CONSOLE BOX SUB-ASSEMBLYClick here

  5. Click here

    CHECK HARNESS AND CONNECTOR (RADIO AND DISPLAY RECEIVER ASSEMBLY - ROOF CONSOLE BOX SUB-ASSEMBLY)


    1. Disconnect the K2 radio and display receiver assembly connector.

    2. Disconnect the V13 roof console box sub-assembly connector.

    3. Measure the resistance according to the value(s) in the table below.

      Standard Resistance
      Tester Connection Condition Specified Condition
      K2-25 (SNS2) - V13-3 (SNS2) Always Below 1 Ω
      K2-22 (MIN-) - V13-4 (MCO-) Always Below 1 Ω
      K2-25 (SNS2) or V13-3 (SNS2) - Body ground Always 10 kΩ or higher
      K2-22 (MIN-) or V13-4 (MCO-) - Body ground Always 10 kΩ or higher
      Result
      Proceed to
      OK
      NG

    • OKClick here
    • NG

      REPAIR OR REPLACE HARNESS OR CONNECTOR

  6. Click here

    INSPECT ROOF CONSOLE BOX SUB-ASSEMBLY


    1. Remove the roof console box sub-assembly.

      Click here

    2. Connect the B telephone microphone assembly connector.

    3. B006WZXC01
      *a

      Component without harness connected

      (Roof Console Box Sub-assembly)

      Measure the resistance according to the value(s) in the table below.

      Standard Resistance
      Tester Connection Condition Specified Condition
      12 (SNS2) - 11 (MCO-) Always Below 1 Ω
      Result
      Proceed to
      OK
      NG

  7. Click here

    INSPECT ROOF CONSOLE BOX SUB-ASSEMBLY


    1. Remove the roof console box sub-assembly.

      Click here

    2. Disconnect the B telephone microphone assembly connector.

    3. B006XVXC10
      *a

      Component without harness connected

      (Roof Console Box Sub-assembly (No. 1 Roof Wire Side))

      *b

      Component without harness connected

      (Roof Console Box Sub-assembly (Telephone Microphone Assembly Side))

      Measure the resistance according to the value(s) in the table below.

      Standard Resistance
      Tester Connection Condition Specified Condition
      B-1 - V13-12 (SNS2) Always Below 1 Ω
      B-2 - V13-11 (MCO-) Always Below 1 Ω
      B-1 or V13-12 (SNS2) - V13-4 (GND) Always 10 kΩ or higher
      B-2 or V13-11 (MCO-) - V13-4 (GND) Always 10 kΩ or higher
      Result
      Proceed to
      OK
      NG

    • OK

      REPLACE TELEPHONE MICROPHONE ASSEMBLYClick here

    • NG

      REPLACE ROOF CONSOLE BOX SUB-ASSEMBLYClick here