NAVIGATION SYSTEM, Diagnostic DTC:B1324, B1325

DTC Code DTC Name
B1324 Lost Communication with Meter
B1325 Lost Communication with HUD

DESCRIPTION

These DTCs are stored when communication between the radio and display receiver assembly and combination meter assembly or headup display (meter mirror sub-assembly)* is not possible.

DTC No. Detection Item DTC Detection Condition Trouble Area
B1324 Lost Communication with Meter CAN reception error
  • Local bus communication line

  • Combination meter power source circuit

  • Combination meter assembly

  • Radio and display receiver assembly

  • Harness or connector

  • No. 17 junction connector

B1325 Lost Communication with HUD CAN reception error
  • Local bus communication line

  • Headup display (meter mirror sub-assembly) power source circuit*

  • Headup display (meter mirror sub-assembly)*

  • Radio and display receiver assembly

  • Harness or connector

  • No. 17 junction connector


Tech Tips

The radio and display receiver assembly is the master unit.

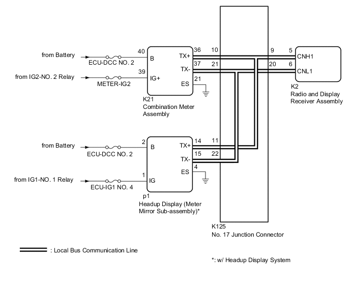
WIRING DIAGRAM

B006YNJE12

CAUTION / NOTICE / HINT

Note


  • Depending on the parts that are replaced during vehicle inspection or maintenance, performing initialization, registration or calibration may be needed. Refer to Precaution for Navigation System.

  • When replacing the radio and display receiver assembly, always replace it with a new one. If a radio and display receiver assembly which was installed to another vehicle is used, the following may occur:


    • A communication malfunction DTC may be stored.

    • The radio and display receiver assembly may not operate normally.

  • Inspect the fuses for circuits related to this system before performing the following procedure.

PROCEDURE


  1. CHECK DTC


    1. Check for DTCs and check that no DTCs are output.


      Body Electrical > Navigation System > Trouble Codes
      Result
      Result Proceed to
      DTC B1324 and B1325 are not output A
      DTC B1324 and B1325 are output B
      DTC B1324 is output C
      DTC B1325 is output D

    A
    C
    D
    B
  2. CHECK LOCAL BUS


    1. Disconnect the cable from the negative (-) battery terminal.

    2. Measure the resistance according to the value(s) in the table below.

      Standard Resistance
      Tester Connection Condition Specified Condition
      K125-9 - K125-20 Cable disconnected from negative (-) battery terminal 54 to 69 Ω
      Result
      Result Proceed to
      OK A
      NG (Below 54 Ω) B
      NG (70 Ω or higher) C

    A
    C
    B
  3. CHECK HARNESS AND CONNECTOR (RADIO AND DISPLAY RECEIVER ASSEMBLY - NO. 17 JUNCTION CONNECTOR)


    1. Disconnect the cable from the negative (-) battery terminal.

    2. Disconnect the K125 No. 17 junction connector.

    3. Measure the resistance according to the value(s) in the table below.

      Standard Resistance
      Tester Connection Condition Specified Condition
      K125-9 - K125-20 Cable disconnected from negative (-) battery terminal 108 to 132 Ω
      Result
      Proceed to
      OK
      NG

    NG
    OK
  4. CHECK HARNESS AND CONNECTOR (COMBINATION METER ASSEMBLY - NO. 17 JUNCTION CONNECTOR)


    1. Disconnect the cable from the negative (-) battery terminal.

    2. Disconnect the K125 No. 17 junction connector.

    3. Measure the resistance according to the value(s) in the table below.

      Standard Resistance
      Tester Connection Condition Specified Condition
      K125-10 - K125-21 Cable disconnected from negative (-) battery terminal 108 to 132 Ω
      Result
      Proceed to
      OK
      NG

    NG
    OK
  5. CHECK HARNESS AND CONNECTOR (HEADUP DISPLAY (METER MIRROR SUB-ASSEMBLY) - NO. 17 JUNCTION CONNECTOR)


    1. Disconnect the cable from the negative (-) battery terminal.

    2. Disconnect the K125 No. 17 junction connector.

    3. Measure the resistance according to the value(s) in the table below.

      Standard Resistance
      Tester Connection Condition Specified Condition
      K125-11 - K125-22 Cable disconnected from negative (-) battery terminal 200 Ω or higher
      Result
      Proceed to
      OK
      NG

    OK
    NG
  6. CHECK HARNESS AND CONNECTOR (HEADUP DISPLAY (METER MIRROR SUB-ASSEMBLY) - NO. 17 JUNCTION CONNECTOR)


    1. Disconnect the cable from the negative (-) battery terminal.

    2. Disconnect the p1 headup display (meter mirror sub-assembly) connector.

    3. Connect the K125 No. 17 junction connector.

    4. Measure the resistance according to the value(s) in the table below.

      Standard Resistance
      Tester Connection Condition Specified Condition
      p1-14 (TX+) - p1-15 (TX-) Cable disconnected from negative (-) battery terminal 54 to 69 Ω
      Result
      Proceed to
      OK
      NG

    OK
    NG
  7. CHECK HARNESS AND CONNECTOR (COMBINATION METER ASSEMBLY - NO. 17 JUNCTION CONNECTOR)


    1. Disconnect the cable from the negative (-) battery terminal.

    2. Disconnect the K21 combination meter assembly connector.

    3. Connect the K125 No. 17 junction connector.

    4. Measure the resistance according to the value(s) in the table below.

      Standard Resistance
      Tester Connection Condition Specified Condition
      K21-36 (TX+) - K21-37 (TX-) Cable disconnected from negative (-) battery terminal 108 to 132 Ω
      Result
      Proceed to
      OK
      NG

    OK
    NG
  8. CHECK HARNESS AND CONNECTOR (RADIO AND DISPLAY RECEIVER ASSEMBLY - NO. 17 JUNCTION CONNECTOR)


    1. Disconnect the cable from the negative (-) battery terminal.

    2. Disconnect the K2 radio and display receiver assembly connector.

    3. Connect the K125 No. 17 junction connector.

    4. Measure the resistance according to the value(s) in the table below.

      Standard Resistance
      Tester Connection Condition Specified Condition
      K2-5 (CNH1) - K2-6 (CNL1) Cable disconnected from negative (-) battery terminal 108 to 132 Ω
      Result
      Proceed to
      OK
      NG

    OK
    NG
  9. CHECK HARNESS AND CONNECTOR (RADIO AND DISPLAY RECEIVER ASSEMBLY - NO. 17 JUNCTION CONNECTOR)


    1. Disconnect the cable from the negative (-) battery terminal.

    2. Disconnect the K2 radio and display receiver assembly connector.

    3. Measure the resistance according to the value(s) in the table below.

      Standard Resistance
      Tester Connection Condition Specified Condition
      K2-5 (CNH1) - K2-6 (CNL1) Cable disconnected from negative (-) battery terminal 108 to 132 Ω
      Result
      Proceed to
      OK
      NG

    OK
    NG
  10. CHECK HARNESS AND CONNECTOR (RADIO AND DISPLAY RECEIVER ASSEMBLY - NO. 17 JUNCTION CONNECTOR)


    1. Disconnect the cable from the negative (-) battery terminal.

    2. Disconnect the K125 No. 17 junction connector.

    3. Connect the K2 radio and display receiver assembly connector.

    4. Measure the resistance according to the value(s) in the table below.

      Standard Resistance
      Tester Connection Condition Specified Condition
      K125-9 - K125-20 Cable disconnected from negative (-) battery terminal 108 to 132 Ω
      Result
      Proceed to
      OK
      NG

    OK
    NG
  11. CHECK HARNESS AND CONNECTOR (COMBINATION METER ASSEMBLY POWER SOURCE)


    1. Disconnect the K21 combination meter assembly connector.

    2. Measure the resistance according to the value(s) in the table below.

      Standard Resistance
      Tester Connection Condition Specified Condition
      K21-21 (ES) - Body ground Always Below 1 Ω
    3. Measure the voltage according to the value(s) in the table below.

      Standard Voltage
      Tester Connection Condition Specified Condition
      K21-40 (B) - Body ground Always 11 to 14 V
      K21-39 (IG+) - Body ground Ignition switch ON 11 to 14 V
      Result
      Proceed to
      OK
      NG

    NG
    OK
  12. CHECK HARNESS AND CONNECTOR (COMBINATION METER ASSEMBLY - NO. 17 JUNCTION CONNECTOR)


    1. Disconnect the cable from the negative (-) battery terminal.

    2. Disconnect the K125 No. 17 junction connector.

    3. Connect the K21 combination meter assembly connector.

    4. Measure the resistance according to the value(s) in the table below.

      Standard Resistance
      Tester Connection Condition Specified Condition
      K125-10 - K125-21 Cable disconnected from negative (-) battery terminal 108 to 132 Ω
      Result
      Proceed to
      OK
      NG

    NG
    OK
  13. CHECK HARNESS AND CONNECTOR (RADIO AND DISPLAY RECEIVER ASSEMBLY - NO. 17 JUNCTION CONNECTOR)


    1. Disconnect the cable from the negative (-) battery terminal.

    2. Disconnect the K125 No. 17 junction connector.

    3. Measure the resistance according to the value(s) in the table below.

      Standard Resistance
      Tester Connection Condition Specified Condition
      K125-9 - K125-20 Cable disconnected from negative (-) battery terminal 108 to 132 Ω
      Result
      Proceed to
      OK
      NG

    OK
    NG
  14. CHECK HARNESS AND CONNECTOR (RADIO AND DISPLAY RECEIVER ASSEMBLY - NO. 17 JUNCTION CONNECTOR)


    1. Disconnect the cable from the negative (-) battery terminal.

    2. Disconnect the K2 radio and display receiver assembly connector.

    3. Connect the K125 No. 17 junction connector.

    4. Measure the resistance according to the value(s) in the table below.

      Standard Resistance
      Tester Connection Condition Specified Condition
      K2-5 (CNH1) - K2-6 (CNL1) Cable disconnected from negative (-) battery terminal 108 to 132 Ω
      Result
      Proceed to
      OK
      NG

    OK
    NG
  15. CHECK HARNESS AND CONNECTOR (COMBINATION METER ASSEMBLY - NO. 17 JUNCTION CONNECTOR)


    1. Disconnect the cable from the negative (-) battery terminal.

    2. Disconnect the K21 combination meter assembly connector.

    3. Connect the K125 No. 17 junction connector.

    4. Measure the resistance according to the value(s) in the table below.

      Standard Resistance
      Tester Connection Condition Specified Condition
      K21-36 (TX+) - K21-37 (TX-) Cable disconnected from negative (-) battery terminal 108 to 132 Ω
      Result
      Proceed to
      OK
      NG

    OK
    NG
  16. CHECK HARNESS AND CONNECTOR (HEADUP DISPLAY (METER MIRROR SUB-ASSEMBLY) POWER SOURCE)


    1. Disconnect the p1 headup display (meter mirror sub-assembly) connector.

    2. Measure the resistance according to the value(s) in the table below.

      Standard Resistance
      Tester Connection Condition Specified Condition
      p1-4 (ES) - Body ground Always Below 1 Ω
    3. Measure the voltage according to the value(s) in the table below.

      Standard Voltage
      Tester Connection Condition Specified Condition
      p1-2 (B) - Body ground Always 11 to 14 V
      p1-1 (IG) - Body ground Ignition switch ON 11 to 14 V
      Result
      Proceed to
      OK
      NG

    NG
    OK
  17. CHECK HARNESS AND CONNECTOR (HEADUP DISPLAY (METER MIRROR SUB-ASSEMBLY) - NO. 17 JUNCTION CONNECTOR)


    1. Disconnect the cable from the negative (-) battery terminal.

    2. Disconnect the K125 No. 17 junction connector.

    3. Connect the p1 headup display (meter mirror sub-assembly) connector.

    4. Measure the resistance according to the value(s) in the table below.

      Standard Resistance
      Tester Connection Condition Specified Condition
      K125-11 - K125-22 Cable disconnected from negative (-) battery terminal 200 Ω or higher
      Result
      Proceed to
      OK
      NG

    NG
    OK
  18. CHECK HARNESS AND CONNECTOR (RADIO AND DISPLAY RECEIVER ASSEMBLY - NO. 17 JUNCTION CONNECTOR)


    1. Disconnect the cable from the negative (-) battery terminal.

    2. Disconnect the K125 No. 17 junction connector.

    3. Measure the resistance according to the value(s) in the table below.

      Standard Resistance
      Tester Connection Condition Specified Condition
      K125-9 - K125-20 Cable disconnected from negative (-) battery terminal 108 to 132 Ω
      Result
      Proceed to
      OK
      NG

    OK
    NG
  19. CHECK HARNESS AND CONNECTOR (RADIO AND DISPLAY RECEIVER ASSEMBLY - NO. 17 JUNCTION CONNECTOR)


    1. Disconnect the cable from the negative (-) battery terminal.

    2. Disconnect the K2 radio and display receiver assembly connector.

    3. Connect the K125 No. 17 junction connector.

    4. Measure the resistance according to the value(s) in the table below.

      Standard Resistance
      Tester Connection Condition Specified Condition
      K2-5 (CNH1) - K2-6 (CNL1) Cable disconnected from negative (-) battery terminal 108 to 132 Ω
      Result
      Proceed to
      OK
      NG

    OK
    NG
  20. CHECK HARNESS AND CONNECTOR (HEADUP DISPLAY (METER MIRROR SUB-ASSEMBLY) - NO. 17 JUNCTION CONNECTOR)


    1. Disconnect the cable from the negative (-) battery terminal.

    2. Disconnect the p1 headup display (meter mirror sub-assembly) connector.

    3. Connect the K125 No. 17 junction connector.

    4. Measure the resistance according to the value(s) in the table below.

      Standard Resistance
      Tester Connection Condition Specified Condition
      p1-14 (TX+) - p1-15 (TX-) Cable disconnected from negative (-) battery terminal 54 to 69 Ω
      Result
      Proceed to
      OK
      NG

    OK
    NG