CRUISE CONTROL SYSTEM(except 2AR-FE) Steering Pad Switch Circuit

DESCRIPTION


WIRING DIAGRAM

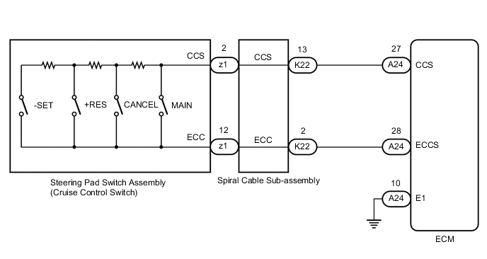
Figure 1. for A25A-FKS:

B0070DCE04

Figure 2. for 2GR-FKS:

B006Z0ZE07

CAUTION / NOTICE / HINT

Note


  • The vehicle is equipped with a Supplemental Restraint System (SRS) which includes components such as airbags. Before servicing (including removal or installation of parts), be sure to read the precaution for Supplemental Restraint System.

    Click here

  • Before replacing the ECM, refer to Service Bulletin.

PROCEDURE


  1. READ VALUE USING GTS


    1. B006Y7YC01
      *1 Steering Pad Switch Assembly
      *a Cruise Control Main Switch
      *b -SET Switch
      *c +RES Switch
      *d CANCEL Switch

      Connect the GTS to the DLC3.

    2. Turn the engine switch on (IG).

    3. Turn the GTS on.

    4. Enter the following menus: Powertrain / Cruise Control / Data List.

    5. Check the Data List to confirm proper functioning of the steering pad switch assembly.


      Powertrain > Cruise Control > Data List
      Tester Display Measurement Item Range Normal Condition Diagnostic Note
      Cancel Switch CANCEL switch status ON or OFF

      ON: CANCEL switch pushed

      OFF: CANCEL switch not pushed

      -
      -SET Switch -SET switch status ON or OFF

      ON: -SET switch pushed

      OFF: -SET switch not pushed

      -
      +RES Switch +RES switch status ON or OFF

      ON: +RES switch pushed

      OFF: +RES switch not pushed

      -
      Cruise Main Switch Operation Condition Cruise control main switch status ON or OFF

      ON: Cruise control main switch pushed

      OFF: Cruise control main switch not pushed

      -

      Powertrain > Cruise Control > Data List
      Tester Display
      Cancel Switch
      -SET Switch
      +RES Switch
      Cruise Main Switch Operation Condition
      OK
      The value of each measurement item changes according to the operation of the steering pad switch assembly.
      Result
      Proceed to
      OK
      NG

    OK
    NG
  2. INSPECT STEERING PAD SWITCH ASSEMBLY


    1. Remove the steering pad switch assembly.

      Click here

    2. Inspect the steering pad switch assembly.

      Click here

      Result
      Proceed to
      OK
      NG

    NG
    OK
  3. INSPECT SPIRAL CABLE SUB-ASSEMBLY


    1. Remove the spiral cable sub-assembly.

      Click here

    2. Inspect the spiral cable sub-assembly.

      Click here

      Result
      Proceed to
      OK
      NG

    NG
    OK
  4. CHECK HARNESS AND CONNECTOR (SPIRAL CABLE SUB-ASSEMBLY - ECM AND BODY GROUND)


    1. Disconnect the K22 spiral cable sub-assembly connector.

    2. Disconnect the A24 ECM connector (for A25A-FKS).

    3. Disconnect the A23 ECM connector (for 2GR-FKS).

    4. Measure the resistance according to the value(s) in the table below.

      Standard Resistance (for A25A-FKS)
      Tester Connection Condition Specified Condition
      A24-27 (CCS) - K22-13 (CCS) Always Below 1 Ω
      A24-28 (ECCS) - K22-2 (ECC) Always Below 1 Ω
      A24-27 (CCS) or K22-13 (CCS) - Body ground Always 10 kΩ or higher
      A24-28 (ECCS) or K22-2 (ECC) - Body ground Always 10 kΩ or higher
      Standard Resistance (for 2GR-FKS)
      Tester Connection Condition Specified Condition
      A23-41 (CCS) - K22-13 (CCS) Always Below 1 Ω
      K22-2 (ECC) - Body ground Always Below 1 Ω
      A23-41 (CCS) or K22-13 (CCS) - Body ground Always 10 kΩ or higher
      Result
      Result Proceed to
      OK (for A25A-FKS) A
      OK (for 2GR-FKS) B
      NG C

    B
    C
    A
  5. CHECK HARNESS AND CONNECTOR (ECM - BODY GROUND)


    1. Disconnect the A24 ECM connector.

    2. Measure the resistance according to the value(s) in the table below.

      Standard Resistance
      Tester Connection Condition Specified Condition
      A24-10 (E1) - Body ground Always Below 1 Ω
      Result
      Proceed to
      OK
      NG

    OK
    NG