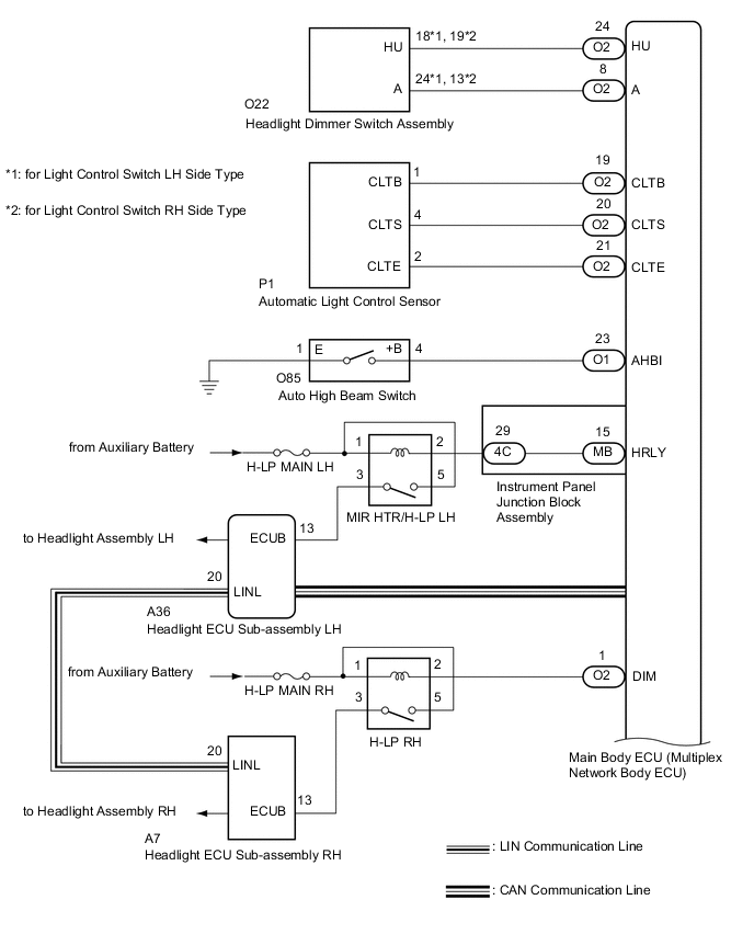
AUTOMATIC HIGH BEAM SYSTEM SYSTEM DIAGRAM


  1. for Triple Beam Headlight

    B004EG9E08
    B004GEJE08
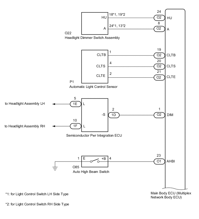
  2. for Single Beam Headlight

    B004FR9E05
    B004GEJE08