METER / GAUGE SYSTEM, Diagnostic DTC:B1508

DTC Code DTC Name
B1508 Short in Turn Signal / Hazard Flasher Circuit

DESCRIPTION

This DTC is stored when the combination meter assembly detects an short in a turn signal light circuit.

Tech Tips

If there is a short in a turn signal light circuit, all of the turn signal lights on the side with the short circuit will not blink.

DTC No. Detection Item DTC Detection Condition Trouble Area Memory Note
B1508 Short in Turn Signal / Hazard Flasher Circuit

    Diagnosis Condition:

  • Auxiliary battery voltage is 7 V or more


    Malfunction Status:

  • Short in turn signal light circuit


  • Clearance light assembly*1

  • Clearance light LED unit assembly*1

  • Headlight cord*2

  • Front turn signal light bulb*2

  • Outer mirror control ECU assembly*3

  • Side turn signal light assembly

  • Outer mirror actuator assembly

  • Air conditioning control assembly

  • Headlight ECU sub-assembly*1

  • Windshield wiper switch assembly

  • Rear turn signal light bulb

  • Rear combination light socket and wire sub-assembly

  • Harness or connector

  • Combination meter assembly

DTC stored -

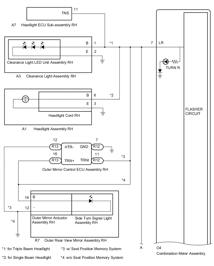
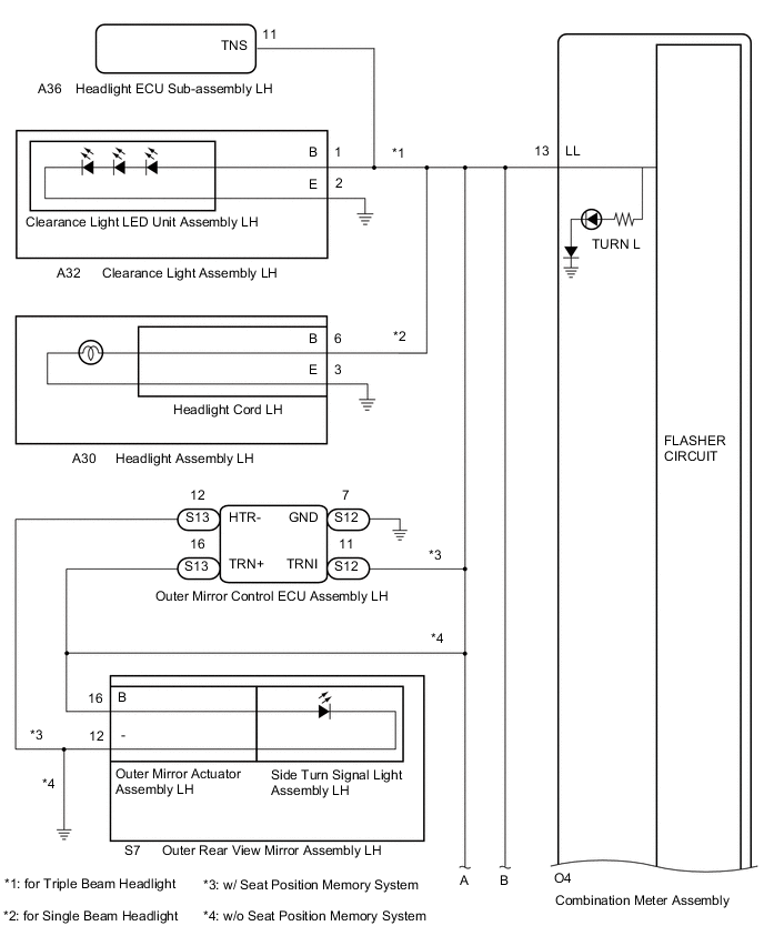
WIRING DIAGRAM


  1. FOR LH SIDE

    B004E2GE02
    B004G8LE05
  2. FOR RH SIDE

    B004F70E02
    B004G35E05

CAUTION / NOTICE / HINT

Note

Inspect the turn signal light bulbs and sockets before performing the following procedure.

PROCEDURE


  1. CHECK LIGHTS


    1. Inspect the illumination of each turn signal light.

      Result
      Result Proceed to
      All LH turn signal lights do not blink A
      All RH turn signal lights do not blink B

    B
    A
  2. CONFIRM MODEL


    1. Choose the model to be inspected.

      Result
      Result Proceed to
      for Triple Beam Headlight A
      for Single Beam Headlight B

    B
    A
  3. CHECK LH SIDE LIGHTS (FRONT TURN SIGNAL LIGHT)


    1. Disconnect the A32 clearance light assembly LH connector.

    2. Operate the headlight dimmer switch assembly and check that the LH side turn signal lights other than the headlight turn signal light blink.

      Tech Tips

      If the LH side turn signal lights blink, the clearance light assembly LH is malfunctioning.

      Result
      Result Proceed to
      LH side turn signal lights blink A
      LH side turn signal lights do not blink B

    B
    A
  4. CHECK LH SIDE LIGHTS (CLEARANCE LIGHT ASSEMBLY LH)


    1. Remove the clearance light LED unit assembly LH from clearance light assembly LH.

      Click here

    2. Connect the A32 clearance light assembly LH connector.

    3. Operate the headlight dimmer switch assembly and check that the LH side turn signal lights other than the headlight turn signal light blink.

      Tech Tips

      If the LH side turn signal lights not blink, the clearance light assembly LH is malfunctioning.

      Result
      Result Proceed to
      LH side turn signal lights blink A
      LH side turn signal lights do not blink B

    A
    B
  5. CHECK LH SIDE LIGHTS (HEADLIGHT ECU SUB-ASSEMBLY LH)


    1. Connect the A32 clearance light assembly LH connector.

    2. Disconnect the A36 headlight ECU sub-assembly LH connector.

    3. Operate the headlight dimmer switch assembly and check that the LH side turn signal lights other than the headlight turn signal light blink.

      Tech Tips

      If the LH side turn signal lights blink, the headlight ECU sub-assembly LH is malfunctioning.

      Result
      Result Proceed to
      LH side turn signal lights blink A
      LH side turn signal lights do not blink B

    A
    B
  6. CHECK LH SIDE LIGHTS (FRONT TURN SIGNAL LIGHT)


    1. Disconnect the A30 headlight assembly LH connector.

    2. Operate the headlight dimmer switch assembly and check that the LH side turn signal lights other than the headlight turn signal light blink.

      Tech Tips

      If the LH side turn signal lights blink, the headlight cord LH is malfunctioning.

      Result
      Result Proceed to
      LH side turn signal lights blink A
      LH side turn signal lights do not blink B

    A
    B
  7. CONFIRM MODEL


    1. Choose the model to be inspected.

      Result
      Result Proceed to
      w/ Seat Position Memory System A
      w/o Seat Position Memory System B

    B
    A
  8. CHECK LH SIDE LIGHTS (SIDE TURN SIGNAL LIGHT)


    1. Connect the A36 headlight ECU sub-assembly LH connector.*1

    2. Connect the A30 headlight assembly LH connector.*2

    3. Disconnect the S12 outer mirror control ECU assembly LH connector.

    4. Operate the headlight dimmer switch assembly and check that the LH side turn signal lights other than the headlight turn signal light blink.

      Tech Tips

      If the LH side turn signal lights blink, the side turn signal light circuit is malfunctioning.


      • *1: for Triple Beam Headlight

      • *2: for Single Beam Headlight

      Result
      Result Proceed to
      LH side turn signal lights blink A
      LH side turn signal lights do not blink B

    B
    A
  9. CHECK LH SIDE LIGHTS (OUTER MIRROR CONTROL ECU ASSEMBLY LH)


    1. Connect the S12 outer mirror control ECU assembly LH connector.

    2. Disconnect the S13 outer mirror control ECU assembly LH connector.

    3. Operate the headlight dimmer switch assembly and check that the LH side turn signal lights other than the headlight turn signal light blink.

      Tech Tips

      If the LH side turn signal lights not blink, the outer mirror control ECU assembly LH is malfunctioning.

      Result
      Result Proceed to
      LH side turn signal lights blink A
      LH side turn signal lights do not blink B

    B
    A
  10. CHECK LH SIDE LIGHTS (HARNESS AND CONNECTOR)


    1. Connect the S13 outer mirror control ECU assembly LH connector.

    2. Disconnect the S7 outer rear view mirror assembly LH connector.

    3. Operate the headlight dimmer switch assembly and check that the LH side turn signal lights other than the headlight turn signal light blink.

      Tech Tips

      If the LH side turn signal lights not blink, the harness or connector is malfunctioning.

      Result
      Result Proceed to
      LH side turn signal lights blink A
      LH side turn signal lights do not blink B

    A
    B
  11. CHECK LH SIDE LIGHTS (SIDE TURN SIGNAL LIGHT)


    1. Connect the A36 headlight ECU sub-assembly LH connector.*1

    2. Connect the A30 headlight assembly LH connector.*2

    3. Disconnect the S7 outer rear view mirror assembly LH connector.

    4. Operate the headlight dimmer switch assembly and check that the LH side turn signal lights other than the headlight turn signal light blink.

      Tech Tips

      If the LH side turn signal lights blink, the side turn signal light circuit is malfunctioning.


      • *1: for Triple Beam Headlight

      • *2: for Single Beam Headlight

      Result
      Result Proceed to
      LH side turn signal lights blink A
      LH side turn signal lights do not blink B

    B
    A
  12. CHECK LH SIDE LIGHTS (OUTER REAR VIEW MIRROR ASSEMBLY LH)


    1. Remove the side turn signal light assembly LH from outer rear view mirror assembly LH.

      Click here

    2. Connect the S7 outer rear view mirror assembly LH connector.

    3. Operate the headlight dimmer switch assembly and check that the LH side turn signal lights other than the headlight turn signal light blink.

      Tech Tips

      If the LH side turn signal lights blink, the side turn signal light assembly LH is malfunctioning.

      Result
      Result Proceed to
      LH side turn signal lights blink A
      LH side turn signal lights do not blink B

    A
    B
  13. CHECK LH SIDE LIGHTS (AIR CONDITIONING CONTROL ASSEMBLY)


    1. Connect the S12 outer mirror control ECU assembly LH connector.*1

    2. Connect the S7 outer rear view mirror assembly LH connector.*2

    3. Disconnect the O64 air conditioning control assembly connector.

    4. Operate the headlight dimmer switch assembly and check that the LH side turn signal lights other than the headlight turn signal light blink.

      Tech Tips

      If the LH side turn signal lights blink, the air conditioning control assembly is malfunctioning.


      • *1: w/ Seat Position Memory System

      • *2: w/o Seat Position Memory System

      Result
      Result Proceed to
      LH side turn signal lights blink A
      LH side turn signal lights do not blink B

    A
    B
  14. CHECK LH SIDE LIGHTS (WINDSHIELD WIPER SWITCH ASSEMBLY)


    1. Connect the O64 air conditioning control assembly connector.

    2. Disconnect the O23 windshield wiper switch assembly connector.

    3. Operate the hazard warning signal switch and check that the LH side turn signal lights other than the headlight turn signal light blink.

      Tech Tips

      If the LH side turn signal lights blink, the windshield wiper switch assembly is malfunctioning.

      Result
      Result Proceed to
      LH side turn signal lights blink A
      LH side turn signal lights do not blink B

    A
    B
  15. CHECK HARNESS AND CONNECTOR (FRONT TURN SIGNAL LGIHT LH AND SIDE TURN SIGNAL LIGHT LH - COMBINATION METER ASSEMBLY)


    1. Disconnect the A32 clearance light assembly LH connector.*1

    2. Disconnect the A36 headlight ECU sub-assembly LH connector.*1

    3. Disconnect the A30 headlight assembly LH connector.*2

    4. Disconnect the S12 outer mirror control ECU assembly LH connector.*3

    5. Disconnect the S7 outer rear view mirror assembly LH connector.*4

    6. Disconnect the O64 air conditioning control assembly connector.

    7. Disconnect the O4 combination meter assembly connector.

    8. Measure the resistance according to the value(s) in the table below.

      Standard Resistance
      Tester Connection Condition Specified Condition
      A32-1 (B)*1, A36-11 (TNS)*1, A30-6 (B)*2, S12-11 (TRN1)*3, S7-16 (B)*4, O64-10 (FRLY), O23-1 (TRNL) or O4-13 (LL) - Body ground Always 10 kΩ or higher

      • *1: for Triple Beam Headlight

      • *2: for Single Beam Headlight

      • *3: w/ Seat Position Memory System

      • *4: w/o Seat Position Memory System

      Result
      Proceed to
      OK
      NG

    NG
    OK
  16. CHECK LH SIDE LIGHTS (REAR TURN SIGNAL LIGHT)


    1. Connect the A32 clearance light assembly LH connector.*1

    2. Connect the A36 headlight ECU sub-assembly LH connector.*1

    3. Connect the A30 headlight assembly LH connector.*2

    4. Connect the S12 outer mirror control ECU assembly LH connector.*3

    5. Connect the S7 outer rear view mirror assembly LH connector.*4

    6. Connect the O64 air conditioning control assembly connector.

    7. Connect the O23 windshield wiper switch assembly connector.

    8. Connect the O4 combination meter assembly connector.

    9. Disconnect the U41 rear combination light assembly LH connector.

    10. Operate the headlight dimmer switch assembly and check that the LH side turn signal lights other than the headlight turn signal light blink.

      Tech Tips

      If the LH side turn signal lights blink, the rear combination light socket and wire sub-assembly LH is malfunctioning.


      • *1: for Triple Beam Headlight

      • *2: for Single Beam Headlight

      • *3: w/ Seat Position Memory System

      • *4: w/o Seat Position Memory System

      Result
      Result Proceed to
      LH side turn signal lights blink A
      LH side turn signal lights do not blink B

    A
    B
  17. CHECK HARNESS AND CONNECTOR (REAR COMBINATION LIGHT ASSEMBLY LH - COMBINATION METER ASSEMBLY)


    1. Disconnect the O4 combination meter assembly connector.

    2. Measure the resistance according to the value(s) in the table below.

      Standard Resistance
      Tester Connection Condition Specified Condition
      U41-4 (TRN) or O4-11 (TRNL) - Body ground Always 10 kΩ or higher
      Result
      Proceed to
      OK
      NG

    OK
    NG
  18. CONFIRM MODEL


    1. Choose the model to be inspected.

      Result
      Result Proceed to
      for Triple Beam Headlight A
      for Single Beam Headlight B

    B
    A
  19. CHECK RH SIDE LIGHTS (FRONT TURN SIGNAL LIGHT)


    1. Disconnect the A3 clearance light assembly RH connector.

    2. Operate the headlight dimmer switch assembly and check that the RH side turn signal lights other than the headlight turn signal light blink.

      Tech Tips

      If the RH side turn signal lights blink, the clearance light assembly RH is malfunctioning.

      Result
      Result Proceed to
      RH side turn signal lights blink A
      RH side turn signal lights do not blink B

    B
    A
  20. CHECK LH SIDE LIGHTS (CLEARANCE LIGHT ASSEMBLY RH)


    1. Remove the clearance light LED unit assembly RH from clearance light assembly RH.

      Click here

    2. Connect the A3 clearance light assembly RH connector.

    3. Operate the headlight dimmer switch assembly and check that the RH side turn signal lights other than the headlight turn signal light blink.

      Tech Tips

      If the RH side turn signal lights not blink, the clearance light assembly RH is malfunctioning.

      Result
      Result Proceed to
      RH side turn signal lights blink A
      RH side turn signal lights do not blink B

    A
    B
  21. CHECK RH SIDE LIGHTS (HEADLIGHT ECU SUB-ASSEMBLY RH)


    1. Connect the A3 clearance light assembly RH connector.

    2. Disconnect the A7 headlight ECU sub-assembly RH connector.

    3. Operate the headlight dimmer switch assembly and check that the RH side turn signal lights other than the headlight turn signal light blink.

      Tech Tips

      If the RH side turn signal lights blink, the headlight ECU sub-assembly RH is malfunctioning.

      Result
      Result Proceed to
      RH side turn signal lights blink A
      RH side turn signal lights do not blink B

    A
    B
  22. CHECK RH SIDE LIGHTS (FRONT TURN SIGNAL LIGHT)


    1. Disconnect the A1 headlight assembly RH connector.

    2. Operate the headlight dimmer switch assembly and check that the RH side turn signal lights other than the headlight turn signal light blink.

      Tech Tips

      If the RH side turn signal lights blink, the headlight cord RH is malfunctioning.

      Result
      Result Proceed to
      RH side turn signal lights blink A
      RH side turn signal lights do not blink B

    A
    B
  23. CONFIRM MODEL


    1. Choose the model to be inspected.

      Result
      Result Proceed to
      w/ Seat Position Memory System A
      w/o Seat Position Memory System B

    B
    A
  24. CHECK RH SIDE LIGHTS (SIDE TURN SIGNAL LIGHT)


    1. Connect the A7 headlight ECU sub-assembly RH connector.*1

    2. Connect the A1 headlight assembly RH connector.*2

    3. Disconnect the R12 outer mirror control ECU assembly RH connector.

    4. Operate the headlight dimmer switch assembly and check that the RH side turn signal lights other than the headlight turn signal light blink.

      Tech Tips

      If the RH side turn signal lights blink, the side turn signal light circuit is malfunctioning.


      • *1: for Triple Beam Headlight

      • *2: for Single Beam Headlight

      Result
      Result Proceed to
      RH side turn signal lights blink A
      RH side turn signal lights do not blink B

    B
    A
  25. CHECK RH SIDE LIGHTS (OUTER MIRROR CONTROL ECU ASSEMBLY RH)


    1. Connect the R12 outer mirror control ECU assembly RH connector.

    2. Disconnect the R13 outer mirror control ECU assembly RH connector.

    3. Operate the headlight dimmer switch assembly and check that the RH side turn signal lights other than the headlight turn signal light blink.

      Tech Tips

      If the RH side turn signal lights not blink, the outer mirror control ECU assembly RH is malfunctioning.

      Result
      Result Proceed to
      RH side turn signal lights blink A
      RH side turn signal lights do not blink B

    B
    A
  26. CHECK RH SIDE LIGHTS (HARNESS AND CONNECTOR)


    1. Connect the R13 outer mirror control ECU assembly RH connector.

    2. Disconnect the R7 outer rear view mirror assembly RH connector.

    3. Operate the headlight dimmer switch assembly and check that the RH side turn signal lights other than the headlight turn signal light blink.

      Tech Tips

      If the RH side turn signal lights not blink, the harness or connector is malfunctioning.

      Result
      Result Proceed to
      RH side turn signal lights blink A
      RH side turn signal lights do not blink B

    A
    B
  27. CHECK RH SIDE LIGHTS (SIDE TURN SIGNAL LIGHT)


    1. Connect the A7 headlight ECU sub-assembly RH connector.*1

    2. Connect the A3 headlight assembly RH connector.*2

    3. Disconnect the R7 outer rear view mirror assembly RH connector.

    4. Operate the headlight dimmer switch assembly and check that the RH side turn signal lights other than the headlight turn signal light blink.

      Tech Tips

      If the RH side turn signal lights blink, the side turn signal light circuit is malfunctioning.


      • *1: for Triple Beam Headlight

      • *2: for Single Beam Headlight

      Result
      Result Proceed to
      RH side turn signal lights blink A
      RH side turn signal lights do not blink B

    B
    A
  28. CHECK RH SIDE LIGHTS (OUTER REAR VIEW MIRROR ASSEMBLY RH)


    1. Remove the side turn signal light assembly RH from outer rear view mirror assembly RH.

      Click here

    2. Connect the R7 outer rear view mirror assembly RH connector.

    3. Operate the headlight dimmer switch assembly and check that the RH side turn signal lights other than the headlight turn signal light blink.

      Tech Tips

      If the RH side turn signal lights blink, the side turn signal light assembly RH is malfunctioning.

      Result
      Result Proceed to
      RH side turn signal lights blink A
      RH side turn signal lights do not blink B

    A
    B
  29. CHECK RH SIDE LIGHTS (WINDSHIELD WIPER SWITCH ASSEMBLY)


    1. Connect the R12 outer mirror control ECU assembly RH connector.*1

    2. Connect the R7 outer rear view mirror assembly RH connector.*2

    3. Disconnect the O23 windshield wiper switch assembly connector.

    4. Operate the hazard warning signal switch and check that the RH side turn signal lights other than the headlight turn signal light blink.

      Tech Tips

      If the RH side turn signal lights blink, the windshield wiper switch assembly is malfunctioning.


      • *1: w/ Seat Position Memory System

      • *2: w/o Seat Position Memory System

      Result
      Result Proceed to
      RH side turn signal lights blink A
      RH side turn signal lights do not blink B

    A
    B
  30. CHECK HARNESS AND CONNECTOR (FRONT TURN SIGNAL LGIHT RH AND SIDE TURN SIGNAL LIGHT RH - COMBINATION METER ASSEMBLY)


    1. Disconnect the A3 clearance light assembly RH connector.*1

    2. Disconnect the A7 headlight ECU sub-assembly RH connector.*1

    3. Disconnect the A1 headlight assembly RH connector.*2

    4. Disconnect the R12 outer mirror control ECU assembly RH connector.*3

    5. Disconnect the R7 outer rear view mirror assembly RH connector.*4

    6. Disconnect the O64 air conditioning control assembly connector.

    7. Disconnect the O4 combination meter assembly connector.

    8. Measure the resistance according to the value(s) in the table below.

      Standard Resistance
      Tester Connection Condition Specified Condition
      A3-1 (B)*1, A7-11 (TNS)*1, A1-6 (B)*2, R12-11 (TRN1)*3, R7-16 (B)*4, O23-1 (TRNL) or O4-7 (LR) - Body ground Always 10 kΩ or higher

      • *1: for Triple Beam Headlight

      • *2: for Single Beam Headlight

      • *3: w/ Seat Position Memory System

      • *4: w/o Seat Position Memory System

      Result
      Proceed to
      OK
      NG

    NG
    OK
  31. CHECK RH SIDE LIGHTS (REAR TURN SIGNAL LIGHT)


    1. Connect the A3 clearance light assembly RH connector.*1

    2. Connect the A7 headlight ECU sub-assembly RH connector.*1

    3. Connect the A1 headlight assembly RH connector.*2

    4. Connect the R12 outer mirror control ECU assembly RH connector.*3

    5. Connect the R7 outer rear view mirror assembly RH connector.*4

    6. Connect the O23 windshield wiper switch assembly connector.

    7. Connect the O4 combination meter assembly connector.

    8. Disconnect the U5 rear combination light assembly RH connector.

    9. Operate the headlight dimmer switch assembly and check that the RH side turn signal lights other than the headlight turn signal light blink.

      Tech Tips

      If the RH side turn signal lights blink, the rear combination light socket and wire sub-assembly RH is malfunctioning.


      • *1: for Triple Beam Headlight

      • *2: for Single Beam Headlight

      • *3: w/ Seat Position Memory System

      • *4: w/o Seat Position Memory System

      Result
      Result Proceed to
      RH side turn signal lights blink A
      RH side turn signal lights do not blink B

    A
    B
  32. CHECK HARNESS AND CONNECTOR (REAR COMBINATION LIGHT ASSEMBLY RH - COMBINATION METER ASSEMBLY)


    1. Disconnect the O4 combination meter assembly connector.

    2. Measure the resistance according to the value(s) in the table below.

      Standard Resistance
      Tester Connection Condition Specified Condition
      U5-4 (TRN) or O4-5 (TRNR) - Body ground Always 10 kΩ or higher
      Result
      Proceed to
      OK
      NG

    OK
    NG