METER / GAUGE SYSTEM, Diagnostic DTC:B1507, B1508

DTC Code DTC Name
B1507 Open in Turn Signal Circuit
B1508 Short in Turn Signal / Hazard Flasher Circuit

DESCRIPTION

These DTCs are stored when the combination meter assembly detects an open in a turn signal light circuit, or a short in a turn signal light circuit or the hazard warning light circuit.

DTC No. Detection Item DTC Detection Condition Trouble Area Memory Note
B1507 Open in Turn Signal Circuit

When IG voltage is 9.5 V or more and the following condition is detected:


  • Open in turn signal light circuit


  • LED

  • Bulb

  • Harness or connector

  • Instrument panel junction block assembly

  • Outer mirror control ECU assembly LH*

  • Outer mirror control ECU assembly RH*

  • Combination meter assembly

DTC stored -
B1508 Short in Turn Signal / Hazard Flasher Circuit

When IG voltage is 9.5 V or more and the following condition is detected:


  • Short in turn signal light circuit or hazard warning light circuit


  • LED

  • Bulb

  • Harness or connector

  • Instrument panel junction block assembly

  • Outer mirror control ECU assembly LH*

  • Outer mirror control ECU assembly RH*

  • Combination meter assembly

DTC stored -

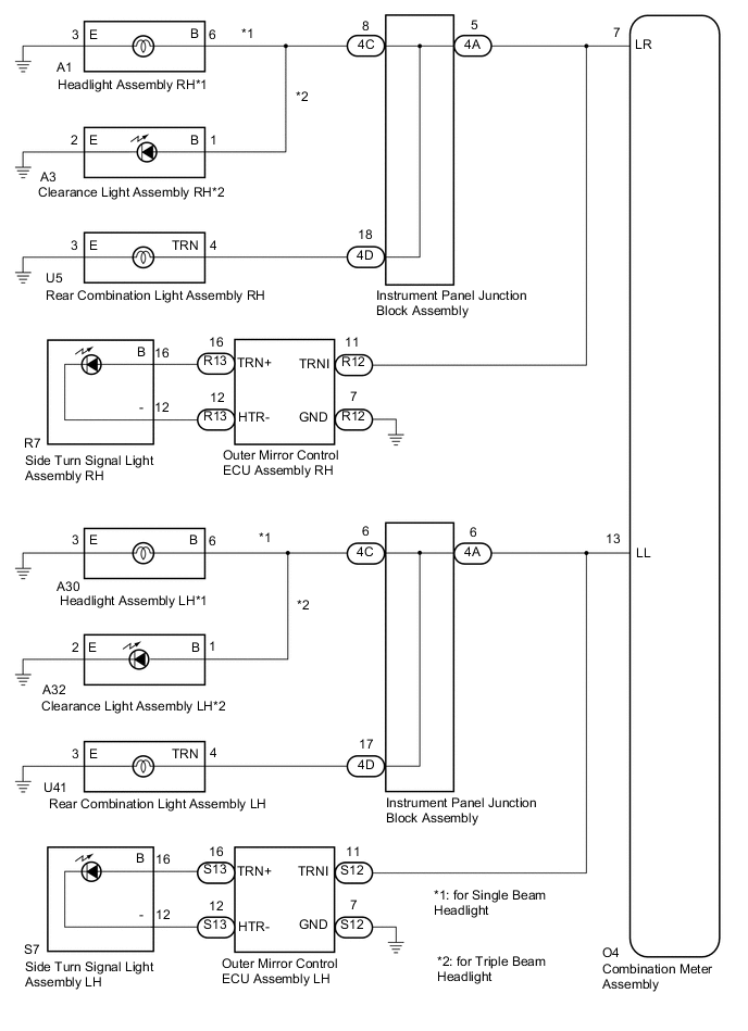
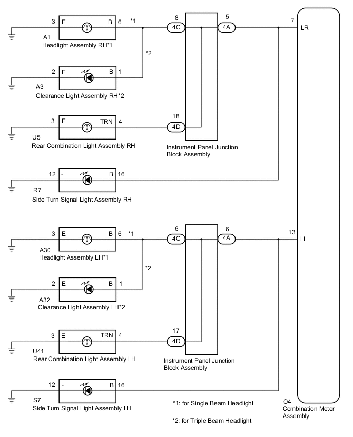
WIRING DIAGRAM


  1. w/ Seat Position Memory

    A01O9K2E01
  2. w/o Seat Position Memory

    A01ODGQE01

CAUTION / NOTICE / HINT

Note

Inspect the LEDs and bulbs for this system before performing the following procedure.

PROCEDURE


  1. INSPECT LIGHTS


    1. Inspect the illumination of each turn signal light.

      Result
      Result Proceed to
      All RH turn signal lights or all LH turn signal lights do not blink. A
      RH side turn signal light does not illuminate. B
      LH side turn signal light does not illuminate. C

    B
    C
    A
  2. CHECK HARNESS AND CONNECTOR (COMBINATION METER ASSEMBLY - INSTRUMENT PANEL JUNCTION BLOCK ASSEMBLY OR BODY GROUND)


    1. RH side


      1. Disconnect the O4 combination meter assembly connector.

      2. Disconnect the 4A instrument panel junction block assembly connector.

      3. Disconnect the R12 outer mirror control ECU assembly RH connector*1.

      4. Disconnect the R7 side turn signal light assembly RH connector*2.


        • *1: w/ Seat Position Memory

        • *2: w/o Seat Position Memory

      5. Measure the resistance according to the value(s) in the table below.

        Standard Resistance (Check for Open)
        Tester Connection Condition Specified Condition
        O4-7 (LR) - 4A-5 Always Below 1 Ω
        Standard Resistance (Check for Short)
        Tester Connection Condition Specified Condition
        O4-7 (LR), 4A-5 or R12-11 (TRNI) - Body ground Always 10 kΩ or higher
    2. LH side


      1. Disconnect the O4 combination meter assembly connector.

      2. Disconnect the 4A instrument panel junction block assembly connector.

      3. Disconnect the S12 outer mirror control ECU assembly LH connector*1.

      4. Disconnect the S7 side turn signal light assembly LH connector*2.


        • *1: w/ Seat Position Memory

        • *2: w/o Seat Position Memory

      5. Measure the resistance according to the value(s) in the table below.

        Standard Resistance (Check for Open)
        Tester Connection Condition Specified Condition
        O4-13 (LL) - 4A-6 Always Below 1 Ω
        Standard Resistance (Check for Short)
        Tester Connection Condition Specified Condition
        O4-13 (LL), 4A-6 or S12-11 (TRNI) - Body ground Always 10 kΩ or higher
      Result
      Proceed to
      OK
      NG

    OK
    NG
  3. CHECK TURN SIGNAL LIGHTS (RH SIDE)


    1. Turn the power switch on (IG).

    2. Set the headlight dimmer switch assembly to the right turn switch position.

    3. Check the operation of the turn signal lights (RH side).

      Result
      Result Proceed to
      Front turn signal light assembly (RH side) does not blink. A
      Side turn signal light assembly (RH side) does not blink. B
      Rear turn signal light assembly (RH side) does not blink. C

    B
    C
    A
  4. CONFIRM MODEL


    1. Choose the model to be inspected.

      Result
      Result Proceed to
      for Single Beam Headlight A
      for Triple Beam Headlight B

    B
    A
  5. CHECK HARNESS AND CONNECTOR (HEADLIGHT ASSEMBLY RH - INSTRUMENT PANEL JUNCTION BLOCK ASSEMBLY OR BODY GROUND)


    1. Disconnect the A1 headlight assembly RH connector.

    2. Disconnect the 4C instrument panel junction block assembly connector.

    3. Measure the resistance according to the value(s) in the table below.

      Standard Resistance (Check for Open)
      Tester Connection Condition Specified Condition
      A1-6 (B) - 4C-8 Always Below 1 Ω
      A1-3 (E) - Body ground Always Below 1 Ω
      Standard Resistance (Check for Short)
      Tester Connection Condition Specified Condition
      A1-6 (B) or 4C-8 - Body ground Always 10 kΩ or higher
      Result
      Proceed to
      OK
      NG

    NG
    OK
  6. INSPECT INSTRUMENT PANEL JUNCTION BLOCK ASSEMBLY


    1. Remove the instrument panel junction block assembly.

      Click here

    2. Measure the resistance according to the value(s) in the table below.

      A01OA5LC05
      *a

      Component without harness connected

      (Instrument Panel Junction Block Assembly)

      - -
      Standard Resistance
      Tester Connection Condition Specified Condition
      4A-5 - 4C-8 Always Below 1 Ω
      Result
      Proceed to
      OK
      NG

    OK
    NG
  7. CHECK HARNESS AND CONNECTOR (CLEARANCE LIGHT ASSEMBLY RH - INSTRUMENT PANEL JUNCTION BLOCK ASSEMBLY OR BODY GROUND)


    1. Disconnect the A3 clearance light assembly RH connector.

    2. Disconnect the 4C instrument panel junction block assembly connector.

    3. Measure the resistance according to the value(s) in the table below.

      Standard Resistance (Check for Open)
      Tester Connection Condition Specified Condition
      A3-1 (B) - 4C-8 Always Below 1 Ω
      A3-2 (E) - Body ground Always Below 1 Ω
      Standard Resistance (Check for Short)
      Tester Connection Condition Specified Condition
      A3-1 (B) or 4C-8 - Body ground Always 10 kΩ or higher
      Result
      Proceed to
      OK
      NG

    NG
    OK
  8. INSPECT INSTRUMENT PANEL JUNCTION BLOCK ASSEMBLY


    1. Remove the instrument panel junction block assembly.

      Click here

    2. Measure the resistance according to the value(s) in the table below.

      A01OA5LC05
      *a

      Component without harness connected

      (Instrument Panel Junction Block Assembly)

      - -
      Standard Resistance
      Tester Connection Condition Specified Condition
      4A-5 - 4C-8 Always Below 1 Ω
      Result
      Proceed to
      OK
      NG

    OK
    NG
  9. CONFIRM MODEL


    1. Choose the model to be inspected.

      Result
      Result Proceed to
      w/ Seat Position Memory A
      w/o Seat Position Memory B

    B
    A
  10. CHECK HARNESS AND CONNECTOR (OUTER MIRROR CONTROL ECU ASSEMBLY RH - COMBINATION METER ASSEMBLY OR BODY GROUND)


    1. Disconnect the O4 combination meter assembly connector.

    2. Disconnect the R12 outer mirror control ECU assembly RH connector.

    3. Disconnect the 4A instrument panel junction block assembly connector.

    4. Measure the resistance according to the value(s) in the table below.

      Standard Resistance (Check for Open)
      Tester Connection Condition Specified Condition
      R12-11 (TRNI) - O4-7 (LR) Always Below 1 Ω
      R12-7 (GND) - Body ground Always Below 1 Ω
      Standard Resistance (Check for Short)
      Tester Connection Condition Specified Condition
      R12-11 (TRNI), O4-7 (LR) or 4A-5 - Body ground Always 10 kΩ or higher
      Result
      Proceed to
      OK
      NG

    NG
    OK
  11. CHECK HARNESS AND CONNECTOR (OUTER MIRROR CONTROL ECU ASSEMBLY RH - SIDE TURN SIGNAL LIGHT ASSEMBLY RH)


    1. Disconnect the R13 outer mirror control ECU assembly RH connector.

    2. Disconnect the R7 side turn signal light assembly RH connector.

    3. Measure the resistance according to the value(s) in the table below.

      Standard Resistance (Check for Open)
      Tester Connection Condition Specified Condition
      R13-16 (TRN+) - R7-16 (B) Always Below 1 Ω
      R13-12 (HTR-) - R7-12 (-) Always Below 1 Ω
      Standard Resistance (Check for Short)
      Tester Connection Condition Specified Condition
      R13-16 (TRN+) or R7-16 (B) - Body ground Always 10 kΩ or higher
      R13-12 (HTR-) or R7-12 (-) - Body ground Always 10 kΩ or higher
      Result
      Proceed to
      OK
      NG

    NG
    OK
  12. REPLACE OUTER MIRROR CONTROL ECU ASSEMBLY


    1. Replace the outer mirror control ECU assembly RH with a new or known good one.

      Click here

    2. Check for the DTCs.

      Click here


      Body Electrical > Combination Meter > Trouble Codes
      Result
      Result Proceed to
      DTCs are output A
      DTCs are not output B

    A
    B
  13. CHECK HARNESS AND CONNECTOR (SIDE TURN SIGNAL LIGHT ASSEMBLY RH - COMBINATION METER ASSEMBLY OR BODY GROUND)


    1. Disconnect the O4 combination meter assembly connector.

    2. Disconnect the R7 side turn signal light assembly RH connector.

    3. Disconnect the 4A instrument panel junction block assembly connector.

    4. Measure the resistance according to the value(s) in the table below.

      Standard Resistance (Check for Open)
      Tester Connection Condition Specified Condition
      R7-16 (B) - O4-7 (LR) Always Below 1 Ω
      R7-12 (-) - Body ground Always Below 1 Ω
      Standard Resistance (Check for Short)
      Tester Connection Condition Specified Condition
      R7-16 (B), O4-7 (LR) or 4A-5 - Body ground Always 10 kΩ or higher
      Result
      Proceed to
      OK
      NG

    OK
    NG
  14. CHECK HARNESS AND CONNECTOR (REAR COMBINATION LIGHT ASSEMBLY RH - INSTRUMENT PANEL JUNCTION BLOCK ASSEMBLY OR BODY GROUND)


    1. Disconnect the U5 rear combination light assembly RH connector.

    2. Disconnect the 4D instrument panel junction block assembly connector.

    3. Measure the resistance according to the value(s) in the table below.

      Standard Resistance (Check for Open)
      Tester Connection Condition Specified Condition
      U5-4 (TRN) - 4D-18 Always Below 1 Ω
      U5-3 (E) - Body ground Always Below 1 Ω
      Standard Resistance (Check for Short)
      Tester Connection Condition Specified Condition
      U5-4 (TRN) or 4D-18 - Body ground Always 10 kΩ or higher
      Result
      Proceed to
      OK
      NG

    NG
    OK
  15. INSPECT INSTRUMENT PANEL JUNCTION BLOCK ASSEMBLY


    1. Remove the instrument panel junction block assembly.

      Click here

    2. Measure the resistance according to the value(s) in the table below.

      A01ODLEC04
      *a

      Component without harness connected

      (Instrument Panel Junction Block Assembly)

      - -
      Standard Resistance
      Tester Connection Condition Specified Condition
      4A-5 - 4D-18 Always Below 1 Ω
      Result
      Proceed to
      OK
      NG

    OK
    NG
  16. CHECK TURN SIGNAL LIGHTS (LH SIDE)


    1. Turn the power switch on (IG).

    2. Set the headlight dimmer switch assembly to the left turn switch position.

    3. Check the operation of the turn signal lights (LH side).

      Result
      Result Proceed to
      Front turn signal light assembly (LH side) does not blink. A
      Side turn signal light assembly (LH side) does not blink. B
      Rear turn signal light assembly (LH side) does not blink. C

    B
    C
    A
  17. CONFIRM MODEL


    1. Choose the model to be inspected.

      Result
      Result Proceed to
      for Single Beam Headlight A
      for Triple Beam Headlight B

    B
    A
  18. CHECK HARNESS AND CONNECTOR (HEADLIGHT ASSEMBLY LH - INSTRUMENT PANEL JUNCTION BLOCK ASSEMBLY OR BODY GROUND)


    1. Disconnect the A30 headlight assembly LH connector.

    2. Disconnect the 4C instrument panel junction block assembly connector.

    3. Measure the resistance according to the value(s) in the table below.

      Standard Resistance (Check for Open)
      Tester Connection Condition Specified Condition
      A30-6 (B) - 4C-6 Always Below 1 Ω
      A30-3 (E) - Body ground Always Below 1 Ω
      Standard Resistance (Check for Short)
      Tester Connection Condition Specified Condition
      A30-6 (B) or 4C-6 - Body ground Always 10 kΩ or higher
      Result
      Proceed to
      OK
      NG

    NG
    OK
  19. INSPECT INSTRUMENT PANEL JUNCTION BLOCK ASSEMBLY


    1. Remove the instrument panel junction block assembly.

      Click here

    2. Measure the resistance according to the value(s) in the table below.

      A01OA5LC05
      *a

      Component without harness connected

      (Instrument Panel Junction Block Assembly)

      - -
      Standard Resistance
      Tester Connection Condition Specified Condition
      4A-6 - 4C-6 Always Below 1 Ω
      Result
      Proceed to
      OK
      NG

    OK
    NG
  20. CHECK HARNESS AND CONNECTOR (CLEARANCE LIGHT ASSEMBLY LH - INSTRUMENT PANEL JUNCTION BLOCK ASSEMBLY OR BODY GROUND)


    1. Disconnect the A32 clearance light assembly LH connector.

    2. Disconnect the 4C instrument panel junction block assembly connector.

    3. Measure the resistance according to the value(s) in the table below.

      Standard Resistance (Check for Open)
      Tester Connection Condition Specified Condition
      A32-1 (B) - 4C-6 Always Below 1 Ω
      A32-2 (E) - Body ground Always Below 1 Ω
      Standard Resistance (Check for Short)
      Tester Connection Condition Specified Condition
      A32-1 (B) or 4C-6 - Body ground Always 10 kΩ or higher
      Result
      Proceed to
      OK
      NG

    NG
    OK
  21. INSPECT INSTRUMENT PANEL JUNCTION BLOCK ASSEMBLY


    1. Remove the instrument panel junction block assembly.

      Click here

    2. Measure the resistance according to the value(s) in the table below.

      A01OA5LC05
      *a

      Component without harness connected

      (Instrument Panel Junction Block Assembly)

      - -
      Standard Resistance
      Tester Connection Condition Specified Condition
      4A-6 - 4C-6 Always Below 1 Ω
      Result
      Proceed to
      OK
      NG

    OK
    NG
  22. CONFIRM MODEL


    1. Choose the model to be inspected.

      Result
      Result Proceed to
      w/ Seat Position Memory A
      w/o Seat Position Memory B

    B
    A
  23. CHECK HARNESS AND CONNECTOR (OUTER MIRROR CONTROL ECU ASSEMBLY LH - COMBINATION METER ASSEMBLY OR BODY GROUND)


    1. Disconnect the O4 combination meter assembly connector.

    2. Disconnect the S12 outer mirror control ECU assembly LH connector.

    3. Disconnect the 4A instrument panel junction block assembly connector.

    4. Measure the resistance according to the value(s) in the table below.

      Standard Resistance (Check for Open)
      Tester Connection Condition Specified Condition
      S12-11 (TRNI) - O4-13 (LL) Always Below 1 Ω
      S12-7 (GND) - Body ground Always Below 1 Ω
      Standard Resistance (Check for Short)
      Tester Connection Condition Specified Condition
      S12-11 (TRNI), O4-13 (LL) or 4A-6 - Body ground Always 10 kΩ or higher
      Result
      Proceed to
      OK
      NG

    NG
    OK
  24. CHECK HARNESS AND CONNECTOR (OUTER MIRROR CONTROL ECU ASSEMBLY LH - SIDE TURN SIGNAL LIGHT ASSEMBLY LH)


    1. Disconnect the S13 outer mirror control ECU assembly LH connector.

    2. Disconnect the S7 side turn signal light assembly LH connector.

    3. Measure the resistance according to the value(s) in the table below.

      Standard Resistance (Check for Open)
      Tester Connection Condition Specified Condition
      S13-16 (TRN+) - S7-16 (B) Always Below 1 Ω
      S13-12 (HTR-) - S7-12 (-) Always Below 1 Ω
      Standard Resistance (Check for Short)
      Tester Connection Condition Specified Condition
      S13-16 (TRN+) or S7-16 (B) - Body ground Always 10 kΩ or higher
      S13-12 (HTR-) or S7-12 (-) - Body ground Always 10 kΩ or higher
      Result
      Proceed to
      OK
      NG

    NG
    OK
  25. REPLACE OUTER MIRROR CONTROL ECU ASSEMBLY LH


    1. Replace the outer mirror control ECU assembly LH with a new or known good one.

      Click here

    2. Check for the DTCs.

      Click here


      Body Electrical > Combination Meter > Trouble Codes
      Result
      Result Proceed to
      DTCs are output A
      DTCs are not output B

    A
    B
  26. CHECK HARNESS AND CONNECTOR (SIDE TURN SIGNAL LIGHT ASSEMBLY LH - COMBINATION METER ASSEMBLY OR BODY GROUND)


    1. Disconnect the O4 combination meter assembly connector.

    2. Disconnect the S7 side turn signal light assembly LH connector.

    3. Disconnect the 4A instrument panel junction block assembly connector.

    4. Measure the resistance according to the value(s) in the table below.

      Standard Resistance (Check for Open)
      Tester Connection Condition Specified Condition
      S7-16 (B) - O4-13 (LL) Always Below 1 Ω
      S7-12 (-) - Body ground Always Below 1 Ω
      Standard Resistance (Check for Short)
      Tester Connection Condition Specified Condition
      S7-16 (B), O4-13 (LL) or 4A-6 - Body ground Always 10 kΩ or higher
      Result
      Proceed to
      OK
      NG

    OK
    NG
  27. CHECK HARNESS AND CONNECTOR (REAR COMBINATION LIGHT ASSEMBLY LH - INSTRUMENT PANEL JUNCTION BLOCK ASSEMBLY OR BODY GROUND)


    1. Disconnect the U41 rear combination light assembly LH connector.

    2. Disconnect the 4D instrument panel junction block assembly connector.

    3. Measure the resistance according to the value(s) in the table below.

      Standard Resistance (Check for Open)
      Tester Connection Condition Specified Condition
      U41-4 (TRN) - 4D-17 Always Below 1 Ω
      U41-3 (E) - Body ground Always Below 1 Ω
      Standard Resistance (Check for Short)
      Tester Connection Condition Specified Condition
      U41-4 (TRN) or 4D-17 - Body ground Always 10 kΩ or higher
      Result
      Proceed to
      OK
      NG

    NG
    OK
  28. INSPECT INSTRUMENT PANEL JUNCTION BLOCK ASSEMBLY


    1. Remove the instrument panel junction block assembly.

      Click here

    2. Measure the resistance according to the value(s) in the table below.

      A01ODLEC04
      *a

      Component without harness connected

      (Instrument Panel Junction Block Assembly)

      - -
      Standard Resistance
      Tester Connection Condition Specified Condition
      4A-6 - 4D-17 Always Below 1 Ω
      Result
      Proceed to
      OK
      NG

    OK
    NG