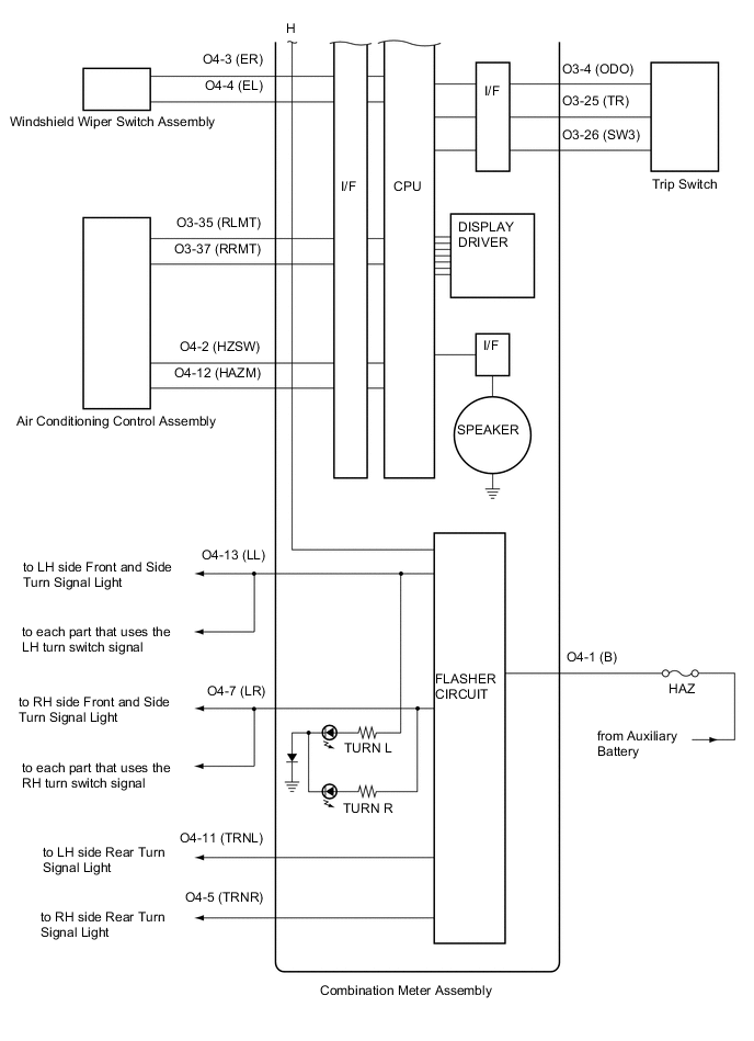
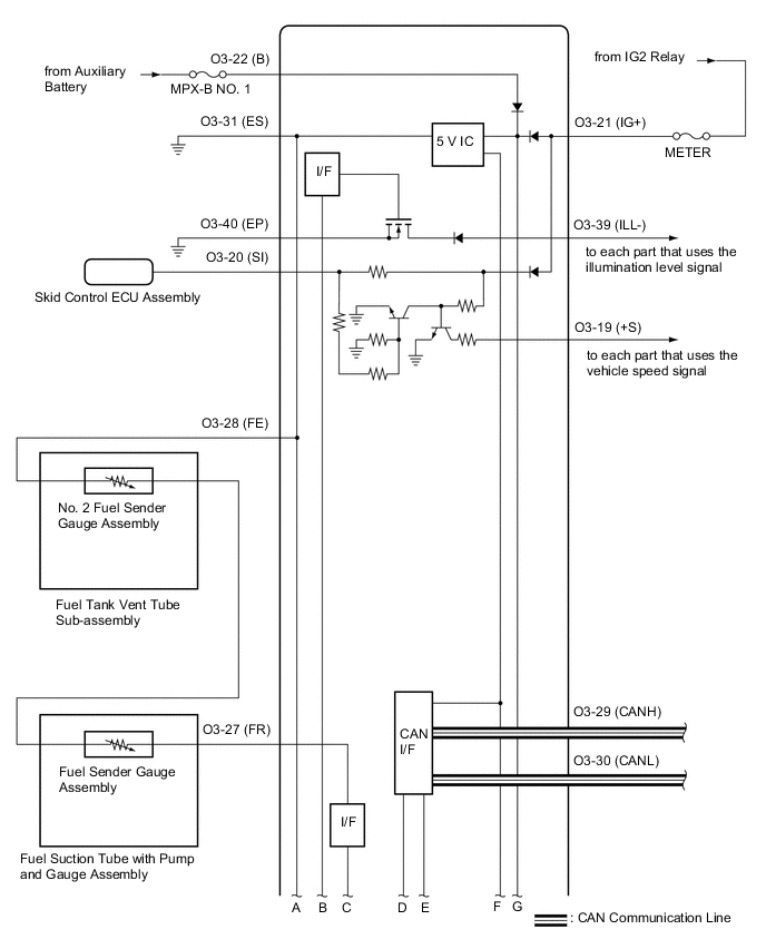
METER / GAUGE SYSTEM SYSTEM DIAGRAM

B004ELME03
B004GUDE01
B004E8ZE04